DIGI INTERNATIONAL, INC.
DIGIBOARD IMAC, DUAL IMAC (JUMPER VERSION)
| Card Type | ISDN to Ethernet Router |
| Processor | 80186 |
| Processor Speed | Unidentified |
| Network Chip Set | 83932 SONIC |
| ISDN Chip Set | Unidentified |
| Maximum Onboard Memory | 512KB DRAM/256K Flash RAM |
| Network Transfer Rate | 10Mbps |
| ISDN Transfer Rate | 64Kbps x 2 (x 4 for Dual IMAC) |
| Data Bus | External |
| Topology | Linear Bus |
| Wiring Type | AUI transceiver
via DB-15 port RG-58A/U 50ohm coaxial |
| ISDN Protocol | Unidentified |
| Switch Type | 5ESS, DMS-100, NI-1, Generic |
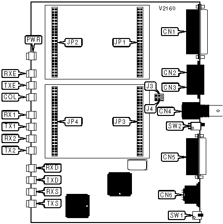
CONNECTIONS |
|||
Function |
Label |
Function |
Label |
| RS-232/422 | CN1 |
Power connection | CN6 |
| ISDN line 2 out (Dual IMAC only) | CN2 |
IDP module headers | JP1 & JP2 |
| ISDN line 1 out | CN3 |
IDP module headers | JP3 & JP4 |
| Coax connector for Ethernet | CN4 |
Power switch | SW1 |
| AUI connector for Ethernet | CN5 |
||
| Note: The correspondence of IDP module headers to line number is unidentified. | |||
CABLE TYPE |
|
Setting |
SW2 |
AUI transceiver via DB-15 port |
On |
RG-58A/U 50ohm coaxial |
Off |
ISDN TERMINATION |
|||
Setting |
J3 |
J4 |
|
| » | Terminated |
Pins 1 & 2 closed |
Pins 1 & 2 closed |
Not terminated |
Pins 2 & 3 closed |
Pins 2 & 3 closed |
|
DIAGNOSTIC LED(S) |
|||
LED |
Color |
Status |
Condition |
PWR |
Green |
On |
Power is on |
PWR |
Green |
Off |
Power is off |
PWR |
Green |
Blinking |
A system error has occurred |
RXE |
Green |
On |
Router is receiving data from network |
RXE |
Green |
Off |
Router is not receiving data from network |
RXE |
Green |
Blinking |
A network receive error has occurred |
TXE |
Green |
On |
Router is transmitting data to network |
TXE |
Green |
Off |
Router is not transmitting data to network |
TXE |
Green |
Blinking |
A network transmission error has occurred |
COL |
Green |
On |
Collision detected |
COL |
Green |
Off |
Collision not detected |
COL |
Green |
Blinking |
Frame not transmitted due to excessive collisions |
RX1 |
Green |
On |
Router is receiving data from B1 channel |
RX1 |
Green |
Off |
Router is not receiving data from B1 channel |
RX1 |
Green |
Blinking |
A receive error has occurred on B1 channel |
TX1 |
Green |
On |
Router is transmitting data to B1 channel |
TX1 |
Green |
Off |
Router is not transmitting data to B1 channel |
TX1 |
Green |
Blinking |
A transmission error has occurred on B1 channel |
RX2 |
Green |
On |
Router is receiving data from B2 channel |
RX2 |
Green |
Off |
Router is not receiving data from B2 channel |
RX2 |
Green |
Blinking |
A receive error has occurred on B2 channel |
TX2 |
Green |
On |
Router is transmitting data to B2 channel |
TX2 |
Green |
Off |
Router is not transmitting data to B2 channel |
TX2 |
Green |
Blinking |
A transmission error has occurred on B2 channel |
RXD |
Green |
On |
Router is receiving data from D channel |
RXD |
Green |
Off |
Router is not receiving data from D channel |
RXD |
Green |
Blinking |
A receive error has occurred on D channel |
TXD |
Green |
On |
Router is transmitting data to D channel |
TXD |
Green |
Off |
Router is not transmitting data to D channel |
TXD |
Green |
Blinking |
A transmission error has occurred on D channel |
RXS |
Green |
On |
Router is receiving data from DTE |
RXS |
Green |
Off |
Router is not receiving data from DTE |
RXS |
Green |
Blinking |
A receive error has occurred on DTE |
TXS |
Green |
On |
Router is transmitting data to DTE |
TXS |
Green |
Off |
Router is not transmitting data to DTE |
TXS |
Green |
Blinking |
A transmission error has occurred on DTE |