EURONE
EM-7160S
| Device Type | Mainboard |
| Processor | Celeron/Pentium II |
| Processor Speed | 233/266/300/333/350/400/450/500MHz |
| Chip Set | Intel 440BX |
| Video Chip Set | Unidentified |
| Audio Chip Set | Unidentified |
| Maximum Onboard Memory | 768MB (EDO & SDRAM supported) |
| Maximum Video Memory | 8MB |
| Maximum Audio Memory | Unidentified |
| Cache | 0/128/256/512KB |
| BIOS | AMI |
| Dimensions | 244mm x 220mm |
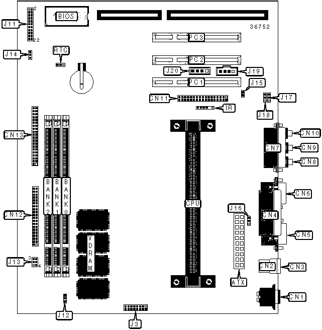
| I/O Options | 32-bit PCI slots (3), floppy drive interface, game port, green PC connector, IDE interfaces (2), parallel port, PS/2 mouse port, serial ports (2), VGA feature connector, IR connector, USB ports (2), ATX power connector, line in, speaker out, microphone in, audio in - CD-ROMs (2) |

CONNECTIONS |
|||
| Purpose | Location |
Purpose | Location |
| ATX power connector | ATX |
VGA feature connector | J3 |
| PS/2 mouse port | CN1 | Power LED & keylock | J11/Pins 2, 4, 6, 8 & 10 |
| USB port 1 | CN2 | Speaker | J11/Pins 1, 3, 5 & 7 |
| USB port 2 | CN3 | Green PC LED | J11/Pins 13 & 14 |
| Parallel port | CN4 | IDE interface LED | J11/Pins 15 & 16 |
| Serial port 1 | CN5 | Reset switch | J11/Pins 17 & 18 |
| Serial port 2 | CN6 | Green PC connector | J11/Pins 21 & 22 |
| Game port | CN7 | CPU fan power | J12 |
| Line in | CN8 | Chassis fan power | J14 |
| Microphone in | CN9 | Suspend blinking LED | J15 |
| Speaker out | CN10 | Digital audio out | J17 |
| Floppy drive interface | CN11 | Digital audio in | J18 |
| IDE interface 1 | CN12 | Audio in - CD-ROM (Sony) | J19 |
| IDE interface 2 | CN13 | Audio in - CD-ROM (Panasonic) | J20 |
| IR connector | IR | 32-bit PCI slots | PC1 - PC3 |
USER CONFIGURABLE SETTINGS |
|||
Function |
Label |
Position |
|
» |
DIMM voltage 3.3V | J13 | Pins 1 & 2, 4 & 5 Closed |
| DIMM voltage 5V | J13 | Pins 2 & 3, 5 & 6 Closed | |
| » | Keyboard power on disabled | J16 | Pins 2 & 3 Closed |
|
Keyboard power on enabled | J16 | Pins 1 & 2 Closed |
| CMOS memory normal operation | RTC | Pins 1 & 2 Closed | |
| CMOS memory clear | RTC | Pins 2 & 3 Closed | |
DIMM CONFIGURATION |
|||
Size |
Bank 0 |
Bank 1 |
Bank 2 |
8MB |
(1) 1M x 64 |
None |
None |
16MB |
(1) 2M x 64 |
None |
None |
16MB |
(1) 1M x 64 |
(1) 1M x 64 |
None |
24MB |
(1) 1M x 64 |
(1) 1M x 64 |
(1) 1M x 64 |
32MB |
(1) 4M x 64 |
None |
None |
32MB |
(1) 2M x 64 |
(1) 2M x 64 |
None |
40MB |
(1) 2M x 64 |
(1) 2M x 64 |
(1) 1M x 64 |
48MB |
(1) 2M x 64 |
(1) 2M x 64 |
(1) 2M x 64 |
64MB |
(1) 8M x 64 |
None |
None |
64MB |
(1) 4M x 64 |
(1) 4M x 64 |
None |
72MB |
(1) 4M x 64 |
(1) 4M x 64 |
(1) 1M x 64 |
80MB |
(1) 4M x 64 |
(1) 4M x 64 |
(1) 2M x 64 |
96MB |
(1) 4M x 64 |
(1) 4M x 64 |
(1) 4M x 64 |
128MB |
(1) 16M x 64 |
None |
None |
128MB |
(1) 8M x 64 |
(1) 8M x 64 |
None |
136MB |
(1) 8M x 64 |
(1) 8M x 64 |
(1) 1M x 64 |
144MB |
(1) 8M x 64 |
(1) 8M x 64 |
(1) 2M x 64 |
160MB |
(1) 8M x 64 |
(1) 8M x 64 |
(1) 4M x 64 |
192MB |
(1) 8M x 64 |
(1) 8M x 64 |
(1) 8M x 64 |
256MB |
(1) 16M x 64 |
(1) 16M x 64 |
None |
256MB |
(1) 32M x 64 |
None |
None |
264MB |
(1) 16M x 64 |
(1) 16M x 64 |
(1) 1M x 64 |
272MB |
(1) 16M x 64 |
(1) 16M x 64 |
(1) 2M x 64 |
288MB |
(1) 16M x 64 |
(1) 16M x 64 |
(1) 4M x 64 |
320MB |
(1) 16M x 64 |
(1) 16M x 64 |
(1) 8M x 64 |
384MB |
(1) 16M x 64 |
(1) 16M x 64 |
(1) 16M x 64 |
512MB |
(1) 32M x 64 |
(1) 32M x 64 |
None |
520MB |
(1) 32M x 64 |
(1) 32M x 64 |
(1) 1M x 64 |
528MB |
(1) 32M x 64 |
(1) 32M x 64 |
(1) 2M x 64 |
544MB |
(1) 32M x 64 |
(1) 32M x 64 |
(1) 4M x 64 |
576MB |
(1) 32M x 64 |
(1) 32M x 64 |
(1) 8M x 64 |
640MB |
(1) 32M x 64 |
(1) 32M x 64 |
(1) 16M x 64 |
768MB |
(1) 32M x 64 |
(1) 32M x 64 |
(1) 32M x 64 |
| Note: Board supports EDO & SDRAM memory. | |||
CACHE CONFIGURATION |
| Note: 256KB/512KB cache is located on the Pentium II CPUs. 128KB cache is located on the Celeron 300A and greater CPUs. |