EURONE
EM-5598SG
| Device Type | Mainboard |
| Processor | CX 6X86L/IBM 6X86L/CX 6X86MX/IBM 6X86MX/CX M2/AM K6/AM K6-2/Pentium/Pentium MMX/IDT C6 |
| Processor Speed | 90/100/150/166/200/225/233/240/266/300/333/350/366/380/400/450/475MHz |
| Chip Set | SIS 530 |
| Video Chip Set | Unidentified |
| Audio Chip Set | Unidentified |
| Maximum Onboard Memory | 768MB (SDRAM supported) |
| Maximum Video Memory | 8MB (shared from system memory) |
| Maximum Audio Memory | Unidentified |
| Cache | 1024/2048KB |
| BIOS | Unidentified |
| Dimensions | 220mm x 220mm |
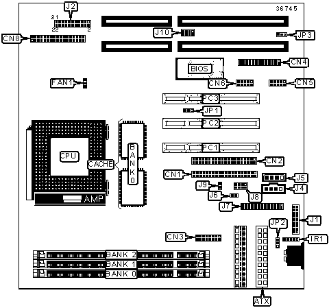
| I/O Options | 32-bit PCI slots (3), floppy drive interface, game/MIDI interface, IDE interfaces (2), parallel port, PS/2 mouse interface, serial interfaces (2), VGA feature connector, IR interface, USB interfaces (2), ATX power connector, line in, line out, microphone in, audio in - CD-ROMs (2), Wake-on-LAN connector |

CONNECTIONS |
|||
| Purpose | Location |
Purpose | Location |
| ATX power connector | ATX |
Turbo LED | J2/Pins 13 & 14 |
| IDE interface 2 | CN1 | IDE interface LED | J2/Pins 15 & 16 |
| IDE interface 1 | CN2 | Reset switch | J2/Pins 17 & 18 |
| VGA feature connector | CN3 | Power supply | J2/Pins 21 & 22 |
| Parallel interface | CN4 | Audio in - CD-ROM (Sony) | J4 |
| Serial interface 2 | CN5 | Audio in - CD-ROM (Panasonic) | J5 |
| Serial interface 1 | CN6 | Sound & game/MIDI interface | J7 |
| Floppy drive interface | CN8 | Digital audio interface | J8 |
| CPU fan power | FAN1 | SPDIF in | J9 |
| IR connector 1 | IR1 | PS/2 mouse interface | J10 |
| ATX form card connector | J1 | Wake-on-LAN connector | JP1 |
| Speaker | J2/Pins 1, 3, 5, 7 | 32-bit PCI slots | PC1-PC3 |
| Power LED & keylock | J2/Pins 2, 4, 6, 8, 10 | ||
USER CONFIGURABLE SETTINGS |
|||
Function |
Label |
Position |
|
| » | SPDIF out signal voltage selection 5v | J6 | Closed |
| SPDIF out signal voltage selection 0.5v | J6 | Open | |
» |
Keyboard power on disabled | JP2 | Pins 1 & 2 closed |
| Keyboard power on enabled | JP2 | Pins 2 & 3 closed | |
| » | CMOS memory normal operation | JP3 | Pins 1 & 2 closed |
|
CMOS memory clear | JP3 | Pins 2 & 3 closed |
DIMM CONFIGURATION |
|||
Size |
Bank 0 |
Bank 1 |
Bank 2 |
4MB |
(1) 512KB x 64 |
None |
None |
8MB |
(1) 1M x 64 |
None |
None |
8MB |
(1) 512KB x 64 |
(1) 512KB x 64 |
None |
12MB |
(1) 512KB x 64 |
(1) 512KB x 64 |
(1) 512KB x 64 |
16MB |
(1) 2M x 64 |
None |
None |
16MB |
(1) 1M x 64 |
(1) 1M x 64 |
None |
20MB |
(1) 1M x 64 |
(1) 1M x 64 |
(1) 512KB x 64 |
24MB |
(1) 1M x 64 |
(1) 1M x 64 |
(1) 1M x 64 |
32MB |
(1) 4M x 64 |
None |
None |
32MB |
(1) 2M x 64 |
(1) 2M x 64 |
None |
36MB |
(1) 2M x 64 |
(1) 2M x 64 |
(1) 512KB x 64 |
40MB |
(1) 2M x 64 |
(1) 2M x 64 |
(1) 1M x 64 |
48MB |
(1) 2M x 64 |
(1) 2M x 64 |
(1) 2M x 64 |
64MB |
(1) 8M x 64 |
None |
None |
64MB |
(1) 4M x 64 |
(1) 4M x 64 |
None |
68MB |
(1) 4M x 64 |
(1) 4M x 64 |
(1) 512KB x 64 |
72MB |
(1) 4M x 64 |
(1) 4M x 64 |
(1) 1M x 64 |
80MB |
(1) 4M x 64 |
(1) 4M x 64 |
(1) 2M x 64 |
96MB |
(1) 4M x 64 |
(1) 4M x 64 |
(1) 4M x 64 |
128MB |
(1) 16M x 64 |
None |
None |
128MB |
(1) 8M x 64 |
(1) 8M x 64 |
None |
132MB |
(1) 8M x 64 |
(1) 8M x 64 |
(1) 512KB x 64 |
136MB |
(1) 8M x 64 |
(1) 8M x 64 |
(1) 1M x 64 |
144MB |
(1) 8M x 64 |
(1) 8M x 64 |
(1) 2M x 64 |
160MB |
(1) 8M x 64 |
(1) 8M x 64 |
(1) 4M x 64 |
192MB |
(1) 8M x 64 |
(1) 8M x 64 |
(1) 8M x 64 |
256MB |
(1) 16M x 64 |
(1) 16M x 64 |
None |
256MB |
(1) 32M x 64 |
None |
None |
260MB |
(1) 16M x 64 |
(1) 16M x 64 |
(1) 512KB x 64 |
264MB |
(1) 16M x 64 |
(1) 16M x 64 |
(1) 1M x 64 |
272MB |
(1) 16M x 64 |
(1) 16M x 64 |
(1) 2M x 64 |
288MB |
(1) 16M x 64 |
(1) 16M x 64 |
(1) 4M x 64 |
320MB |
(1) 16M x 64 |
(1) 16M x 64 |
(1) 8M x 64 |
384MB |
(1) 16M x 64 |
(1) 16M x 64 |
(1) 16M x 64 |
512MB |
(1) 32M x 64 |
(1) 32M x 64 |
None |
516MB |
(1) 32M x 64 |
(1) 32M x 64 |
(1) 512KB x 64 |
520MB |
(1) 32M x 64 |
(1) 32M x 64 |
(1) 1M x 64 |
528MB |
(1) 32M x 64 |
(1) 32M x 64 |
(1) 2M x 64 |
544MB |
(1) 32M x 64 |
(1) 32M x 64 |
(1) 4M x 64 |
576MB |
(1) 32M x 64 |
(1) 32M x 64 |
(1) 8M x 64 |
640MB |
(1) 32M x 64 |
(1) 32M x 64 |
(1) 16M x 64 |
768MB |
(1) 32M x 64 |
(1) 32M x 64 |
(1) 32M x 64 |
| Note: Board supports SDRAM memory. | |||