FREE COMPUTER TECHNOLOGY, INC.
P6F106
| Device Type | Mainboard |
| Processor | Celeron |
| Processor Speed | 300/333/366/400/433/466/500MHz |
| Chip Set | Intel 440LX |
| Maximum Onboard Memory | 384/768MB (EDO & SDRAM supported) |
| Cache | 0/128KB (located on the Celeron CPU) |
| BIOS | Award |
| Dimensions | 220mm x 220mm |
| I/O Options | 32-bit PCI slots (3), floppy drive interface, IDE interfaces (2), parallel interface, PS/2 mouse port, serial interfaces (2), IR connector, USB interfaces (2), ATX power connector, AGP slot, SB-Link connector, Wake on LAN connector |

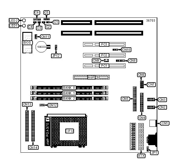
CONNECTIONS |
|||
Purpose |
Location | Purpose | Location |
| AGP slot | AGP | Floppy drive interface | CN5 |
| ATX power connector | ATX | USB interface 1 | CN6 |
| IDE interface LED | C1 | USB interface 2 | CN7 |
| Standby LED | C2 | IR connector | CN8 |
| Reset switch | C3 | SB-link connector | CN9 |
| Power switch | C4 | Wake-on-LAN connector | CN10 |
| PC Speaker | C5 | Secondary fan power | CN11 |
| Power LED & keylock | C6 | CPU fan power | CN12 |
| PS/2 mouse port | CN1 | IDE interface 1 | CN13 |
| Serial interface 1 | CN2 | IDE interface 2 | CN14 |
| Serial interface 2 | CN3 | 32-bit PCI slots | PC1 - PC3 |
| Parallel interface | CN4 | ||
USER CONFIGURABLE SETTINGS |
|||
Function |
Label |
Position |
|
| Key-in password disabled. Keyboard and PS/2 mouse use power supply's +5V. | JP1 | Pins 1 & 2 closed | |
| » | Key-in password enabled (ATX only). Keyboard and PS/2 mouse use power supply's +5Vsb (stand-by) | JP1 | Pins 2 & 3 closed |
» |
CMOS memory and password normal operation | JP12 | Pins 1 & 2 closed |
| CMOS memory and password clear | JP12 | Pins 2 & 3 closed | |
| DIMM CONFIGURATION | |||
Size |
Bank 0 |
Bank 1 |
Bank 2 |
8MB |
(1) 1M x 64 |
None |
None |
16MB |
(1) 1M x 64 |
(1) 1M x 64 |
None |
16MB |
(1) 2M x 64 |
None |
None |
24MB |
(1) 1M x 64 |
(1) 1M x 64 |
(1) 1M x 64 |
32MB |
(1) 2M x 64 |
(1) 2M x 64 |
None |
32MB |
(1) 4M x 64 |
None |
None |
32MB |
(1) 2M x 64 |
(1) 1M x 64 |
(1) 1M x 64 |
48MB |
(1) 2M x 64 |
(1) 2M x 64 |
(1) 2M x 64 |
48MB |
(1) 4M x 64 |
(1) 1M x 64 |
(1) 1M x 64 |
64MB |
(1) 4M x 64 |
(1) 4M x 64 |
None |
64MB |
(1) 8M x 64 |
None |
None |
64MB |
(1) 4M x 64 |
(1) 2M x 64 |
(1) 2M x 64 |
80MB |
(1) 8M x 64 |
(1) 1M x 64 |
(1) 1M x 64 |
96MB |
(1) 4M x 64 |
(1) 4M x 64 |
(1) 4M x 64 |
96MB |
(1) 8M x 64 |
(1) 2M x 64 |
(1) 2M x 64 |
128MB |
(1) 8M x 64 |
(1) 8M x 64 |
None |
128MB |
(1) 16M x 64 |
None |
None |
128MB |
(1) 8M x 64 |
(1) 4M x 64 |
(1) 4M x 64 |
144MB |
(1) 16M x 64 |
(1) 1M x 64 |
(1) 1M x 64 |
160MB |
(1) 16M x 64 |
(1) 2M x 64 |
(1) 2M x 64 |
192MB |
(1) 8M x 64 |
(1) 8M x 64 |
(1) 8M x 64 |
192MB |
(1) 16M x 64 |
(1) 4M x 64 |
(1) 4M x 64 |
256MB |
(1) 16M x 64 |
(1) 16M x 64 |
None |
256MB |
(1) 32M x 64* |
None |
None |
256MB |
(1) 16M x 64 |
(1) 8M x 64 |
(1) 8M x 64 |
272MB |
(1) 32M x 64* |
(1) 1M x 64 |
(1) 1M x 64 |
288MB |
(1) 32M x 64* |
(1) 2M x 64 |
(1) 2M x 64 |
320MB |
(1) 32M x 64* |
(1) 4M x 64 |
(1) 4M x 64 |
384MB |
(1) 16M x 64 |
(1) 16M x 64 |
(1) 16M x 64 |
384MB |
(1) 32M x 64* |
(1) 8M x 64 |
(1) 8M x 64 |
512MB |
(1) 32M x 64* |
(1) 32M x 64* |
None |
512MB |
(1) 32M x 64* |
(1) 16M x 64 |
(1) 16M x 64 |
768MB |
(1) 32M x 64* |
(1) 32M x 64* |
(1) 32M x 64* |
| Note: Board supports EDO &
SDRAM memory. EDO and SDRAM DIMMs can be mixed. Maximum EDO is 768MB. Maximum SDRAM is
384MB. Note: * EDO DIMM required |
|||
CACHE CONFIGURATION |
| Note: 128KB cache is located on the Celeron 300A and greater CPUs. |