GEMLIGHT COMPUTER LTD.
GMB-6290 (VER. 1.00)
| Device Type | Mainboard |
| Processor | Pentium II |
| Processor Speed | 233/266/300/333/350/400/450MHz |
| Chip Set | VIA |
| Maximum Onboard Memory | 768MB (SDRAM supported) |
| Cache | 256/512KB (located on the Pentium II CPU) |
| BIOS | Award |
| Dimensions | 220mm x 200mm |
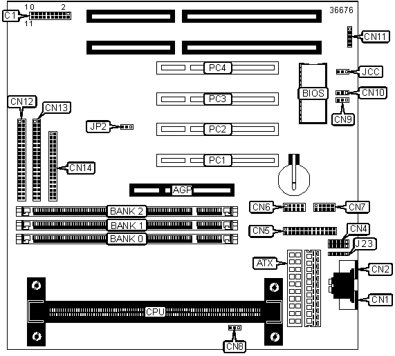
| I/O Options | 32-bit PCI slots (4), floppy drive interface, green PC connector, IDE interfaces (2), parallel port, PS/2 mouse port, PS/2 mouse interface, serial interfaces (2), IR connector, USB interface, ATX power connector, AGP slot, Wake-on-LAN connector, Wake-on-Modem connector |

CONNECTIONS |
|||
| Purpose | Location |
Purpose | Location |
| AGP slot | AGP | Parallel port | CN5 |
| ATX power connector | ATX | Serial interface 1 | CN6 |
| IDE interface LED | C1/Pins 1 & 2 | Serial interface 2 | CN7 |
| Reset switch | C1/Pins 3 & 4 | CPU fan power | CN8 |
| PC speaker | C1/Pins 5 - 8 | Wake-on-LAN connector | CN9 |
| Power switch | C1/Pins 9 & 10 | Wake-on-Modem connector | CN10 |
| Green PC switch | C1/Pins 11 & 12 | IR connector | CN11 |
| Green PC LED | C1/Pins 13 - 15 | IDE interface 1 | CN12 |
| Power LED & Keylock | C1/Pins 16 - 20 | IDE interface 2 | CN13 |
| PS/2 keyboard port | CN1 | Floppy drive interface | CN14 |
| PS/2 mouse port | CN2 | PS/2 mouse interface | J23 |
| USB interface | CN4 | 32-bit PCI slots | PC1 - PC4 |
USER CONFIGURABLE SETTINGS |
|||
Function |
Label |
Position |
|
» |
CMOS memory normal operation | JCC | Pins 2 & 3 closed |
| CMOS memory clear | JCC | Pins 1 & 2 closed | |
| CPU speed selection in setup enabled | JP2 | Pins 2 & 3 closed | |
|
CPU speed selection in setup disabled | JP2 |
Pins 1 & 2 closed |
DIMM CONFIGURATION |
|||
Size |
Bank 0 |
Bank 1 |
Bank 2 |
16MB |
(1) 2M x 64 |
None |
None |
32MB |
(1) 2M x 64 |
(1) 2M x 64 |
None |
32MB |
(1) 4M x 64 |
None |
None |
48MB |
(1) 2M x 64 |
(1) 2M x 64 |
(1) 2M x 64 |
64MB |
(1) 4M x 64 |
(1) 4M x 64 |
None |
64MB |
(1) 8M x 64 |
None |
None |
64MB |
(1) 4M x 64 |
(1) 2M x 64 |
(1) 2M x 64 |
96MB |
(1) 4M x 64 |
(1) 4M x 64 |
(1) 4M x 64 |
96MB |
(1) 8M x 64 |
(1) 2M x 64 |
(1) 2M x 64 |
128MB |
(1) 8M x 64 |
(1) 8M x 64 |
None |
128MB |
(1) 16M x 64 |
None |
None |
128MB |
(1) 8M x 64 |
(1) 4M x 64 |
(1) 4M x 64 |
160MB |
(1) 16M x 64 |
(1) 2M x 64 |
(1) 2M x 64 |
192MB |
(1) 8M x 64 |
(1) 8M x 64 |
(1) 8M x 64 |
192MB |
(1) 16M x 64 |
(1) 4M x 64 |
(1) 4M x 64 |
256MB |
(1) 16M x 64 |
(1) 16M x 64 |
None |
256MB |
(1) 32M x 64 |
None |
None |
256MB |
(1) 16M x 64 |
(1) 8M x 64 |
(1) 8M x 64 |
288MB |
(1) 32M x 64 |
(1) 2M x 64 |
(1) 2M x 64 |
320MB |
(1) 32M x 64 |
(1) 4M x 64 |
(1) 4M x 64 |
384MB |
(1) 16M x 64 |
(1) 16M x 64 |
(1) 16M x 64 |
384MB |
(1) 32M x 64 |
(1) 8M x 64 |
(1) 8M x 64 |
512MB |
(1) 32M x 64 |
(1) 32M x 64 |
None |
512MB |
(1) 32M x 64 |
(1) 16M x 64 |
(1) 16M x 64 |
768MB |
(1) 32M x 64 |
(1) 32M x 64 |
(1) 32M x 64 |
| Note: Board supports SDRAM memory. | |||
CACHE CONFIGURATION |
| Note: 256KB/512KB cache is located on the Pentium II CPUs. |