VEXTREC TECHNOLOGY INC.
GMB-P6LIAK (VER. 3.01)
| Device Type | Mainboard |
| Processor | Pentium II/Celeron |
| Processor Speed | 233/266/300/333MHz |
| Chip Set | Intel 440LX |
| Maximum Onboard Memory | 768MB (EDO & SDRAM supported) |
| Cache | 0/128/256/512KB (located on the CPU) |
| BIOS | Award |
| Dimensions | 305mm x 180mm |
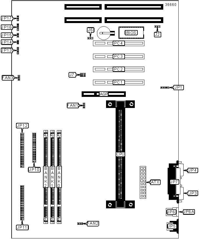
| I/O Options | 32-bit PCI slots (4), floppy drive interface, IDE interfaces (2), parallel port, PS/2 mouse port, serial ports (2), USB ports (2), IR connector, ATX power connector, AGP slot |

CONNECTIONS |
|||
| Purpose | Location |
Purpose | Location |
| AGP slot | AGP | Parallel port | JP7 |
| ATX power connector | ATX |
Floppy drive interface | JP10 |
| CPU fan power | FAN1 |
IDE interface 2 | JP11 |
| System fan power | FAN2 |
IDE interface 1 | JP12 |
| System fan power | FAN3 |
IDE interface LED | JP13 |
| IR connector | JP1 |
Power switch | JP14 |
| Serial port 1 | JP3 |
Power LED | JP15 |
| Serial port 2 | JP4 |
Reset switch | JP16 |
| PS/2 mouse port | JP5 |
Speaker | JP17 |
| USB port 1 | JP6 |
32-bit PCI slots | PC1 - PC4 |
| USB port 2 | JP6A |
||
USER CONFIGURABLE SETTINGS |
|||
Function |
Label |
Position |
|
» |
Flash BIOS voltage select 5v | J2 |
Pins 1 & 2 closed |
| Flash BIOS voltage select 12v | J2 |
Pins 2 & 3 closed |
|
» |
CMOS memory normal operation | J6 |
Pins 1 & 2 closed |
| CMOS memory clear | J6 |
Pins 2 & 3 closed |
|
DRAM CONFIGURATION |
|||
Size |
Bank 0 |
Bank 1 |
Bank 2 |
8MB |
(1) 1MB x 64 |
None |
None |
16MB |
(1) 1MB x 64 |
(1) 1MB x 64 |
None |
16MB |
(1) 2MB x 64 |
None |
None |
24MB |
(1) 1MB x 64 |
(1) 1MB x 64 |
(1) 1MB x 64 |
24MB |
(1) 2MB x 64 |
(1) 1MB x 64 |
None |
32MB |
(1) 2MB x 64 |
(1) 2MB x 64 |
None |
32MB |
(1) 4MB x 64 |
None |
None |
32MB |
(1) 2MB x 64 |
(1) 1MB x 64 |
(1) 1MB x 64 |
48MB |
(1) 2MB x 64 |
(1) 2MB x 64 |
(1) 2MB x 64 |
48MB |
(1) 4MB x 64 |
(1) 2MB x 64 |
None |
64MB |
(1) 4MB x 64 |
(1) 4MB x 64 |
None |
64MB |
(1) 8MB x 64 |
None |
None |
64MB |
(1) 4MB x 64 |
(1) 2MB x 64 |
(1) 2MB x 64 |
96MB |
(1) 4MB x 64 |
(1) 4MB x 64 |
(1) 4MB x 64 |
96MB |
(1) 8MB x 64 |
(1) 4MB x 64 |
None |
128MB |
(1) 8MB x 64 |
(1) 8MB x 64 |
None |
128MB |
(1) 16MB x 64 |
None |
None |
128MB |
(1) 8MB x 64 |
(1) 4MB x 64 |
(1) 4MB x 64 |
192MB |
(1) 8MB x 64 |
(1) 8MB x 64 |
(1) 8MB x 64 |
192MB |
(1) 16MB x 64 |
(1) 8MB x 64 |
None |
256MB |
(1) 16MB x 64 |
(1) 16MB x 64 |
None |
256MB |
(1) 32MB x 64 |
None |
None |
256MB |
(1) 16MB x 64 |
(1) 8MB x 64 |
(1) 8MB x 64 |
384MB |
(1) 16MB x 64 |
(1) 16MB x 64 |
(1) 16MB x 64 |
384MB |
(1) 32MB x 64 |
(1) 16MB x 64 |
None |
512MB |
(1) 32MB x 64 |
(1) 32MB x 64 |
None |
512MB |
(1) 32MB x 64 |
(1) 16MB x 64 |
(1) 16MB x 64 |
768MB |
(1) 32MB x 64 |
(1) 32MB x 64 |
(1) 32MB x 64 |
| Note: Maximum memory using SDRAM is 384MB, and 768MB using EDO memory. | |||
CACHE CONFIGURATION |
| Note: 256/512KB cache is located on the Pentium II CPUs. 128KB cache is located on the Celeron 300A and greater CPUs. |
CPU SPEED SELECTION (PENTIUM) |
|||||
CPU Speed |
Clock Speed |
Multiplier |
JP7/pins 1 & 2 |
JP7/pins 3 & 4 |
JP7/pins 5 & 6 |
233MHz |
66MHz |
3.5x |
Open |
Open |
Closed |
266MHz |
66MHz |
4x |
Closed |
Closed |
Open |
300MHz |
66MHz |
4.5x |
Open |
Closed |
Open |
333MHz |
66MHz |
5x |
Closed |
Open |
Open |
CPU SPEED SELECTION (CELERON) |
|||||
CPU Speed |
Clock Speed |
Multiplier |
JP7/pins 1 & 2 |
JP7/pins 3 & 4 |
JP7/pins 5 & 6 |
266MHz |
66MHz |
4x |
Closed |
Closed |
Open |
300MHz |
66MHz |
4.5x |
Open |
Closed |
Open |
333MHz |
66MHz |
5x |
Closed |
Open |
Open |
| 366MHz | 66MHz | 5.5x | Open | Open | Open |