CHAINTECH COMPUTER COMPANY, LTD.
CT-5SSV
| Device Type | Mainboard |
| Processor | CX 6X86L/IBM 6X86L/CX 686MX/IBM
6X86MX/CX M2/ AM K6/AM K6-2/AM K6III/Pentium/Pentium MMX/IDT C6/IDT Winchip 2 |
| Processor Speed | 166/180/200/225/233/240/250/266/300/333/350/366/400/450MHz |
| Chip Set | SIS |
| Video Chip Set | SIS |
| Audio Chip Set | ESS |
| Maximum Onboard Memory | 384MB (SDRAM supported) |
| Maximum Video Memory | 8MB |
| Maximum Audio Memory | Unidentified |
| Cache | 512/1024KB |
| BIOS | Award |
| Dimensions | 244mm x 220mm |
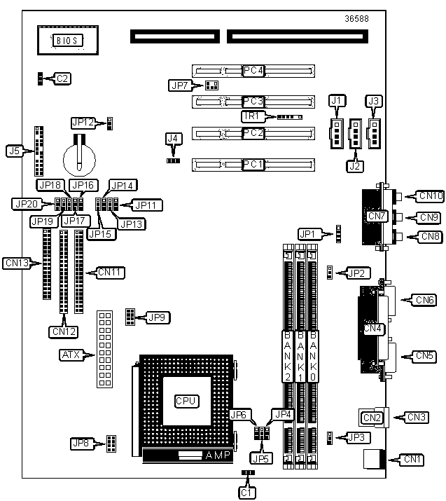
| I/O Options | 32-bit PCI slots (4), floppy drive interface, game port, green PC connector, IDE interfaces (2), parallel port, PS/2 mouse port, serial port, IR connector, USB ports (2), ATX power connector, line in, line out, microphone in, audio in - CD-ROM, SB-Link, Wake-on-LAN connector, Modem telephony connector, VGA port, Auxillary in |

CONNECTIONS |
|||
| Purpose | Location |
Purpose | Location |
| ATX power connector | ATX |
IR connector | IR1 |
| CPU fan power | C1 | Modem telephony connector | J1 |
| System fan power | C2 | Aux-in connector | J2 |
| PS/2 mouse port | CN1 | Audio in - CD-ROM | J3 |
| USB port 1 | CN2 | Wake-on-LAN connector | J4 |
| USB port 2 | CN3 | Turbo LED | J5/Pins 1 & 2 |
| Parallel port | CN4 | Green PC connector | J5/Pins 4 & 5 |
| Serial port 1 | CN5 | Green PC LED | J5/Pins 6 & 7 |
| VGA port | CN6 | Reset switch | J5/Pins 9 & 10 |
| Game port | CN7 | IDE interface LED | J5/Pins 11 & 12 |
| Line out | CN8 | Over-ride power connector | J5/Pins 13 & 14 |
| Line in | CN9 | Speaker | J5/Pins 15-18 |
| Microphone in | CN10 | Power LED & keylock | J5/Pins 20-24 |
| IDE interface 1 | CN11 | SB-Link | JP7 |
| IDE interface 2 | CN12 | 32-bit PCI slots | PC1 - PC4 |
| Floppy drive interface | CN13 | ||
USER CONFIGURABLE SETTINGS |
|||
Function |
Label |
Position |
|
|
Volume selection up | JP1 | Pins 1 & 2 closed |
| Volume selection down | JP1 |
Pins 3 & 4 closed |
|
| On-board VGA enabled | JP2 | Pins 1 & 2 closed | |
|
On-board VGA disabled | JP2 | Pins 2 & 3 closed |
| » | Keyboard power-on disabled | JP3 |
Pins 1 & 2 closed |
| Keyboard power-on enabled | JP3 | Pins 2 & 3 closed | |
| » | Core voltage not equal to I/O voltage | JP8 | Open |
| Core voltage equal to I/O voltage | JP8 | Closed | |
| I/O voltage not equal to ATX power source | JP9 | Open | |
| I/O voltage equal to ATX pwer source | JP9 | Closed | |
» |
CMOS memory normal operation | JP12 |
Pins 2 & 3 closed |
| CMOS memory clear | JP12 |
Pins 1 & 2 closed |
|
DIMM CONFIGURATION |
|||
Size |
Bank 0 |
Bank 1 |
Bank 2 |
16MB |
(1) 2M x 64 |
None |
None |
32MB |
(1) 2M x 64 |
(1) 2M x 64 |
None |
32MB |
(1) 4M x 64 |
None |
None |
48MB |
(1) 2M x 64 |
(1) 2M x 64 |
(1) 2M x 64 |
64MB |
(1) 4M x 64 |
(1) 4M x 64 |
None |
64MB |
(1) 8M x 64 |
None |
None |
64MB |
(1) 4M x 64 |
(1) 2M x 64 |
(1) 2M x 64 |
96MB |
(1) 4M x 64 |
(1) 4M x 64 |
(1) 4M x 64 |
96MB |
(1) 8M x 64 |
(1) 2M x 64 |
(1) 2M x 64 |
128MB |
(1) 8M x 64 |
(1) 8M x 64 |
None |
128MB |
(1) 16M x 64 |
None |
None |
128MB |
(1) 8M x 64 |
(1) 4M x 64 |
(1) 4M x 64 |
160MB |
(1) 16M x 64 |
(1) 2M x 64 |
(1) 2M x 64 |
192MB |
(1) 8M x 64 |
(1) 8M x 64 |
(1) 8M x 64 |
192MB |
(1) 16M x 64 |
(1) 4M x 64 |
(1) 4M x 64 |
256MB |
(1) 16M x 64 |
(1) 16M x 64 |
None |
256MB |
(1) 16M x 64 |
(1) 8M x 64 |
(1) 8M x 64 |
384MB |
(1) 16M x 64 |
(1) 16M x 64 |
(1) 16M x 64 |
| Note: Board supports SDRAM memory. | |||
CACHE CONFIGURATION |
| Note: Location and configuration of cache memory is unidentified. |
| CPU SPEED SELECTION (CX 6X86L) | ||||||
CPU speed |
Clock speed |
Multiplier |
JP11 |
JP13 | JP14 | JP15 |
166MHz |
66MHz |
2x |
2 & 3 | 2 & 3 | 2 & 3 | 1 & 2 |
200MHz |
75MHz |
2x |
1 & 2 | 2 & 3 | 2 & 3 | 1 & 2 |
Note: Designated pins should be in the closed position. |
||||||
| CPU SPEED SELECTION (CX 6X86L CON'T) | |||||
CPU speed |
Clock speed |
Multiplier |
JP4 |
JP5 | JP6 |
166MHz |
66MHz |
2x |
2 & 3 | 1 & 2 | 1 & 2 |
200MHz |
75MHz |
2x |
2 & 3 | 1 & 2 | 1 & 2 |
Note: Designated pins should be in the closed position. |
|||||
| CPU SPEED SELECTION (CX 6X86MX) | ||||||
CPU speed |
Clock speed |
Multiplier |
JP11 |
JP13 | JP14 | JP15 |
166MHz |
66MHz | 2x | 2 & 3 | 2 & 3 | 2 & 3 | 1 & 2 |
200MHz |
66MHz | 2.5x | 2 & 3 | 2 & 3 | 2 & 3 | 1 & 2 |
| 200MHz | 75MHz | 2x | 1 & 2 | 2 & 3 | 2 & 3 | 1 & 2 |
| 233MHz | 75MHz | 2.5x | 1 & 2 | 2 & 3 | 2 & 3 | 1 & 2 |
| 233MHz | 83MHz | 2x | 2 & 3 | 1 & 2 | 2 & 3 | 1 & 2 |
Note: Designated pins should be in the closed position. |
||||||
| CPU SPEED SELECTION (CX 6X86MX CON'T) | |||||
CPU speed |
Clock speed |
Multiplier |
JP4 |
JP5 | JP6 |
166MHz |
66MHz | 2x | 2 & 3 | 1 & 2 | 1 & 2 |
200MHz |
66MHz | 2.5x | 2 & 3 | 2 & 3 | 1 & 2 |
| 200MHz | 75MHz | 2x | 2 & 3 | 1 & 2 | 1 & 2 |
| 233MHz | 75MHz | 2.5x | 2 & 3 | 2 & 3 | 1 & 2 |
| 233MHz | 83MHz | 2x | 2 & 3 | 1 & 2 | 1 & 2 |
Note: Designated pins should be in the closed position. |
|||||
| CPU SPEED SELECTION (CX MII) | ||||||
CPU speed |
Clock speed |
Multiplier |
JP11 |
JP13 | JP14 | JP15 |
300MHz |
66MHz |
3.5x |
2 & 3 | 2 & 3 | 2 & 3 | 1 & 2 |
300MHz |
75MHz |
3x |
1 & 2 | 2 & 3 | 2 & 3 | 1 & 2 |
Note: Designated pins should be in the closed position. |
||||||
| CPU SPEED SELECTION (CX MII CON'T) | |||||
CPU speed |
Clock speed |
Multiplier |
JP4 |
JP5 | JP6 |
300MHz |
66MHz |
3.5x |
1 & 2 | 1 & 2 | 1 & 2 |
300MHz |
75MHz |
3x |
1 & 2 | 2 & 3 | 1 & 2 |
Note: Designated pins should be in the closed position. |
|||||
| CPU SPEED SELECTION (IBM 6X86L) | ||||||
CPU speed |
Clock speed |
Multiplier |
JP11 |
JP13 | JP14 | JP15 |
166MHz |
66MHz |
2x |
2 & 3 | 2 & 3 | 2 & 3 | 1 & 2 |
200MHz |
75MHz |
2x |
1 & 2 | 2 & 3 | 2 & 3 | 1 & 2 |
Note: Designated pins should be in the closed position. |
||||||
| CPU SPEED SELECTION (IBM 6X86L CON'T) | |||||
CPU speed |
Clock speed |
Multiplier |
JP4 |
JP5 | JP6 |
166MHz |
66MHz |
2x |
2 & 3 | 1 & 2 | 1 & 2 |
200MHz |
75MHz |
2x |
2 & 3 | 1 & 2 | 1 & 2 |
Note: Designated pins should be in the closed position. |
|||||
| CPU SPEED SELECTION (IBM 6X86MX) | ||||||
CPU speed |
Clock speed |
Multiplier |
JP11 |
JP13 | JP14 | JP15 |
166MHz |
66MHz | 2x | 2 & 3 | 2 & 3 | 2 & 3 | 1 & 2 |
200MHz |
66MHz | 2.5x | 2 & 3 | 2 & 3 | 2 & 3 | 1 & 2 |
| 200MHz | 75MHz | 2x | 1 & 2 | 2 & 3 | 2 & 3 | 1 & 2 |
| 233MHz | 75MHz | 2.5x | 1 & 2 | 2 & 3 | 2 & 3 | 1 & 2 |
| 233MHz | 83MHz | 2x | 2 & 3 | 1 & 2 | 2 & 3 | 1 & 2 |
Note: Designated pins should be in the closed position. |
||||||
| CPU SPEED SELECTION (IBM 6X86MX CON'T) | |||||
CPU speed |
Clock speed |
Multiplier |
JP4 |
JP5 | JP6 |
166MHz |
66MHz | 2x | 2 & 3 | 1 & 2 | 1 & 2 |
200MHz |
66MHz | 2.5x | 2 & 3 | 2 & 3 | 1 & 2 |
| 200MHz | 75MHz | 2x | 2 & 3 | 1 & 2 | 1 & 2 |
| 233MHz | 75MHz | 2.5x | 2 & 3 | 2 & 3 | 1 & 2 |
| 233MHz | 83MHz | 2x | 2 & 3 | 1 & 2 | 1 & 2 |
Note: Designated pins should be in the closed position. |
|||||
| CPU SPEED SELECTION (AM K6) | ||||||
CPU speed |
Clock speed |
Multiplier |
JP11 |
JP13 | JP14 | JP15 |
166MHz |
66MHz |
2.5x |
2 & 3 | 2 & 3 | 2 & 3 | 1 & 2 |
200MHz |
66MHz |
3x |
2 & 3 | 2 & 3 | 2 & 3 | 1 & 2 |
| 233MHz | 66MHz | 3.5x | 2 & 3 | 2 & 3 | 2 & 3 | 1 & 2 |
| 266MHz | 66MHz | 4x | 2 & 3 | 2 & 3 | 2 & 3 | 1 & 2 |
Note: Designated pins should be in the closed position. |
||||||
| CPU SPEED SELECTION (AM K6 CON'T) | |||||
CPU speed |
Clock speed |
Multiplier |
JP4 |
JP5 | JP6 |
166MHz |
66MHz |
2.5x |
2 & 3 | 2 & 3 | 1 & 2 |
200MHz |
66MHz |
3x |
1 & 2 | 2 & 3 | 1 & 2 |
| 233MHz | 66MHz | 3.5x | 1 & 2 | 1 & 2 | 1 & 2 |
| 266MHz | 66MHz | 4x | 2 & 3 | 1 & 2 | 2 & 3 |
Note: Designated pins should be in the closed position. |
|||||
| CPU SPEED SELECTION (AM K6-2) | ||||||
CPU speed |
Clock speed |
Multiplier |
JP11 |
JP13 | JP14 | JP15 |
266MHz |
66MHz |
4x |
2 & 3 | 2 & 3 | 2 & 3 | 1 & 2 |
300MHz |
100MHz |
3x |
2 & 3 | 2 & 3 | 1 & 2 | 1 & 2 |
| 333MHz | 95MHz | 3.5x | 1 & 2 | 1 & 2 | 2 & 3 | 1 & 2 |
| 350MHz | 100MHz | 3.5x | 2 & 3 | 2 & 3 | 1 & 2 | 1 & 2 |
| 366MHz | 66MHz | 5.5x | 2 & 3 | 2 & 3 | 2 & 3 | 1 & 2 |
| 380MHz | 95MHz | 4x | 1 & 2 | 1 & 2 | 2 & 3 | 1 & 2 |
| 400MHz | 100MHz | 4x | 2 & 3 | 2 & 3 | 1 & 2 | 1 & 2 |
| 450MHz | 100MHz | 4.5x | 2 & 3 | 2 & 3 | 1 & 2 | 1 & 2 |
Note: Designated pins should be in the closed position. |
||||||
| CPU SPEED SELECTION (AM K6-2 CON'T) | |||||
CPU speed |
Clock speed |
Multiplier |
JP4 |
JP5 | JP6 |
266MHz |
66MHz |
4x |
2 & 3 | 1 & 2 | 2 & 3 |
300MHz |
100MHz |
3x |
1 & 2 | 2 & 3 | 1 & 2 |
| 333MHz | 95MHz | 3.5x | 1 & 2 | 1 & 2 | 1 & 2 |
| 350MHz | 100MHz | 3.5x | 1 & 2 | 1 & 2 | 1 & 2 |
| 366MHz | 66MHz | 5.5x | 1 & 2 | 1 & 2 | 2 & 3 |
| 380MHz | 95MHz | 4x | 2 & 3 | 1 & 2 | 2 & 3 |
| 400MHz | 100MHz | 4x | 2 & 3 | 1 & 2 | 2 & 3 |
| 450MHz | 100MHz | 4.5x | 2 & 3 | 2 & 3 | 2 & 3 |
Note: Designated pins should be in the closed position. |
|||||
| CPU SPEED SELECTION (K6-III) | ||||||
CPU speed |
Clock speed |
Multiplier |
JP11 |
JP13 | JP14 | JP15 |
| 400MHz | 100MHz | 4x | 2 & 3 | 2 & 3 | 1 & 2 | 1 & 2 |
| 450MHz | 100MHz | 4.5x | 2 & 3 | 2 & 3 | 1 & 2 | 1 & 2 |
Note: Designated pins should be in the closed position. |
||||||
| CPU SPEED SELECTION (K6-III CON'T) | |||||
CPU speed |
Clock speed |
Multiplier |
JP4 |
JP5 | JP6 |
| 400MHz | 100MHz | 4x | 2 & 3 | 1 & 2 | 2 & 3 |
| 450MHz | 100MHz | 4.5x | 2 & 3 | 2 & 3 | 2 & 3 |
Note: Designated pins should be in the closed position. |
|||||
| CPU SPEED SELECTION (IDT C6) | ||||||
CPU speed |
Clock speed |
Multiplier |
JP11 |
JP13 | JP14 | JP15 |
180MHz |
66MHz |
3x |
2 & 3 | 2 & 3 | 2 & 3 | 1 & 2 |
225MHz |
75MHz |
3x |
1 & 2 | 2 & 3 | 2 & 3 | 1 & 2 |
Note: Designated pins should be in the closed position. |
||||||
| CPU SPEED SELECTION (IDT C6 CON'T) | |||||
CPU speed |
Clock speed |
Multiplier |
JP4 |
JP5 | JP6 |
180MHz |
66MHz |
3x |
1 & 2 | 2 & 3 | 1 & 2 |
225MHz |
75MHz |
3x |
1 & 2 | 2 & 3 | 1 & 2 |
Note: Designated pins should be in the closed position. |
|||||
| CPU SPEED SELECTION (IDT WINCHIP 2) | |||||
CPU speed |
Clock speed |
JP11 |
JP13 | JP14 | JP15 |
250MHz |
83MHz |
2 & 3 | 1 & 2 | 2 & 3 | 1 & 2 |
| 266MHz | 66MHz | 2 & 3 | 2 & 3 | 2 & 3 | 1 & 2 |
| 300MHz | 75MHz | 1 & 2 | 2 & 3 | 2 & 3 | 1 & 2 |
| 300MHz | 100MHz | 2 & 3 | 2 & 3 | 1 & 2 | 1 & 2 |
Note: Designated pins should be in the closed position. |
|||||
| CPU MULTIPLIER SELECTION (IDT WINCHIP 2) |
Note: Multiplier information for the IDT Winchip 2 is not available. |
| CPU SPEED SELECTION (PENTIUM) | ||||||
CPU speed |
Clock speed |
Multiplier |
JP11 |
JP13 | JP14 | JP15 |
166MHz |
66MHz |
2.5x |
2 & 3 | 2 & 3 | 2 & 3 | 1 & 2 |
200MHz |
66MHz |
3x |
2 & 3 | 2 & 3 | 2 & 3 | 1 & 2 |
Note: Designated pins should be in the closed position. |
||||||
| CPU SPEED SELECTION (PENTIUM CON'T) | |||||
CPU speed |
Clock speed |
Multiplier |
JP4 |
JP5 | JP6 |
166MHz |
66MHz |
2.5x |
2 & 3 | 2 & 3 | 1 & 2 |
200MHz |
66MHz |
3x |
1 & 2 | 2 & 3 | 1 & 2 |
Note: Designated pins should be in the closed position. |
|||||
| CPU SPEED SELECTION (PENTIUM MMX) | ||||||
CPU speed |
Clock speed |
Multiplier |
JP11 |
JP13 | JP14 | JP15 |
166MHz |
66MHz |
2.5x |
2 & 3 | 2 & 3 | 2 & 3 | 1 & 2 |
200MHz |
66MHz |
3x |
2 & 3 | 2 & 3 | 2 & 3 | 1 & 2 |
| 233MHz | 66MHz | 3.5x | 2 & 3 | 2 & 3 | 2 & 3 | 1 & 2 |
Note: Designated pins should be in the closed position. |
||||||
| CPU SPEED SELECTION (PENTIUM MMX CON'T) | |||||
CPU speed |
Clock speed |
Multiplier |
JP4 |
JP5 | JP6 |
166MHz |
66MHz |
2.5x |
2 & 3 | 2 & 3 | 1 & 2 |
200MHz |
66MHz |
3x |
1 & 2 | 2 & 3 | 1 & 2 |
| 233MHz | 66MHz | 3.5x | 1 & 2 | 1 & 2 | 1 & 2 |
Note: Designated pins should be in the closed position. |
|||||
CPU CORE VOLTAGE SELECTION |
|||||
Voltage |
JP16 | JP17 | JP18 | JP19 | JP20 |
| 1.8V | 1 & 2 | 2 & 3 | 1 & 2 | 2 & 3 | 2 & 3 |
| 2.0V | 1 & 2 | 2 & 3 | 2 & 3 | 2 & 3 | 2 & 3 |
| 2.2V | 1 & 2 | 2 & 3 | 1 & 2 | 1 & 2 | 1 & 2 |
| 2.4V | 1 & 2 | 1 & 2 | 2 & 3 | 1 & 2 | 1 & 2 |
| 2.5V | 2 & 3 | 1 & 2 | 2 & 3 | 1 & 2 | 1 & 2 |
| 2.8V | 1 & 2 | 1 & 2 | 1 & 2 | 2 & 3 | 1 & 2 |
| 2.9V | 2 & 3 | 1 & 2 | 1 & 2 | 2 & 3 | 1 & 2 |
| 3.1V | 2 & 3 | 2 & 3 | 1 & 2 | 2 & 3 | 1 & 2 |
| 3.2V | 1 & 2 | 1 & 2 | 2 & 3 | 2 & 3 | 1 & 2 |
| 3.3V | 2 & 3 | 1 & 2 | 2 & 3 | 2 & 3 | 1 & 2 |
| 3.5V | 2 & 3 | 2 & 3 | 2 & 3 | 2 & 3 | 1 & 2 |
| Note: Designated pins should be in the closed position. | |||||