DELL COMPUTER CORPORATION
POWEREDGE 1300
| Device Type | Mainboard |
| Processor | Pentium II |
| Processor Speed | 350/366/400/450/500MHz |
| Chip Set | Unidentified |
| Video Chip Set | ATI |
| Maximum Onboard Memory | 1GB (SDRAM supported) |
| Maximum Video Memory | Unidentified |
| Cache | 512KB |
| BIOS | Unidentified |
| Dimensions | 305mm x 244mm |
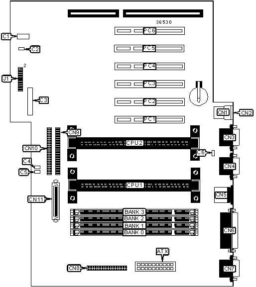
| I/O Options (backplane) | 32-bit PCI slots (6), floppy drive interface, IDE interfaces (2), SCSI interface, parallel port, PS/2 mouse port, serial ports (2), VGA port, USB connectors (2), ATX power connector |

CONNECTIONS |
|||
| Purpose | Location |
Purpose | Location |
| ATX power connector | ATX |
Serial port 1 | CN4 |
| Server management connector | C1 |
PS/2 mouse port | CN5 |
| IDE interface LED | C2 |
Parallel port | CN6 |
| Front panel connector | C3 |
VGA port | CN7 |
| Green PC connector | C4 |
Floppy drive interface | CN8 |
| Power LED | C5 |
IDE interface 2 | CN9 |
| CPU fan power | C6 |
IDE interface 1 | CN10 |
| USB connector 1 | CN1 |
SCSI interface | CN11 |
| USB connector 2 | CN2 |
32-bit PCI slots | PC1 PC6 |
| Serial port 2 | CN3 |
||
USER CONFIGURABLE SETTINGS |
|||
Function |
Label |
Position |
|
» |
Factory configured - do not alter | J1/pins 1 & 2 |
Closed |
» |
Factory configured - do not alter | J1/pins 3 & 4 |
Open |
» |
ISA configuration normal operation | J1/pins 5 & 6 |
Open |
| ISA configuration clear | J1/pins 5 & 6 |
Closed |
|
» |
Password enabled | J1/pins 7 & 8 |
Closed |
| Password disabled | J1/pins 7 & 8 |
Open |
|
» |
Factory configured - do not alter | J1/pins 17 & 18 |
Open |
» |
Factory configured - do not alter | J1/pins 19 & 20 |
Open |
DIMM CONFIGURATION |
||||
Size |
Bank 0 |
Bank 1 |
Bank 2 |
Bank 3 |
8MB |
(1) 1M x 64 |
None |
None |
None |
16MB |
(1) 2M x 64 |
None |
None |
None |
16MB |
(1) 1M x 64 |
(1) 1M x 64 |
None |
None |
24MB |
(1) 2M x 64 |
(1) 1M x 64 |
None |
None |
24MB |
(1) 1M x 64 |
(1) 1M x 64 |
(1) 1M x 64 |
None |
32MB |
(1) 4M x 64 |
None |
None |
None |
32MB |
(1) 2M x 64 |
(1) 2M x 64 |
None |
None |
32MB |
(1) 1M x 64 |
(1) 1M x 64 |
(1) 1M x 64 |
(1) 1M x 64 |
40MB |
(1) 4M x 64 |
(1) 1M x 64 |
None |
None |
48MB |
(1) 4M x 64 |
(1) 2M x 64 |
None |
None |
48MB |
(1) 2M x 64 |
(1) 2M x 64 |
(1) 2M x 64 |
None |
64MB |
(1) 2M x 64 |
(1) 2M x 64 |
(1) 2M x 64 |
(1) 2M x 64 |
64MB |
(1) 8M x 64 |
None |
None |
None |
64MB |
(1) 4M x 64 |
(1) 4M x 64 |
None |
None |
72MB |
(1) 8M x 64 |
(1) 1M x 64 |
None |
None |
80MB |
(1) 8M x 64 |
(1) 2M x 64 |
None |
None |
96MB |
(1) 8M x 64 |
(1) 4M x 64 |
None |
None |
96MB |
(1) 4M x 64 |
(1) 4M x 64 |
(1) 4M x 64 |
None |
128MB |
(1) 16M x 64 |
None |
None |
None |
128MB |
(1) 8M x 64 |
(1) 8M x 64 |
None |
None |
128MB |
(1) 4M x 64 |
(1) 4M x 64 |
(1) 4M x 64 |
(1) 4M x 64 |
136MB |
(1) 16M x 64 |
(1) 1M x 64 |
None |
None |
144MB |
(1) 16M x 64 |
(1) 2M x 64 |
None |
None |
DIMM CONFIGURATION (CONT) |
||||
Size |
Bank 0 |
Bank 1 |
Bank 2 |
Bank 3 |
176MB |
(1) 16M x 64 |
(1) 2M x 64 |
(1) 2M x 64 |
(1) 2M x 64 |
192MB |
(1) 16M x 64 |
(1) 8M x 64 |
None |
None |
192MB |
(1) 8M x 64 |
(1) 8M x 64 |
(1) 8M x 64 |
None |
256MB |
(1) 32M x 64 |
None |
None |
None |
256MB |
(1) 16M x 64 |
(1) 16M x 64 |
None |
None |
256MB |
(1) 8M x 64 |
(1) 8M x 64 |
(1) 8M x 64 |
(1) 8M x 64 |
272MB |
(1) 16M x 64 |
(1) 16M x 64 |
(1) 1M x 64 |
(1) 1M x 64 |
280MB |
(1) 32M x 64 |
(1) 1M x 64 |
(1) 1M x 64 |
(1) 1M x 64 |
288MB |
(1) 16M x 64 |
(1) 16M x 64 |
(1) 2M x 64 |
(1) 2M x 64 |
320MB |
(1) 16M x 64 |
(1) 16M x 64 |
(1) 4M x 64 |
(1) 4M x 64 |
384MB |
(1) 16M x 64 |
(1) 16M x 64 |
(1) 16M x 64 |
None |
448MB |
(1) 32M x 64 |
(1) 8M x 64 |
(1) 8M x 64 |
(1) 8M x 64 |
512MB |
(1) 32M x 64 |
(1) 32M x 64 |
None |
None |
512MB |
(1) 16M x 64 |
(1) 16M x 64 |
(1) 16M x 64 |
(1) 16M x 64 |
640MB |
(1) 32M x 64 |
(1) 16M x 64 |
(1) 16M x 64 |
(1) 16M x 64 |
768MB |
(1) 32M x 64 |
(1) 32M x 64 |
(1) 32M x 64 |
None |
1024MB |
(1) 32M x 64 |
(1) 32M x 64 |
(1) 32M x 64 |
(1) 32M x 64 |
| Note: Board accepts SDRAM memory. | ||||
VIDEO MEMORY CONFIGURATION |
| Note: 512KB cache is located on the Pentium II CPU. |
CACHE CONFIGURATION |
| Note: The size and location of the video memory is unidentified. |
CPU SPEED SELECTION |
||||
CPU speed |
Clock speed |
Multiplier |
J1/pins 9 & 10 |
J1/pins 11 & 12 |
350MHz |
100MHz |
3.5x |
Closed |
Open |
400MHz |
100MHz |
4x |
Open |
Closed |
450MHz |
100MHz |
4.5x |
Open |
Open |
500MHz |
100MHz |
5x |
Open |
Open |
CPU SPEED SELECTION (CONT) |
||||
CPU speed |
Clock speed |
Multiplier |
J1/pins 13 & 14 |
J1/pins 15 & 16 |
350MHz |
100MHz |
3.5x |
Open |
Open |
400MHz |
100MHz |
4x |
Open |
Open |
450MHz |
100MHz |
4.5x |
Closed |
Open |
500MHz |
100MHz |
5x |
Open |
Closed |