PC CHIPS MANUFACTURING, LTD.
M730
|
Device Type |
Mainboard |
|
Processor |
Pentium II/Celeron |
|
Processor Speed |
233/266/300/333/366/350/400/450/500MHz |
|
Chip Set |
Unidentified |
|
Video Chip Set |
Unidentified |
|
Maximum Onboard Memory |
768MB (SDRAM & PC100 supported) |
|
Maximum Video Memory |
Unidentified |
|
Audio Chip Set |
Unidentified |
|
Cache |
0/128/256/512KB (located on the CPU) |
|
BIOS |
AMI |
|
Dimensions |
305mm x 244mm |
|
I/O Options |
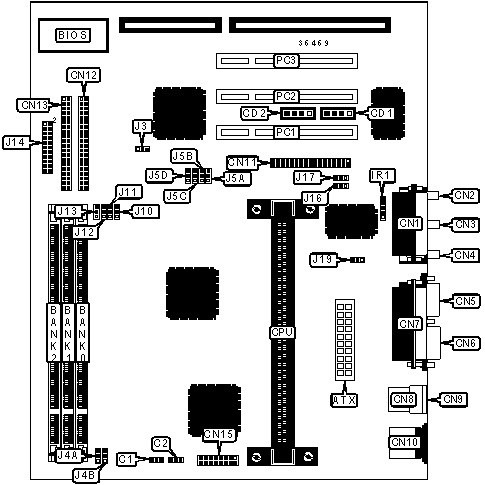
32-bit PCI slots (3), floppy drive interface, game/MIDI port, IDE interfaces (2), parallel port, PS/2 mouse port, serial ports (2), IR connector, USB connectors (2), ATX power connector, line in, line out, microphone in, audio in – CD-ROMs (2), wake on LAN connector |
|
CONNECTIONS |
|||
|
Purpose |
Location |
Purpose |
Location |
|
ATX power connector |
ATX |
Floppy drive interface |
CN11 |
|
Chassis fan power |
C1 |
IDE interface 1 |
CN12 |
|
Chassis fan power |
C2 |
IDE interface 2 |
CN13 |
|
Audio in – CD-ROM |
CD1 |
VGA interface |
CN15 |
|
Audio in – CD-ROM |
CD2 |
IR connector |
IR1 |
|
Game/MIDI port |
CN1 |
Speaker |
J14/pins 1/3/5/7 |
|
Line out |
CN2 |
Power LED & keylock |
J14/pins 2/4/6/8/10 |
|
Microphone in |
CN3 |
IDE interface LED |
J14/pins 15 & 16 |
|
Line in |
CN4 |
Reset switch |
J14/pins 17 & 18 |
|
Serial port 2 |
CN5 |
Soft off power supply |
J14/pins 21 & 22 |
|
Serial port 1 |
CN6 |
Digital audio out |
J16 |
|
Parallel port |
CN7 |
Digital audio in |
J17 |
|
USB connector 1 |
CN8 |
Wake on LAN connector |
J19 |
|
USB connector 2 |
CN9 |
32-bit PCI slots |
PC1 – PC3 |
|
PS/2 mouse port |
CN10 |
||
|
USER CONFIGURABLE SETTINGS |
|||
|
Function |
Label |
Position |
|
|
» |
CMOS memory normal operation |
J3 |
Pins 1 & 2 closed |
|
CMOS memory clear |
J3 |
Pins 2 & 3 closed |
|
|
DIMM CONFIGURATION |
|||
|
Size |
Bank 0 |
Bank 1 |
Bank 2 |
|
8MB |
(1) 1M x 64 |
None |
None |
|
16MB |
(1) 2M x 64 |
None |
None |
|
16MB |
(1) 1M x 64 |
(1) 1M x 64 |
None |
|
24MB |
(1) 2M x 64 |
(1) 1M x 64 |
None |
|
24MB |
(1) 1M x 64 |
(1) 1M x 64 |
(1) 1M x 64 |
|
32MB |
(1) 4M x 64 |
None |
None |
|
32MB |
(1) 2M x 64 |
(1) 1M x 64 |
(1) 1M x 64 |
|
32MB |
(1) 2M x 64 |
(1) 2M x 64 |
None |
|
40MB |
(1) 4M x 64 |
(1) 1M x 64 |
None |
|
40MB |
(1) 2M x 64 |
(1) 2M x 64 |
(1) 1M x 64 |
|
48MB |
(1) 4M x 64 |
(1) 1M x 64 |
(1) 1M x 64 |
|
48MB |
(1) 4M x 64 |
(1) 2M x 64 |
None |
|
48MB |
(1) 2M x 64 |
(1) 2M x 64 |
(1) 2M x 64 |
|
56MB |
(1) 4M x 64 |
(1) 2M x 64 |
(1) 1M x 64 |
|
64MB |
(1) 8M x 64 |
None |
None |
|
64MB |
(1) 4M x 64 |
(1) 2M x 64 |
(1) 2M x 64 |
|
64MB |
(1) 4M x 64 |
(1) 4M x 64 |
None |
|
72MB |
(1) 8M x 64 |
(1) 1M x 64 |
None |
|
72MB |
(1) 4M x 64 |
(1) 4M x 64 |
(1) 1M x 64 |
|
80MB |
(1) 8M x 64 |
(1) 1M x 64 |
(1) 1M x 64 |
|
80MB |
(1) 8M x 64 |
(1) 2M x 64 |
None |
|
80MB |
(1) 4M x 64 |
(1) 4M x 64 |
(1) 2M x 64 |
|
88MB |
(1) 8M x 64 |
(1) 2M x 64 |
(1) 1M x 64 |
|
96MB |
(1) 8M x 64 |
(1) 2M x 64 |
(1) 2M x 64 |
|
DIMM CONFIGURATION (CON’T) |
|||
|
Size |
Bank 0 |
Bank 1 |
Bank 2 |
|
96MB |
(1) 8M x 64 |
(1) 4M x 64 |
None |
|
96MB |
(1) 4M x 64 |
(1) 4M x 64 |
(1) 4M x 64 |
|
104MB |
(1) 8M x 64 |
(1) 4M x 64 |
(1) 1M x 64 |
|
112MB |
(1) 8M x 64 |
(1) 4M x 64 |
(1) 2M x 64 |
|
128MB |
(1) 16M x 64 |
None |
None |
|
128MB |
(1) 8M x 64 |
(1) 4M x 64 |
(1) 4M x 64 |
|
128MB |
(1) 8M x 64 |
(1) 8M x 64 |
None |
|
136MB |
(1) 16M x 64 |
(1) 1M x 64 |
None |
|
136MB |
(1) 8M x 64 |
(1) 8M x 64 |
(1) 1M x 64 |
|
144MB |
(1) 16M x 64 |
(1) 1M x 64 |
(1) 1M x 64 |
|
144MB |
(1) 16M x 64 |
(1) 2M x 64 |
None |
|
144MB |
(1) 8M x 64 |
(1) 8M x 64 |
(1) 2M x 64 |
|
152MB |
(1) 16M x 64 |
(1) 2M x 64 |
(1) 1M x 64 |
|
160MB |
(1) 16M x 64 |
(1) 2M x 64 |
(1) 2M x 64 |
|
160MB |
(1) 16M x 64 |
(1) 4M x 64 |
None |
|
160MB |
(1) 8M x 64 |
(1) 8M x 64 |
(1) 4M x 64 |
|
168MB |
(1) 16M x 64 |
(1) 4M x 64 |
(1) 1M x 64 |
|
176MB |
(1) 16M x 64 |
(1) 4M x 64 |
(1) 2M x 64 |
|
192MB |
(1) 16M x 64 |
(1) 4M x 64 |
(1) 4M x 64 |
|
192MB |
(1) 16M x 64 |
(1) 8M x 64 |
None |
|
192MB |
(1) 8M x 64 |
(1) 8M x 64 |
(1) 8M x 64 |
|
200MB |
(1) 16M x 64 |
(1) 8M x 64 |
(1) 1M x 64 |
|
208MB |
(1) 16M x 64 |
(1) 8M x 64 |
(1) 2M x 64 |
|
224MB |
(1) 16M x 64 |
(1) 8M x 64 |
(1) 4M x 64 |
|
256MB |
(1) 32M x 64 |
None |
None |
|
256MB |
(1) 16M x 64 |
(1) 8M x 64 |
(1) 8M x 64 |
|
264MB |
(1) 32M x 64 |
(1) 1M x 64 |
None |
|
272MB |
(1) 32M x 64 |
(1) 1M x 64 |
(1) 1M x 64 |
|
272MB |
(1) 32M x 64 |
(1) 2M x 64 |
None |
|
288MB |
(1) 32M x 64 |
(1) 2M x 64 |
(1) 2M x 64 |
|
288MB |
(1) 32M x 64 |
(1) 4M x 64 |
None |
|
320MB |
(1) 32M x 64 |
(1) 4M x 64 |
(1) 4M x 64 |
|
320MB |
(1) 32M x 64 |
(1) 8M x 64 |
None |
|
384MB |
(1) 32M x 64 |
(1) 8M x 64 |
(1) 8M x 64 |
|
384MB |
(1) 32M x 64 |
(1) 16M x 64 |
None |
|
384MB |
(1) 16M x 64 |
(1) 16M x 64 |
(1) 16M x 64 |
|
512MB |
(1) 32M x 64 |
(1) 16M x 64 |
(1) 16M x 64 |
|
512MB |
(1) 32M x 64 |
(1) 32M x 64 |
None |
|
768MB |
(1) 32M x 64 |
(1) 32M x 64 |
(1) 32M x 64 |
|
Note: Board accepts SDRAM & PC100 memory. |
|||
|
DIMM VOLTAGE CONFIGURATION |
|||
|
Voltage |
J4A |
J4B |
|
| » |
3.3v |
Pins 2 & 3 closed |
Pins 2 & 3 closed |
|
5v |
Pins 1 & 2 closed |
Pins 1 & 2 closed |
|
|
CACHE CONFIGURATION |
|
Note: 256KB/512KB cache is located on the Pentium II CPU. 128KB cache is located on the Celeron 300A & 333 CPU. |
|
VIDEO MEMORY CONFIGURATION |
|
Note: The location of the video memory is unidentified. |
|
CPU SPEED SELECTION (CELERON) |
||||||
|
CPU speed |
Clock speed |
Multiplier |
J5A |
J5B |
J5C |
J5D |
|
233MHz |
66MHz |
3.5x |
1 & 2 |
2 & 3 |
2 & 3 |
1 & 2 |
|
266MHz |
66MHz |
4x |
2 & 3 |
1 & 2 |
1 & 2 |
1 & 2 |
|
300MHz |
66MHz |
4.5x |
2 & 3 |
1 & 2 |
2 & 3 |
1 & 2 |
|
333MHz |
66MHz |
5x |
2 & 3 |
2 & 3 |
1 & 2 |
1 & 2 |
|
Note: Pins designated should be in the closed position. |
||||||
|
CPU SPEED SELECTION (CELERON, CON’T) |
||||||
|
CPU speed |
Clock speed |
Multiplier |
J10 |
J11 |
J12 |
J13 |
|
233MHz |
66MHz |
3.5x |
2 & 3 |
2 & 3 |
1 & 2 |
2 & 3 |
|
266MHz |
66MHz |
4x |
2 & 3 |
2 & 3 |
1 & 2 |
2 & 3 |
|
300MHz |
66MHz |
4.5x |
2 & 3 |
2 & 3 |
1 & 2 |
2 & 3 |
|
333MHz |
66MHz |
5x |
2 & 3 |
2 & 3 |
1 & 2 |
2 & 3 |
|
Note: Pins designated should be in the closed position. |
||||||
|
CPU SPEED SELECTION (PENTIUM II 66MHZ SDRAM) |
||||||
|
CPU speed |
Clock speed |
Multiplier |
J5A |
J5B |
J5C |
J5D |
|
266MHz |
66MHz |
4x |
2 & 3 |
1 & 2 |
1 & 2 |
1 & 2 |
|
300MHz |
66MHz |
4.5x |
2 & 3 |
1 & 2 |
2 & 3 |
1 & 2 |
|
333MHz |
66MHz |
5x |
2 & 3 |
2 & 3 |
1 & 2 |
1 & 2 |
|
366MHz |
66MHz |
5.5x |
2 & 3 |
2 & 3 |
2 & 3 |
1 & 2 |
|
350MHz |
100MHz |
3.5x |
1 & 2 |
2 & 3 |
2 & 3 |
1 & 2 |
|
400MHz |
100MHz |
4x |
2 & 3 |
1 & 2 |
1 & 2 |
1 & 2 |
|
450MHz |
100MHz |
4.5x |
2 & 3 |
1 & 2 |
2 & 3 |
1 & 2 |
|
500MHz |
100MHz |
5x |
2 & 3 |
2 & 3 |
1 & 2 |
1 & 2 |
|
Note: Pins designated should be in the closed position. |
||||||
|
CPU SPEED SELECTION (PENTIUM II 66MHZ SDRAM, CON’T) |
||||||
|
CPU speed |
Clock speed |
Multiplier |
J10 |
J11 |
J12 |
J13 |
|
266MHz |
66MHz |
4x |
2 & 3 |
2 & 3 |
1 & 2 |
2 & 3 |
|
300MHz |
66MHz |
4.5x |
2 & 3 |
2 & 3 |
1 & 2 |
2 & 3 |
|
333MHz |
66MHz |
5x |
2 & 3 |
2 & 3 |
1 & 2 |
2 & 3 |
|
366MHz |
66MHz |
5.5x |
2 & 3 |
2 & 3 |
1 & 2 |
2 & 3 |
|
350MHz |
100MHz |
3.5x |
1 & 2 |
1 & 2 |
1 & 2 |
2 & 3 |
|
400MHz |
100MHz |
4x |
1 & 2 |
1 & 2 |
1 & 2 |
2 & 3 |
|
450MHz |
100MHz |
4.5x |
1 & 2 |
1 & 2 |
1 & 2 |
2 & 3 |
|
500MHz |
100MHz |
5x |
1 & 2 |
1 & 2 |
1 & 2 |
2 & 3 |
|
Note: Pins designated should be in the closed position. |
||||||
|
CPU SPEED SELECTION (PENTIUM II 100MHZ SDRAM) |
||||||
|
CPU speed |
Clock speed |
Multiplier |
J5A |
J5B |
J5C |
J5D |
|
266MHz |
66MHz |
4x |
2 & 3 |
1 & 2 |
1 & 2 |
1 & 2 |
|
300MHz |
66MHz |
4.5x |
2 & 3 |
1 & 2 |
2 & 3 |
1 & 2 |
|
333MHz |
66MHz |
5x |
2 & 3 |
2 & 3 |
1 & 2 |
1 & 2 |
|
366MHz |
66MHz |
5.5x |
2 & 3 |
2 & 3 |
2 & 3 |
1 & 2 |
|
350MHz |
100MHz |
3.5x |
1 & 2 |
2 & 3 |
2 & 3 |
1 & 2 |
|
400MHz |
100MHz |
4x |
2 & 3 |
1 & 2 |
1 & 2 |
1 & 2 |
|
450MHz |
100MHz |
4.5x |
2 & 3 |
1 & 2 |
2 & 3 |
1 & 2 |
|
500MHz |
100MHz |
5x |
2 & 3 |
2 & 3 |
1 & 2 |
1 & 2 |
|
Note: Pins designated should be in the closed position. |
||||||
|
CPU SPEED SELECTION (PENTIUM II 100MHZ SDRAM, CON’T) |
||||||
|
CPU speed |
Clock speed |
Multiplier |
J10 |
J11 |
J12 |
J13 |
|
266MHz |
66MHz |
4x |
2 & 3 |
2 & 3 |
1 & 2 |
2 & 3 |
|
300MHz |
66MHz |
4.5x |
2 & 3 |
2 & 3 |
1 & 2 |
2 & 3 |
|
333MHz |
66MHz |
5x |
2 & 3 |
2 & 3 |
1 & 2 |
2 & 3 |
|
366MHz |
66MHz |
5.5x |
2 & 3 |
2 & 3 |
1 & 2 |
2 & 3 |
|
350MHz100 |
100MHz |
3.5x |
1 & 2 |
1 & 2 |
1 & 2 |
1 & 2 |
|
400MHz |
100MHz |
4x |
1 & 2 |
1 & 2 |
1 & 2 |
1 & 2 |
|
450MHz |
100MHz |
4.5x |
1 & 2 |
1 & 2 |
1 & 2 |
1 & 2 |
|
500MHz |
100MHz |
5x |
1 & 2 |
1 & 2 |
1 & 2 |
1 & 2 |
|
Note: Pins designated should be in the closed position. |
||||||