TRIGEM MICROSYSTEMS, INC.
COMO
|
Device Type |
Mainboard |
|
Processor |
Pentium II/Celeron |
|
Processor Speed |
233/266/300/333MHz |
|
Chip Set |
Intel 440EX |
|
Video Chip Set |
ATI |
|
Maximum Onboard Memory |
256MB (EDO & SDRAM supported) |
|
Maximum Video Memory |
1MB |
|
Audio Chip Set |
Unidentified |
|
Cache |
0/128/256/512KB (located on the CPU) |
|
BIOS |
Unidentified |
|
Dimensions |
243mm x 223mm |
|
I/O Options |
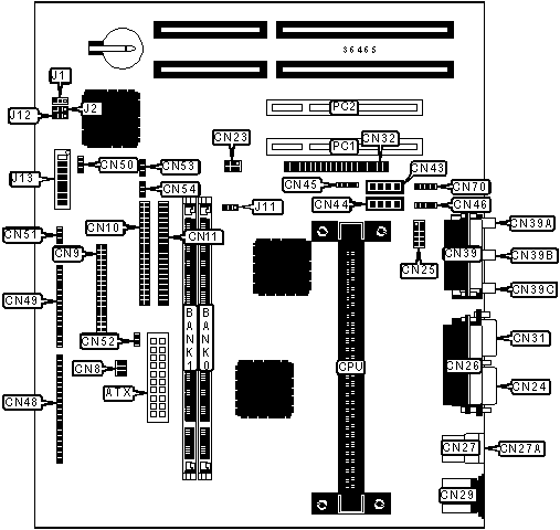
32-bit PCI slots (2), floppy drive interface, game/MIDI port, green PC connector, IDE interfaces (2), parallel port, PS/2 mouse port, serial ports (2), VGA port, IR connector, USB connectors (2), ATX power connector, line in, line out, audio in - CD-ROMs (2), SB-link connector, wake on LAN connector, wake on modem connector |

|
CONNECTIONS |
|||
|
Purpose |
Location |
Purpose |
Location |
|
ATX power connector |
ATX |
Video sound connector |
CN45 |
|
Power fan power |
CN8 |
Modem connector |
CN46 |
|
Floppy drive interface |
CN9 |
Power LED |
CN48/pins 1 - 3 |
|
IDE interface 1 |
CN10 |
IDE interface LED |
CN48/pins 5 - 7 |
|
IDE interface 2 |
CN11 |
Soft off power supply |
CN48/pins 8 - 10 |
|
SB-link connector |
CN23 |
IR connector |
CN48/pins 11 - 17 |
|
Serial port 1 |
CN24 |
Speaker |
CN48/pins 19 - 22 |
|
Serial port 2 |
CN25 |
Keylock |
CN49/pins 1 - 3 |
|
Parallel port |
CN26 |
Reset switch |
CN49/pins 4 & 5 |
|
USB connector 1 |
CN27 |
Green PC connector |
CN49/pins 7 & 8 |
|
USB connector 2 |
CN27A |
LAN LED |
CN49/pins 10 - 12 |
|
PS/2 mouse port |
CN29 |
SM bus connector |
CN49/pins 14 - 16 |
|
VGA port |
CN31 |
Wake on LAN connector |
CN50 |
|
AMC connector |
CN32 |
Wake on modem connector |
CN51 |
|
Game/MIDI port |
CN39 |
Chassis intrusion connector |
CN52 |
|
Microphone in |
CN39A |
CPU fan power |
CN53 |
|
Line in |
CN39B |
Chassis fan power |
CN54 |
|
Line out |
CN39C |
Modem connector |
CN70 |
|
Audio in - CD-ROM |
CN43 |
32-bit PCI slots |
PC1 - PC2 |
|
Audio in - CD-ROM |
CN44 |
|
|
|
USER CONFIGURABLE SETTINGS |
|||
|
Function |
Label |
Position |
|
|
» |
Factory configured - do not alter |
J1 |
Unidentified |
|
» |
Factory configured - do not alter |
J2 |
Unidentified |
|
» |
On board AGP enabled |
J11 |
Pins 2 & 3 closed |
|
|
On board AGP disabled |
J11 |
Pins 1 & 2 closed |
|
» |
Floppy drive enabled |
J12 |
Pins 2 & 3 closed |
|
|
IR enabled |
J12 |
Pins 1 & 2 closed |
|
» |
CMOS memory normal operation |
J13/5 |
On |
|
|
CMOS memory clear |
J13/5 |
Off |
|
» |
Password enabled |
J13/6 |
On |
|
|
Password disabled |
J13/6 |
Off |
|
» |
CMOS setup enabled |
J13/7 |
On |
|
|
CMOS setup disabled |
J13/7 |
Off |
|
» |
Floppy drive write protect disabled |
J13/8 |
On |
|
|
Floppy drive write protect enabled |
J13/8 |
Off |
|
DIMM CONFIGURATION |
||
|
Size |
Bank 0 |
Bank 1 |
|
8MB |
(1) 1M x 64 |
None |
|
16MB |
(1) 2M x 64 |
None |
|
16MB |
(1) 1M x 64 |
(1) 1M x 64 |
|
24MB |
(1) 2M x 64 |
(1) 1M x 64 |
|
32MB |
(1) 4M x 64 |
None |
|
32MB |
(1) 2M x 64 |
(1) 2M x 64 |
|
40MB |
(1) 4M x 64 |
(1) 1M x 64 |
|
DIMM CONFIGURATION (CON'T) |
||
|
Size |
Bank 0 |
Bank 1 |
|
48MB |
(1) 4M x 64 |
(1) 2M x 64 |
|
64MB |
(1) 8M x 64 |
None |
|
64MB |
(1) 4M x 64 |
(1) 4M x 64 |
|
72MB |
(1) 8M x 64 |
(1) 1M x 64 |
|
80MB |
(1) 8M x 64 |
(1) 2M x 64 |
|
96MB |
(1) 8M x 64 |
(1) 4M x 64 |
|
128MB |
(1) 16M x 64 |
None |
|
128MB |
(1) 8M x 64 |
(1) 8M x 64 |
|
136MB |
(1) 16M x 64 |
(1) 1M x 64 |
|
144MB |
(1) 16M x 64 |
(1) 2M x 64 |
|
160MB |
(1) 16M x 64 |
(1) 4M x 64 |
|
192MB |
(1) 16M x 64 |
(1) 8M x 64 |
|
256MB |
(1) 16M x 64 |
(1) 16M x 64 |
|
Note: Board accepts EDO & SDRAM memory. |
||
|
CACHE CONFIGURATION |
|
Note: 256KB/512KB cache is located on the Pentium II CPU. 128KB cache is located on the Celeron 300A & 333 CPU. |
|
VIDEO MEMORY CONFIGURATION |
|
Note: Video memory is factory installed and is not configurable. |
|
CPU SPEED SELECTION |
||||||
|
CPU speed |
Clock speed |
Multiplier |
J13/1 |
J13/2 |
J13/3 |
J13/4 |
|
233MHz |
66MHz |
3.5x |
On |
Off |
Off |
On |
|
266MHz |
66MHz |
4x |
Off |
On |
On |
On |
|
300MHz |
66MHz |
4.5x |
Off |
On |
Off |
On |
|
333MHz |
66MHz |
5x |
Off |
Off |
On |
On |