MICRO-STAR INTERNATIONAL CO., LTD.
MS-6153 (SOUND)
|
Device Type |
Mainboard |
|
Processor |
Celeron |
|
Processor Speed |
300/333/366/400/433/466MHz |
|
Chip Set |
Intel 440BX |
|
Maximum Onboard Memory |
768MB (SDRAM supported) |
|
Audio Chip Set |
ESS |
|
Cache |
128KB (located on Celeron CPU) |
|
BIOS |
Unidentified |
|
Dimensions |
305mm x 244mm |
|
I/O Options |
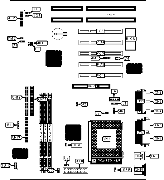
32-bit PCI slots (5), floppy drive interface, game/MIDI port, green PC connector, IDE interfaces (2), parallel port, PS/2 mouse port, serial ports (2), IR connector, USB connectors (2), ATX power connector, AGP slot, line in, line out, microphone in, audio in - CD-ROM, SB-link connector, wake on LAN connector |

|
CONNECTIONS |
|||
|
Purpose |
Location |
Purpose |
Location |
|
AGP slot |
AGP |
IDE interface 1 |
CN12 |
|
ATX power connector |
ATX |
Floppy drive interface |
CN13 |
|
Chassis fan power |
C1 |
Thermistor connector |
J2 |
|
CPU fan power |
C2 |
Audio in - CD-ROM |
J4 |
|
Power fan power |
C3 |
Auxiliary in |
J5 |
|
SB-link connector |
C4 |
Modem in connector |
J6 |
|
Wake on LAN connector |
C5 |
IR connector |
IR1 |
|
Chassis intrusion connector |
CASE |
Keylock |
JFP/pins 1 & 10 |
|
Game/MIDI port |
CN1 |
IDE interface LED |
JFP/pins 3 & 13 |
|
Microphone in |
CN2 |
Power LED |
JFP/pins 4 - 6 |
|
Line in |
CN3 |
Soft off power supply |
JFP/pins 7 & 8 |
|
Line out |
CN4 |
Speaker |
JFP/pins 13 - 16 |
|
Serial port 2 |
CN5 |
Reset switch |
JFP/pins 17 & 18 |
|
Serial port 1 |
CN6 |
Green PC LED |
JGL |
|
Parallel port |
CN7 |
Green PC connector |
JGS |
|
USB connector 1 |
CN8 |
Wake on modem connector |
JMD |
|
USB connector 2 |
CN9 |
32-bit PCI slots |
PC1 - PC5 |
|
PS/2 mouse port |
CN10 |
Remote power on/off switch |
RMS |
|
IDE interface 2 |
CN11 |
|
|
|
USER CONFIGURABLE SETTINGS |
|||
|
Function |
Label |
Position |
|
|
» |
CMOS memory normal operation |
JBAT |
Pins 1 & 2 closed |
|
|
CMOS memory clear |
JBAT |
Pins 2 & 3 closed |
|
» |
Keyboard power on disabled |
JVSB |
Pins 2 & 3 closed |
|
|
Keyboard power on enabled |
JVSB |
Pins 1 & 2 closed |
|
DIMM CONFIGURATION |
|||
|
Size |
Bank 0 |
Bank 1 |
Bank 2 |
|
8MB |
(1) 1M x 64 |
None |
None |
|
16MB |
(1) 2M x 64 |
None |
None |
|
16MB |
(1) 1M x 64 |
(1) 1M x 64 |
None |
|
24MB |
(1) 2M x 64 |
(1) 1M x 64 |
None |
|
24MB |
(1) 1M x 64 |
(1) 1M x 64 |
(1) 1M x 64 |
|
32MB |
(1) 4M x 64 |
None |
None |
|
32MB |
(1) 2M x 64 |
(1) 1M x 64 |
(1) 1M x 64 |
|
32MB |
(1) 2M x 64 |
(1) 2M x 64 |
None |
|
40MB |
(1) 4M x 64 |
(1) 1M x 64 |
None |
|
40MB |
(1) 2M x 64 |
(1) 2M x 64 |
(1) 1M x 64 |
|
48MB |
(1) 4M x 64 |
(1) 1M x 64 |
(1) 1M x 64 |
|
48MB |
(1) 4M x 64 |
(1) 2M x 64 |
None |
|
48MB |
(1) 2M x 64 |
(1) 2M x 64 |
(1) 2M x 64 |
|
56MB |
(1) 4M x 64 |
(1) 2M x 64 |
(1) 1M x 64 |
|
64MB |
(1) 8M x 64 |
None |
None |
|
64MB |
(1) 4M x 64 |
(1) 2M x 64 |
(1) 2M x 64 |
|
64MB |
(1) 4M x 64 |
(1) 4M x 64 |
None |
|
72MB |
(1) 8M x 64 |
(1) 1M x 64 |
None |
|
DIMM CONFIGURATION (CON'T) |
|||
|
Size |
Bank 0 |
Bank 1 |
Bank 2 |
|
72MB |
(1) 4M x 64 |
(1) 4M x 64 |
(1) 1M x 64 |
|
80MB |
(1) 8M x 64 |
(1) 1M x 64 |
(1) 1M x 64 |
|
80MB |
(1) 8M x 64 |
(1) 2M x 64 |
None |
|
80MB |
(1) 4M x 64 |
(1) 4M x 64 |
(1) 2M x 64 |
|
88MB |
(1) 8M x 64 |
(1) 2M x 64 |
(1) 1M x 64 |
|
96MB |
(1) 8M x 64 |
(1) 2M x 64 |
(1) 2M x 64 |
|
96MB |
(1) 8M x 64 |
(1) 4M x 64 |
None |
|
96MB |
(1) 4M x 64 |
(1) 4M x 64 |
(1) 4M x 64 |
|
104MB |
(1) 8M x 64 |
(1) 4M x 64 |
(1) 1M x 64 |
|
112MB |
(1) 8M x 64 |
(1) 4M x 64 |
(1) 2M x 64 |
|
128MB |
(1) 16M x 64 |
None |
None |
|
128MB |
(1) 8M x 64 |
(1) 4M x 64 |
(1) 4M x 64 |
|
128MB |
(1) 8M x 64 |
(1) 8M x 64 |
None |
|
136MB |
(1) 16M x 64 |
(1) 1M x 64 |
None |
|
136MB |
(1) 8M x 64 |
(1) 8M x 64 |
(1) 1M x 64 |
|
144MB |
(1) 16M x 64 |
(1) 1M x 64 |
(1) 1M x 64 |
|
144MB |
(1) 16M x 64 |
(1) 2M x 64 |
None |
|
144MB |
(1) 8M x 64 |
(1) 8M x 64 |
(1) 2M x 64 |
|
152MB |
(1) 16M x 64 |
(1) 2M x 64 |
(1) 1M x 64 |
|
160MB |
(1) 16M x 64 |
(1) 2M x 64 |
(1) 2M x 64 |
|
160MB |
(1) 16M x 64 |
(1) 4M x 64 |
None |
|
160MB |
(1) 8M x 64 |
(1) 8M x 64 |
(1) 4M x 64 |
|
168MB |
(1) 16M x 64 |
(1) 4M x 64 |
(1) 1M x 64 |
|
176MB |
(1) 16M x 64 |
(1) 4M x 64 |
(1) 2M x 64 |
|
192MB |
(1) 16M x 64 |
(1) 4M x 64 |
(1) 4M x 64 |
|
192MB |
(1) 16M x 64 |
(1) 8M x 64 |
None |
|
192MB |
(1) 8M x 64 |
(1) 8M x 64 |
(1) 8M x 64 |
|
200MB |
(1) 16M x 64 |
(1) 8M x 64 |
(1) 1M x 64 |
|
208MB |
(1) 16M x 64 |
(1) 8M x 64 |
(1) 2M x 64 |
|
224MB |
(1) 16M x 64 |
(1) 8M x 64 |
(1) 4M x 64 |
|
256MB |
(1) 32M x 64 |
None |
None |
|
256MB |
(1) 16M x 64 |
(1) 8M x 64 |
(1) 8M x 64 |
|
264MB |
(1) 32M x 64 |
(1) 1M x 64 |
None |
|
272MB |
(1) 32M x 64 |
(1) 1M x 64 |
(1) 1M x 64 |
|
272MB |
(1) 32M x 64 |
(1) 2M x 64 |
None |
|
288MB |
(1) 32M x 64 |
(1) 2M x 64 |
(1) 2M x 64 |
|
288MB |
(1) 32M x 64 |
(1) 4M x 64 |
None |
|
320MB |
(1) 32M x 64 |
(1) 4M x 64 |
(1) 4M x 64 |
|
320MB |
(1) 32M x 64 |
(1) 8M x 64 |
None |
|
384MB |
(1) 32M x 64 |
(1) 8M x 64 |
(1) 8M x 64 |
|
384MB |
(1) 32M x 64 |
(1) 16M x 64 |
None |
|
384MB |
(1) 16M x 64 |
(1) 16M x 64 |
(1) 16M x 64 |
|
512MB |
(1) 32M x 64 |
(1) 16M x 64 |
(1) 16M x 64 |
|
512MB |
(1) 32M x 64 |
(1) 32M x 64 |
None |
|
768MB |
(1) 32M x 64 |
(1) 32M x 64 |
(1) 32M x 64 |
|
Note: Board accepts SDRAM memory. |
|||
|
CACHE CONFIGURATION |
|
Note: 128KB cache is located on the Celeron CPU. |
|
CPU SPEED SELECTION |
||||
|
CPU speed |
Clock speed |
Multiplier |
SW1/pins 1 & 5 |
SW1/pins 2 & 6 |
|
333MHz |
66MHz |
5x |
Closed |
Closed |
|
366MHz |
66MHz |
5.5x |
Closed |
Open |
|
400MHz |
66MHz |
6x |
Open |
Closed |
|
433MHz |
66MHz |
6.5x |
Open |
Open |
|
466MHz |
66MHz |
7x |
Closed |
Closed |
|
CPU SPEED SELECTION (CON'T) |
||||
|
CPU speed |
Clock speed |
Multiplier |
SW1/pins 3 & 7 |
SW1/pins 4 & 8 |
|
333MHz |
66MHz |
5x |
Open |
Open |
|
366MHz |
66MHz |
5.5x |
Open |
Open |
|
400MHz |
66MHz |
6x |
Closed |
Closed |
|
433MHz |
66MHz |
6.5x |
Closed |
Closed |
|
466MHz |
66MHz |
7x |
Open |
Closed |
|
CPU FREQUENCY SELECTION |
|
|
Speed |
J9 |
|
Auto detect |
Closed |
|
66MHz |
Open |