ASUS COMPUTER INTERNATIONAL
P2B-S (VER. 1.03), P2B-LS (VER. 1.03)
|
Device Type |
Mainboard |
|
Processor |
Pentium II |
|
Processor Speed |
233/266/300/333/350/400MHz |
|
Chip Set |
Intel 440BX |
|
Maximum Onboard Memory |
512MB (SDRAM & PC100 supported) |
|
Cache |
256/512KB (located on Pentium II CPU) |
|
BIOS |
Unidentified |
|
Dimensions |
305mm x 244mm |
|
I/O Options |
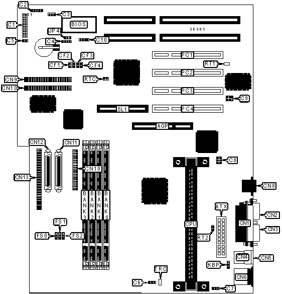
32-bit PCI slots (4), Ethernet 10BaseT connector, floppy drive interface, green PC connector, IDE interfaces (2), SCSI interface, SCSI-2 interface, parallel port, PS/2 mouse port, serial ports (2), IR connector, USB connectors (2), ATX power connector, AGP slot, RAID slot, SB-link connector |

|
CONNECTIONS |
|||
|
Purpose |
Location |
Purpose |
Location |
|
AGP slot |
AGP |
Parallel port |
CN1 |
|
ATX power connector |
ATX |
Serial port 2 |
CN2 |
|
Turbo LED |
C1/pins 2 & 3 |
Serial port 1 |
CN3 |
|
Green PC connector |
C1/pins 4 & 5 |
USB connector 1 |
CN4 |
|
Soft off power supply |
C1/pins 6 & 7 |
USB connector 2 |
CN5 |
|
Reset switch |
C1/pins 9 & 10 |
PS/2 mouse port |
CN6 |
|
Power LED & keylock |
C1/pins 11 - 15 |
IDE interface 1 |
CN7 |
|
Speaker |
C1/pins 17 - 20 |
IDE interface 2 |
CN8 |
|
IR connector |
C2 |
Floppy drive interface |
CN9 |
|
Chassis fan power |
C3 |
Ultra 2 SCSI interface |
CN10 |
|
Chassis intrusion connector |
C4 |
Wide SCSI interface |
CN11 |
|
IDE interface LED |
C5 |
SCSI interface |
CN12 |
|
CPU fan power |
C6 |
Ethernet 10BaseT connector |
CN13 |
|
Power fan power |
C7 |
Power supply heat sensor |
RT2 |
|
LAN LED |
C8 |
32-bit PCI slots |
PC1 - PC4 |
|
SB-link connector |
C9 |
RAID slot |
SL1 |
|
External battery |
C10 |
|
|
|
USER CONFIGURABLE SETTINGS |
|||
|
Function |
Label |
Position |
|
|
» |
Factory configured - do not alter |
JP4 |
Unidentified |
|
» |
Keyboard power up disabled |
KBP |
Pins 1 & 2 closed |
|
|
Keyboard power up enabled |
KBP |
Pins 2 & 3 closed |
|
» |
CMOS memory normal operation |
RTC |
Open |
|
|
CMOS memory clear |
RTC |
Closed |
|
» |
Factory configured - do not alter |
RT1 |
Unidentified |
|
» |
Factory configured - do not alter |
TRC |
Unidentified |
|
DIMM CONFIGURATION |
||
|
Size |
Bank 0 |
Bank 1 |
|
8MB |
(1) 1M x 64 |
None |
|
16MB |
(1) 2M x 64 |
None |
|
16MB |
(1) 1M x 64 |
(1) 1M x 64 |
|
24MB |
(1) 2M x 64 |
(1) 1M x 64 |
|
32MB |
(1) 4M x 64 |
None |
|
32MB |
(1) 2M x 64 |
(1) 2M x 64 |
|
40MB |
(1) 4M x 64 |
(1) 1M x 64 |
|
48MB |
(1) 4M x 64 |
(1) 2M x 64 |
|
64MB |
(1) 8M x 64 |
None |
|
64MB |
(1) 4M x 64 |
(1) 4M x 64 |
|
72MB |
(1) 8M x 64 |
(1) 1M x 64 |
|
80MB |
(1) 8M x 64 |
(1) 2M x 64 |
|
96MB |
(1) 8M x 64 |
(1) 4M x 64 |
|
128MB |
(1) 8M x 64 |
(1) 8M x 64 |
|
128MB |
(1) 16M x 64 |
None |
|
DIMM CONFIGURATION |
||
|
Size |
Bank 0 |
Bank 1 |
|
164MB |
(1) 16M x 64 |
(1) 1M x 64 |
|
144MB |
(1) 16M x 64 |
(1) 2M x 64 |
|
160MB |
(1) 16M x 64 |
(1) 4M x 64 |
|
192MB |
(1) 16M x 64 |
(1) 8M x 64 |
|
256MB |
(1) 16M x 64 |
(1) 16M x 64 |
|
256MB |
(1) 32M x 64 |
None |
|
264MB |
(1) 32M x 64 |
(1) 1M x 64 |
|
272MB |
(1) 32M x 64 |
(1) 2M x 64 |
|
288MB |
(1) 32M x 64 |
(1) 4M x 64 |
|
320MB |
(1) 32M x 64 |
(1) 8M x 64 |
|
384MB |
(1) 32M x 64 |
(1) 16M x 64 |
|
512MB |
(1) 32M x 64 |
(1) 32M x 64 |
|
Note: Board accepts SDRAM & PC100 memory. |
||
|
CACHE CONFIGURATION |
|
Note: 256KB/512KB cache is located on the Pentium II CPU. |
|
CPU SPEED SELECTION |
|||||
|
CPU speed |
Clock speed |
Multiplier |
FS0 |
FS1 |
FS2 |
|
233MHz |
66MHz |
3.5x |
2 & 3 |
1 & 2 |
1 & 2 |
|
266MHz |
66MHz |
4x |
2 & 3 |
1 & 2 |
1 & 2 |
|
300MHz |
66MHz |
4.5x |
2 & 3 |
1 & 2 |
1 & 2 |
|
300MHz |
100MHz |
3x |
1 & 2 |
1 & 2 |
1 & 2 |
|
333MHz |
66MHz |
5x |
2 & 3 |
1 & 2 |
1 & 2 |
|
350MHz |
100MHz |
3.5x |
1 & 2 |
1 & 2 |
1 & 2 |
|
400MHz |
100MHz |
4x |
1 & 2 |
1 & 2 |
1 & 2 |
|
Note: Pins designated should be in the closed position. |
|||||
|
CPU SPEED SELECTION (CON'T) |
||||||
|
CPU speed |
Clock speed |
Multiplier |
CF1 |
CF2 |
CF3 |
CF4 |
|
233MHz |
66MHz |
3.5x |
Open |
Open |
Closed |
Closed |
|
266MHz |
66MHz |
4x |
Closed |
Closed |
Open |
Closed |
|
300MHz |
66MHz |
4.5x |
Open |
Closed |
Open |
Closed |
|
300MHz |
100MHz |
3x |
Closed |
Open |
Closed |
Closed |
|
333MHz |
66MHz |
5x |
Closed |
Open |
Open |
Closed |
|
350MHz |
100MHz |
3.5x |
Open |
Open |
Closed |
Closed |
|
400MHz |
100MHz |
4x |
Closed |
Closed |
Open |
Closed |