J-MARK COMPUTER CORPORATION
J-7BXA, J-7BXA/L
|
Device Type |
Mainboard |
|
Processor |
Pentium II |
|
Processor Speed |
200/233/266/300/333MHz |
|
Chip Set |
Intel 440BX |
|
Maximum Onboard Memory |
768MB (EDO & SDRAM supported) |
|
Cache |
256/512KB (located on Pentium II CPU) |
|
BIOS |
Award |
|
Dimensions |
305mm x 190mm |
|
I/O Options |
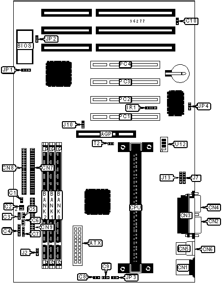
32-bit PCI slots (4), floppy drive interface, green PC connector, IDE interfaces (2), parallel port, PS/2 mouse port, serial ports (2), IR connector, USB connectors (2), ATX power connector, AGP slot |

|
CONNECTIONS |
|||
|
Purpose |
Location |
Purpose |
Location |
|
AGP slot |
AGP |
Chassis fan power |
C10 |
|
ATX power connector |
ATX |
PS/2 mouse port |
CN1 |
|
Soft off power supply |
C1 |
Serial port |
CN2 |
|
IDE interface LED |
C2/pins 1 & 3 |
Parallel port |
CN3 |
|
Green PC connector |
C2/pins 2 & 4 |
Serial port |
CN4 |
|
Turbo switch |
C3 |
USB connector 1 |
CN5 |
|
Power LED & keylock |
C4 |
USB connector 2 |
CN6 |
|
Turbo LED |
C5 |
IDE interface 1 |
CN7 |
|
Reset switch |
C6 |
IDE interface 2 |
CN8 |
|
Speaker |
C7 |
Floppy drive interface |
CN9 |
|
Chassis fan power |
C8 |
IR connector |
IR1 |
|
Chassis fan power |
C9 |
32-bit PCI slots |
PC1 - PC4 |
|
USER CONFIGURABLE SETTINGS |
|||
|
Function |
Label |
Position |
|
|
» |
Factory configured - do not alter |
J2 |
Unidentified |
|
» |
Factory configured - do not alter |
J7 |
Unidentified |
|
» |
Factory configured - do not alter |
J13 |
Unidentified |
|
» |
CMOS memory normal operation |
JP1 |
Pins 2 & 3 closed |
|
|
CMOS memory clear |
JP1 |
Pins 3 & 4 closed |
|
|
Battery type select external |
JP1 |
Closed |
|
|
Flash BIOS voltage select 12v |
JP2 |
Pins 1 & 2 closed |
|
|
Flash BIOS voltage select 5v |
JP2 |
Pins 2 & 3 closed |
|
» |
Factory configured - do not alter |
JP3 |
Unidentified |
|
» |
Factory configured - do not alter |
JP4 |
Unidentified |
|
» |
Factory configured - do not alter |
T2 |
Unidentified |
|
DIMM CONFIGURATION |
|||
|
Size |
Bank 0 |
Bank 1 |
Bank 2 |
|
8MB |
(1) 1M x 64 |
None |
None |
|
16MB |
(1) 2M x 64 |
None |
None |
|
16MB |
(1) 1M x 64 |
(1) 1M x 64 |
None |
|
24MB |
(1) 2M x 64 |
(1) 1M x 64 |
None |
|
24MB |
(1) 1M x 64 |
(1) 1M x 64 |
(1) 1M x 64 |
|
32MB |
(1) 4M x 64 |
None |
None |
|
32MB |
(1) 2M x 64 |
(1) 1M x 64 |
(1) 1M x 64 |
|
32MB |
(1) 2M x 64 |
(1) 2M x 64 |
None |
|
40MB |
(1) 4M x 64 |
(1) 1M x 64 |
None |
|
40MB |
(1) 2M x 64 |
(1) 2M x 64 |
(1) 1M x 64 |
|
48MB |
(1) 4M x 64 |
(1) 1M x 64 |
(1) 1M x 64 |
|
48MB |
(1) 4M x 64 |
(1) 2M x 64 |
None |
|
48MB |
(1) 2M x 64 |
(1) 2M x 64 |
(1) 2M x 64 |
|
DIMM CONFIGURATION (CON'T) |
|||
|
Size |
Bank 0 |
Bank 1 |
Bank 2 |
|
56MB |
(1) 4M x 64 |
(1) 2M x 64 |
(1) 1M x 64 |
|
64MB |
(1) 8M x 64 |
None |
None |
|
64MB |
(1) 4M x 64 |
(1) 2M x 64 |
(1) 2M x 64 |
|
64MB |
(1) 4M x 64 |
(1) 4M x 64 |
None |
|
72MB |
(1) 8M x 64 |
(1) 1M x 64 |
None |
|
72MB |
(1) 4M x 64 |
(1) 4M x 64 |
(1) 1M x 64 |
|
80MB |
(1) 8M x 64 |
(1) 1M x 64 |
(1) 1M x 64 |
|
80MB |
(1) 8M x 64 |
(1) 2M x 64 |
None |
|
80MB |
(1) 4M x 64 |
(1) 4M x 64 |
(1) 2M x 64 |
|
96MB |
(1) 8M x 64 |
(1) 4M x 64 |
None |
|
96MB |
(1) 4M x 64 |
(1) 4M x 64 |
(1) 4M x 64 |
|
104MB |
(1) 8M x 64 |
(1) 4M x 64 |
(1) 1M x 64 |
|
112MB |
(1) 8M x 64 |
(1) 4M x 64 |
(1) 2M x 64 |
|
128MB |
(1) 16M x 64 |
None |
None |
|
128MB |
(1) 8M x 64 |
(1) 4M x 64 |
(1) 4M x 64 |
|
128MB |
(1) 8M x 64 |
(1) 8M x 64 |
None |
|
136MB |
(1) 16M x 64 |
(1) 1M x 64 |
None |
|
160MB |
(1) 16M x 64 |
(1) 2M x 64 |
(1) 2M x 64 |
|
160MB |
(1) 16M x 64 |
(1) 4M x 64 |
None |
|
192MB |
(1) 16M x 64 |
(1) 4M x 64 |
(1) 4M x 64 |
|
192MB |
(1) 16M x 64 |
(1) 8M x 64 |
None |
|
192MB |
(1) 8M x 64 |
(1) 8M x 64 |
(1) 8M x 64 |
|
200MB |
(1) 16M x 64 |
(1) 8M x 64 |
(1) 1M x 64 |
|
256MB |
(1) 32M x 64 |
None |
None |
|
256MB |
(1) 16M x 64 |
(1) 8M x 64 |
(1) 8M x 64 |
|
264MB |
(1) 32M x 64 |
(1) 1M x 64 |
None |
|
272MB |
(1) 32M x 64 |
(1) 1M x 64 |
(1) 1M x 64 |
|
272MB |
(1) 32M x 64 |
(1) 2M x 64 |
None |
|
288MB |
(1) 32M x 64 |
(1) 2M x 64 |
(1) 2M x 64 |
|
288MB |
(1) 32M x 64 |
(1) 4M x 64 |
None |
|
320MB |
(1) 32M x 64 |
(1) 4M x 64 |
(1) 4M x 64 |
|
320MB |
(1) 32M x 64 |
(1) 8M x 64 |
None |
|
384MB |
(1) 32M x 64 |
(1) 8M x 64 |
(1) 8M x 64 |
|
384MB |
(1) 32M x 64 |
(1) 16M x 64 |
None |
|
384MB |
(1) 16M x 64 |
(1) 16M x 64 |
(1) 16M x 64 |
|
512MB |
(1) 32M x 64 |
(1) 16M x 64 |
(1) 16M x 64 |
|
512MB |
(1) 32M x 64 |
(1) 32M x 64 |
None |
|
768MB |
(1) 32M x 64 |
(1) 32M x 64 |
(1) 32M x 64 |
|
Note: Board accepts EDO & SDRAM memory. |
|||
|
CACHE CONFIGURATION |
|
Note: 256KB/512KB cache is located on the Pentium II CPU. |
|
CPU SPEED SELECTION |
||||||
|
CPU speed |
Clock speed |
Multiplier |
U12/1 |
U12/2 |
U12/3 |
U12/4 |
|
200MHz |
66MHz |
3x |
On |
On |
On |
Off |
|
233MHz |
66MHz |
3.5x |
On |
On |
Off |
Off |
|
266MHz |
66MHz |
4x |
On |
Off |
On |
On |
|
300MHz |
66MHz |
4.5x |
On |
Off |
Off |
On |
|
333MHz |
66MHz |
5x |
Off |
On |
Off |
On |
|
CPU BUS FREQUENCY SELECTION |
||
|
Speed |
J10 |
|
|
|
66MHz |
Pins 2 & 3 closed |
|
» |
100MHz |
Pins 1 & 2 closed |