FREE COMPUTER TECHNOLOGY, INC.
P5F103
|
Device Type |
Mainboard |
|
Processor |
CX 6X86/IBM 6X86/CX 6X86L/IBM 6X86L/CX 686MX/IBM 6X86MX/CX M1/CX M2/CX MII/AM K5/AM K6/Pentium/Pentium MMX |
|
Processor Speed |
90/100/120/133/150/166/200/233/266/300/333/350/450MHz |
|
Chip Set |
ALI Aladdin |
|
Maximum Onboard Memory |
768MB (EDO & SDRAM supported) |
|
Audio Chip Set |
ESS |
|
Cache |
512/1024KB |
|
BIOS |
Unidentified |
|
Dimensions |
305mm x 190mm |
|
I/O Options |
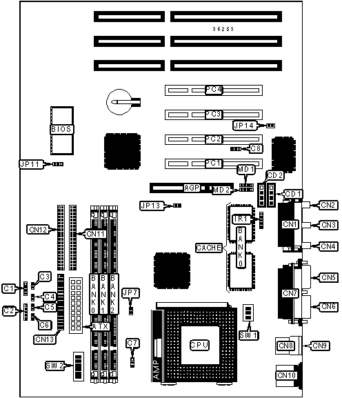
32-bit PCI slots (4), floppy drive interface, game/MIDI port, IDE interfaces (2), parallel port, PS/2 mouse port, serial ports (2), IR connector, USB connectors (2), ATX power connector, AGP slot, line in, line out, microphone in, audio in - CD-ROMs (2), SB-link connector, wake on LAN connector |

|
CONNECTIONS |
|||
|
Purpose |
Location |
Purpose |
Location |
|
AGP slot |
AGP |
Line out |
CN4 |
|
ATX power connector |
ATX |
Serial port 2 |
CN5 |
|
Speaker |
C1 |
Serial port 1 |
CN6 |
|
Power LED & keylock |
C2 |
Parallel port |
CN7 |
|
IDE interface LED |
C3 |
USB connector 1 |
CN8 |
|
Green PC LED |
C4 |
USB connector 2 |
CN9 |
|
Reset switch |
C5 |
PS/2 mouse port |
CN10 |
|
Soft off power supply |
C6 |
Floppy drive interface |
CN11 |
|
Chassis fan power |
C7 |
IDE interface 2 |
CN12 |
|
Wake on LAN connector |
C8 |
IDE interface 1 |
CN13 |
|
Audio in - CD-ROM |
CD1 |
IR connector |
IR1 |
|
Audio in - CD-ROM |
CD2 |
Modem connector |
MD1 |
|
Game/MIDI port |
CN1 |
Modem connector |
MD2 |
|
Microphone in |
CN2 |
32-bit PCI slots |
PC1 - PC4 |
|
Line in |
CN3 |
|
|
|
USER CONFIGURABLE SETTINGS |
|||
|
Function |
Label |
Position |
|
|
» |
CMOS memory normal operation |
JP11 |
Pins 1 & 2 closed |
|
|
CMOS memory clear |
JP11 |
Pins 2 & 3 closed |
|
|
Over clock disabled |
JP13 |
Open |
|
|
Over clock enabled |
JP13 |
Closed |
|
» |
On board sound disabled |
JP14 |
Open |
|
|
On board sound enabled |
JP14 |
Closed |
|
DIMM CONFIGURATION |
|||
|
Size |
Bank 0 |
Bank 1 |
Bank 2 |
|
8MB |
(1) 1M x 64 |
None |
None |
|
16MB |
(1) 2M x 64 |
None |
None |
|
16MB |
(1) 1M x 64 |
(1) 1M x 64 |
None |
|
24MB |
(1) 2M x 64 |
(1) 1M x 64 |
None |
|
24MB |
(1) 1M x 64 |
(1) 1M x 64 |
(1) 1M x 64 |
|
32MB |
(1) 4M x 64 |
None |
None |
|
32MB |
(1) 2M x 64 |
(1) 1M x 64 |
(1) 1M x 64 |
|
32MB |
(1) 2M x 64 |
(1) 2M x 64 |
None |
|
40MB |
(1) 4M x 64 |
(1) 1M x 64 |
None |
|
40MB |
(1) 2M x 64 |
(1) 2M x 64 |
(1) 1M x 64 |
|
48MB |
(1) 4M x 64 |
(1) 1M x 64 |
(1) 1M x 64 |
|
48MB |
(1) 4M x 64 |
(1) 2M x 64 |
None |
|
48MB |
(1) 2M x 64 |
(1) 2M x 64 |
(1) 2M x 64 |
|
56MB |
(1) 4M x 64 |
(1) 2M x 64 |
(1) 1M x 64 |
|
64MB |
(1) 8M x 64 |
None |
None |
|
DIMM CONFIGURATION (CON'T) |
|||
|
Size |
Bank 0 |
Bank 1 |
Bank 2 |
|
64MB |
(1) 4M x 64 |
(1) 2M x 64 |
(1) 2M x 64 |
|
64MB |
(1) 4M x 64 |
(1) 4M x 64 |
None |
|
72MB |
(1) 8M x 64 |
(1) 1M x 64 |
None |
|
72MB |
(1) 4M x 64 |
(1) 4M x 64 |
(1) 1M x 64 |
|
80MB |
(1) 8M x 64 |
(1) 1M x 64 |
(1) 1M x 64 |
|
80MB |
(1) 8M x 64 |
(1) 2M x 64 |
None |
|
80MB |
(1) 4M x 64 |
(1) 4M x 64 |
(1) 2M x 64 |
|
88MB |
(1) 8M x 64 |
(1) 2M x 64 |
(1) 1M x 64 |
|
96MB |
(1) 8M x 64 |
(1) 2M x 64 |
(1) 2M x 64 |
|
96MB |
(1) 8M x 64 |
(1) 4M x 64 |
None |
|
96MB |
(1) 4M x 64 |
(1) 4M x 64 |
(1) 4M x 64 |
|
104MB |
(1) 8M x 64 |
(1) 4M x 64 |
(1) 1M x 64 |
|
112MB |
(1) 8M x 64 |
(1) 4M x 64 |
(1) 2M x 64 |
|
128MB |
(1) 16M x 64 |
None |
None |
|
128MB |
(1) 8M x 64 |
(1) 4M x 64 |
(1) 4M x 64 |
|
144MB |
(1) 16M x 64 |
(1) 1M x 64 |
(1) 1M x 64 |
|
144MB |
(1) 16M x 64 |
(1) 2M x 64 |
None |
|
144MB |
(1) 8M x 64 |
(1) 8M x 64 |
(1) 2M x 64 |
|
152MB |
(1) 16M x 64 |
(1) 2M x 64 |
(1) 1M x 64 |
|
160MB |
(1) 16M x 64 |
(1) 2M x 64 |
(1) 2M x 64 |
|
192MB |
(1) 16M x 64 |
(1) 4M x 64 |
(1) 4M x 64 |
|
192MB |
(1) 16M x 64 |
(1) 8M x 64 |
None |
|
192MB |
(1) 8M x 64 |
(1) 8M x 64 |
(1) 8M x 64 |
|
256MB |
(1) 32M x 64 |
None |
None |
|
256MB |
(1) 16M x 64 |
(1) 8M x 64 |
(1) 8M x 64 |
|
264MB |
(1) 32M x 64 |
(1) 1M x 64 |
None |
|
288MB |
(1) 32M x 64 |
(1) 4M x 64 |
None |
|
320MB |
(1) 32M x 64 |
(1) 4M x 64 |
(1) 4M x 64 |
|
320MB |
(1) 32M x 64 |
(1) 8M x 64 |
None |
|
384MB |
(1) 32M x 64 |
(1) 8M x 64 |
(1) 8M x 64 |
|
384MB |
(1) 32M x 64 |
(1) 16M x 64 |
None |
|
384MB |
(1) 16M x 64 |
(1) 16M x 64 |
(1) 16M x 64 |
|
512MB |
(1) 32M x 64 |
(1) 16M x 64 |
(1) 16M x 64 |
|
512MB |
(1) 32M x 64 |
(1) 32M x 64 |
None |
|
768MB |
(1) 32M x 64 |
(1) 32M x 64 |
(1) 32M x 64 |
|
Note: Board accepts EDO & SDRAM memory. |
|||
|
CACHE CONFIGURATION |
|
|
Size |
Bank 0 |
|
512KB |
(2) 64K x 32 |
|
1MB |
(2) 128 x 32 |
|
CPU SPEED SELECTION (CX 6X86L) |
||||||||
|
CPU speed |
Clock speed |
Multiplier |
SW2/1 |
SW2/2 |
SW2/3 |
SW2/4 |
SW2/5 |
SW2/6 |
|
150MHz |
60MHz |
2x |
On |
Off |
Off |
On |
On |
On |
|
166MHz |
66MHz |
2x |
On |
Off |
Off |
Off |
On |
On |
|
200MHz |
75MHz |
2x |
On |
Off |
Off |
On |
On |
Off |
|
CPU SPEED SELECTION (IBM 6X86L) |
||||||||
|
CPU speed |
Clock speed |
Multiplier |
SW2/1 |
SW2/2 |
SW2/3 |
SW2/4 |
SW2/5 |
SW2/6 |
|
150MHz |
60MHz |
2x |
On |
Off |
Off |
On |
On |
On |
|
166MHz |
66MHz |
2x |
On |
Off |
Off |
Off |
On |
On |
|
200MHz |
75MHz |
2x |
On |
Off |
Off |
On |
On |
Off |
|
CPU SPEED SELECTION (CX 6X86MX) |
||||||||
|
CPU speed |
Clock speed |
Multiplier |
SW2/1 |
SW2/2 |
SW2/3 |
SW2/4 |
SW2/5 |
SW2/6 |
|
166MHz |
60MHz |
2.5x |
On |
On |
Off |
On |
On |
On |
|
166MHz |
66MHz |
2x |
On |
Off |
Off |
Off |
On |
On |
|
200MHz |
75MHz |
2.5x |
On |
On |
Off |
On |
On |
Off |
|
233MHz |
75MHz |
2.5x |
On |
On |
Off |
On |
On |
Off |
|
233MHz |
66MHz |
3x |
Off |
On |
Off |
Off |
On |
On |
|
CPU SPEED SELECTION (IBM 6X86MX) |
||||||||
|
CPU speed |
Clock speed |
Multiplier |
SW2/1 |
SW2/2 |
SW2/3 |
SW2/4 |
SW2/5 |
SW2/6 |
|
166MHz |
60MHz |
2.5x |
On |
On |
Off |
On |
On |
On |
|
166MHz |
66MHz |
2x |
On |
Off |
Off |
Off |
On |
On |
|
200MHz |
75MHz |
2.5x |
On |
On |
Off |
On |
On |
Off |
|
233MHz |
75MHz |
2.5x |
On |
On |
Off |
On |
On |
Off |
|
233MHz |
66MHz |
3x |
Off |
On |
Off |
Off |
On |
On |
|
CPU SPEED SELECTION (CX MII) |
||||||||
|
CPU speed |
Clock speed |
Multiplier |
SW2/1 |
SW2/2 |
SW2/3 |
SW2/4 |
SW2/5 |
SW2/6 |
|
233MHz |
75MHz |
2.5x |
On |
On |
Off |
On |
On |
Off |
|
233MHz |
66MHz |
3x |
Off |
On |
Off |
Off |
On |
On |
|
266MHz |
83MHz |
2.5x |
On |
On |
Off |
Off |
On |
Off |
|
333MHz |
83MHz |
3x |
Off |
On |
Off |
Off |
On |
Off |
|
CPU SPEED SELECTION (IBM MII) |
||||||||
|
CPU speed |
Clock speed |
Multiplier |
SW2/1 |
SW2/2 |
SW2/3 |
SW2/4 |
SW2/5 |
SW2/6 |
|
233MHz |
75MHz |
2.5x |
On |
On |
Off |
On |
On |
Off |
|
233MHz |
66MHz |
3x |
Off |
On |
Off |
Off |
On |
On |
|
266MHz |
83MHz |
2.5x |
On |
On |
Off |
Off |
On |
Off |
|
333MHz |
83MHz |
3x |
Off |
On |
Off |
Off |
On |
Off |
|
CPU SPEED SELECTION (AM K5) |
||||||||
|
CPU speed |
Clock speed |
Multiplier |
SW2/1 |
SW2/2 |
SW2/3 |
SW2/4 |
SW2/5 |
SW2/6 |
|
120MHz |
60MHz |
1.5x |
Off |
Off |
Off |
On |
On |
On |
|
133MHz |
66MHz |
1.5x |
Off |
Off |
Off |
Off |
On |
On |
|
150MHz |
60MHz |
1.75x |
On |
Off |
Off |
On |
On |
On |
|
166MHz |
66MHz |
1.75x |
On |
Off |
Off |
Off |
On |
On |
|
CPU SPEED SELECTION (AM K6) |
||||||||
|
CPU speed |
Clock speed |
Multiplier |
SW2/1 |
SW2/2 |
SW2/3 |
SW2/4 |
SW2/5 |
SW2/6 |
|
166MHz |
66MHz |
2.5x |
On |
On |
Off |
Off |
On |
On |
|
200MHz |
66MHz |
3x |
Off |
On |
Off |
Off |
On |
On |
|
233MHz |
66MHz |
3.5x |
Off |
Off |
Off |
Off |
On |
On |
|
266MHz |
66MHz |
4x |
On |
Off |
On |
Off |
On |
On |
|
300MHz |
66MHz |
4.5x |
On |
On |
On |
Off |
On |
On |
|
CPU SPEED SELECTION (AM K6-2) |
||||||||
|
CPU speed |
Clock speed |
Multiplier |
SW2/1 |
SW2/2 |
SW2/3 |
SW2/4 |
SW2/5 |
SW2/6 |
|
250MHz |
100MHz |
2.5x |
On |
On |
Off |
Off |
Off |
Off |
|
266MHz |
66MHz |
4x |
On |
Off |
On |
Off |
On |
On |
|
300MHz |
100MHz |
3x |
Off |
On |
Off |
Off |
Off |
Off |
|
333MHz |
95MHz |
3.5x |
Off |
Off |
Off |
On |
Off |
Off |
|
350MHz |
100MHz |
3.5x |
Off |
Off |
Off |
Off |
Off |
Off |
|
400MHz |
100MHz |
4x |
On |
Off |
On |
Off |
Off |
Off |
|
CPU SPEED SELECTION (INTEL) |
||||||||
|
CPU speed |
Clock speed |
Multiplier |
SW2/1 |
SW2/2 |
SW2/3 |
SW2/4 |
SW2/5 |
SW2/6 |
|
90MHz |
60MHz |
1.5x |
Off |
Off |
Off |
On |
On |
On |
|
100MHz |
66MHz |
1.5x |
Off |
Off |
Off |
Off |
On |
On |
|
120MHz |
60MHz |
2x |
On |
Off |
Off |
On |
On |
On |
|
133MHz |
66MHz |
2x |
On |
Off |
Off |
Off |
On |
On |
|
150MHz |
60MHz |
2.5x |
On |
On |
Off |
On |
On |
On |
|
166MHz |
66MHz |
2.5x |
On |
On |
Off |
Off |
On |
On |
|
200MHz |
66MHz |
3x |
Off |
On |
Off |
Off |
On |
On |
|
CPU SPEED SELECTION (INTEL OVERDRIVE) |
||||||||
|
CPU speed |
Clock speed |
Multiplier |
SW2/1 |
SW2/2 |
SW2/3 |
SW2/4 |
SW2/5 |
SW2/6 |
|
150MHz |
60MHz |
2.5x |
On |
Off |
Off |
On |
On |
On |
|
166MHz |
66MHz |
2.5x |
On |
Off |
Off |
Off |
On |
On |
|
200MHz |
66MHz |
3x |
On |
On |
Off |
Off |
On |
On |
|
CPU SPEED SELECTION (INTEL MMX) |
||||||||
|
CPU speed |
Clock speed |
Multiplier |
SW2/1 |
SW2/2 |
SW2/3 |
SW2/4 |
SW2/5 |
SW2/6 |
|
166MHz |
66MHz |
2.5x |
On |
On |
Off |
Off |
On |
On |
|
200MHz |
66MHz |
3x |
Off |
On |
Off |
Off |
On |
On |
|
233MHz |
66MHz |
3.5x |
Off |
Off |
Off |
Off |
On |
On |
|
CPU TYPE SELECTION |
|
|
Type |
JP7 |
|
Intel P54CTB |
Closed |
|
All other CPU types |
Open |
|
CPU VOLTAGE SELECTION |
|||
|
Voltage |
SW1/1 |
SW1/2 |
SW1/3 |
|
2.0v |
Off |
Off |
Off |
|
2.1v |
On |
Off |
Off |
|
2.2v |
Off |
On |
Off |
|
2.3v |
On |
On |
Off |
|
2.4v |
Off |
Off |
On |
|
2.5v |
On |
Off |
On |
|
2.6v |
Off |
On |
On |
|
2.7v |
On |
On |
On |
|
2.8v |
Off |
Off |
Off |
|
2.9v |
On |
Off |
Off |
|
3.0v |
Off |
On |
Off |
|
3.1v |
On |
On |
Off |
|
3.2v |
Off |
Off |
On |
|
3.3v |
On |
Off |
On |
|
3.4v |
Off |
On |
On |
|
3.5v |
On |
On |
On |