GIGA-BYTE TECHNOLOGY CO., LTD.
GA-5AMMC
|
Device Type |
Mainboard |
|
Processor |
CX 6x86MX/IBM 6x86MX/CX MII/AM K5/AM K6/AM K6-2/Pentium/Pentium MMX/IDT C6 |
|
Processor Speed |
133/166/200/225/233/266/300/333/350/380/400MHz |
|
Chip Set |
ALI |
|
Video Chip Set |
ATI |
|
Audio Chip Set |
ESS |
|
Maximum Onboard Memory |
512MB |
|
Maximum Video Memory |
4MB |
|
Cache |
512KB |
|
BIOS |
Award |
|
Dimensions |
243.87mm x 200mm |
|
I/O Options (backplane) |
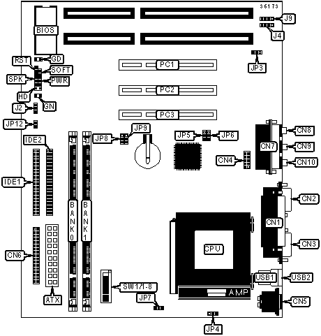
32-bit PCI slots (3), floppy drive interface, game port, green PC connector, IDE interfaces (2), parallel port, PS/2 mouse port, serial ports, serial interface, VGA port, USB connectors (2), ATX power connector, line in, line out, microphone in, audio in - CD-ROMs (2) |

|
CONNECTIONS |
|||
|
Purpose |
Location |
Purpose |
Location |
|
ATX power connector |
ATX |
IDE interface 1 |
IDE1 |
|
Parallel port |
CN1 |
IDE interface 2 |
IDE2 |
|
VGA port |
CN2 |
Wake-on-lan connector |
J2 |
|
Serial port 1 |
CN3 |
Audio in - CD-ROM |
J4 |
|
Serial 2 interface |
CN4 |
Audio in - CD-ROM |
J9 |
|
PS/2 mouse port |
CN5 |
CPU fan power |
JP7 |
|
Floppy drive interface |
CN6 |
Wake-on-ring connector |
JP12 |
|
Game port |
CN7 |
32-bit PCI slots |
PC1 - PC3 |
|
Microphone in |
CN8 |
Power LED |
PWR |
|
Line in |
CN9 |
Reset switch |
RST |
|
Line out |
CN10 |
Soft off power supply |
SOFT |
|
Green PC LED |
GD |
Speaker |
SPK |
|
Green PC connector |
GN |
USB connector 1 |
USB1 |
|
IDE interface LED |
HD |
USB connector 2 |
USB2 |
|
USER CONFIGURABLE SETTINGS |
|||
|
Function |
Label |
Position |
|
|
» |
Onboard audio disabled |
JP3 |
Pins 2 & 3 closed |
|
|
Onboard audio enabled |
JP3 |
Pins 1 & 2 closed |
|
» |
Keyboard power on disabled |
JP4 |
Pins 2 & 3 closed |
|
|
Keyboard power on enabled |
JP4 |
Pins 1 & 2 closed |
|
» |
Onboard AGP enabled |
JP5 |
Pins 1 & 2 closed |
|
|
Onboard AGP disabled |
JP5 |
Pins 2 & 3 closed |
|
» |
Onboard VGA does not occupy IRQ resource |
JP6 |
Pins 2 & 3 closed |
|
|
Onboard VGA occupies IRQ resource |
JP6 |
Pins 1 & 2 closed |
|
DIMM CONFIGURATION |
||
|
Size |
Bank 0 |
Bank 1 |
|
8MB |
(1) 1M x 64 |
None |
|
16MB |
(1) 2M x 64 |
None |
|
16MB |
(1) 1M x 64 |
(1) 1M x 64 |
|
24MB |
(1) 2M x 64 |
(1) 1M x 64 |
|
32MB |
(1) 4M x 64 |
None |
|
32MB |
(1) 2M x 64 |
(1) 2M x 64 |
|
40MB |
(1) 4M x 64 |
(1) 1M x 64 |
|
48MB |
(1) 4M x 64 |
(1) 2M x 64 |
|
64MB |
(1) 8M x 64 |
None |
|
64MB |
(1) 4M x 64 |
(1) 4M x 64 |
|
72MB |
(1) 8M x 64 |
(1) 1M x 64 |
|
80MB |
(1) 8M x 64 |
(1) 2M x 64 |
|
96MB |
(1) 8M x 64 |
(1) 4M x 64 |
|
128MB |
(1) 16M x 64 |
None |
|
128MB |
(1) 8M x 64 |
(1) 8M x 64 |
|
136MB |
(1) 16M x 64 |
(1) 1M x 64 |
|
144MB |
(1) 16M x 64 |
(1) 2M x 64 |
|
160MB |
(1) 16M x 64 |
(1) 4M x 64 |
|
192MB |
(1) 16M x 64 |
(1) 8M x 64 |
|
256MB |
(1) 32M x 64 |
None |
|
256MB |
(1) 16M x 64 |
(1) 16M x 64 |
|
264MB |
(1) 32M x 64 |
(1) 1M x 64 |
|
272MB |
(1) 32M x 64 |
(1) 2M x 64 |
|
288MB |
(1) 32M x 64 |
(1) 4M x 64 |
|
320MB |
(1) 32M x 64 |
(1) 8M x 64 |
|
384MB |
(1) 32M x 64 |
(1) 16M x 64 |
|
512MB |
(1) 32M x 64 |
(1) 32M x 64 |
|
CPU SPEED SELECTION (INTEL) |
||||||
|
CPU speed |
Clock Speed |
Multiplier |
SW1/1 |
SW1/2 |
SW1/3 |
SW1/4 |
|
133MHz |
66MHz |
2x |
Off |
On |
Off |
Off |
|
166MHz |
66MHz |
2.5x |
Off |
On |
On |
Off |
|
CPU SPEED SELECTION (INTEL CON'T) |
||||||
|
CPU speed |
Clock Speed |
Multiplier |
SW1/5 |
SW1/6 |
SW1/7 |
SW1/8 |
|
133MHz |
66MHz |
2x |
Off |
Off |
On |
Off |
|
166MHz |
66MHz |
2.5x |
Off |
Off |
On |
Off |
|
CPU SPEED SELECTION (INTEL CON'T) |
||||
|
CPU speed |
Clock Speed |
Multiplier |
JP8 |
JP9 |
|
133MHz |
66MHz |
2x |
2 & 3 |
2 & 3 |
|
166MHz |
66MHz |
2.5x |
2 & 3 |
2 & 3 |
|
Note: Pins designated should be in the closed position. |
||||
|
CPU SPEED SELECTION (INTEL MMX) |
||||||
|
CPU speed |
Clock Speed |
Multiplier |
SW1/1 |
SW1/2 |
SW1/3 |
SW1/4 |
|
166MHz |
66MHz |
2.5x |
Off |
On |
On |
Off |
|
200MHz |
66MHz |
3x |
Off |
Off |
On |
Off |
|
233MHz |
66MHz |
3.5x |
Off |
Off |
Off |
Off |
|
CPU SPEED SELECTION (INTEL MMX CON'T) |
||||||
|
CPU speed |
Clock Speed |
Multiplier |
SW1/5 |
SW1/6 |
SW1/7 |
SW1/8 |
|
166MHz |
66MHz |
2.5x |
Off |
Off |
On |
Off |
|
200MHz |
66MHz |
3x |
Off |
Off |
On |
Off |
|
233MHz |
66MHz |
3.5x |
Off |
Off |
On |
Off |
|
CPU SPEED SELECTION (INTEL MMX CON'T) |
||||
|
CPU speed |
Clock Speed |
Multiplier |
JP8 |
JP9 |
|
166MHz |
66MHz |
2.5x |
2 & 3 |
Pins 2 & 3 closed |
|
200MHz |
66MHz |
3x |
2 & 3 |
Pins 2 & 3 closed |
|
233MHz |
66MHz |
3.5x |
2 & 3 |
Pins 2 & 3 closed |
|
CPU SPEED SELECTION (AM K6) |
||||||
|
CPU speed |
Clock speed |
Multiplier |
SW1/1 |
SW1/2 |
SW1/3 |
SW1/4 |
|
166MHz |
66MHz |
2.5x |
Off |
On |
On |
Off |
|
200MHz |
66MHz |
3x |
Off |
Off |
On |
Off |
|
233MHz* |
66MHz |
3.5x |
Off |
Off |
Off |
On |
|
266MHz** |
66MHz |
4x |
Off |
On |
Off |
Off |
|
300MHz** |
66MHz |
4.5x |
Off |
On |
On |
Off |
|
300MHz** |
100MHz |
3x |
Off |
Off |
On |
Off |
|
*Note: This processor receives a voltage setting of 3.2v. **Note: These processors receive a voltage setting of 2.2v. |
||||||
|
CPU SPEED SELECTION (AM K6 CON'T) |
||||||
|
CPU speed |
Clock speed |
Multiplier |
SW1/5 |
SW1/6 |
SW1/7 |
SW1/8 |
|
166MHz |
66MHz |
2.5x |
Off |
On |
On |
Off |
|
200MHz |
66MHz |
3x |
Off |
On |
On |
Off |
|
233MHz* |
66MHz |
3.5x |
Off |
Off |
On |
Off |
|
266MHz** |
66MHz |
4x |
On |
Off |
Off |
On |
|
300MHz** |
66MHz |
4.5x |
On |
Off |
Off |
On |
|
300MHz** |
100MHz |
3x |
On |
Off |
Off |
Off |
|
*Note: This processor receives a voltage setting of 3.2v. **Note: These processors receive a voltage setting of 2.2v. |
||||||
|
CPU SPEED SELECTION (AM K6 CON'T) |
||||
|
CPU speed |
Clock speed |
Multiplier |
JP8 |
JP9 |
|
166MHz |
66MHz |
2.5x |
2 & 3 |
2 & 3 |
|
200MHz |
66MHz |
3x |
2 & 3 |
2 & 3 |
|
233MHz |
66MHz |
3.5x |
2 & 3 |
2 & 3 |
|
266MHz* |
66MHz |
4x |
2 & 3 |
2 & 3 |
|
300MHz* |
66MHz |
4.5x |
2 & 3 |
2 & 3 |
|
300MHz* |
100MHz |
3x |
1 & 2 |
1 & 2 |
|
Note: Pins designated should be in the closed position. *Note: This processor receives a voltage setting of 3.2v. **Note: These processors receive a voltage setting of 2.2v. |
||||
|
CPU SPEED SELECTION (AM K6-2) |
||||||
|
CPU speed |
Clock speed |
Multiplier |
SW1/1 |
SW1/2 |
SW1/3 |
SW1/4 |
|
266MHz |
66MHz |
4x |
Off |
On |
Off |
Off |
|
300MHz |
100MHz |
3x |
Off |
Off |
On |
Off |
|
333MHz |
95MHz |
3.5x |
On |
Off |
Off |
Off |
|
350MHz |
100MHz |
3.5x |
Off |
Off |
Off |
Off |
|
380MHz |
95MHz |
4x |
On |
On |
Off |
Off |
|
400MHz |
100MHz |
4x |
Off |
On |
Off |
Off |
|
CPU SPEED SELECTION (AM K6-2 CON'T) |
||||||
|
CPU speed |
Clock speed |
Multiplier |
SW1/5 |
SW1/6 |
SW1/7 |
SW1/8 |
|
266MHz |
66MHz |
4x |
On |
Off |
Off |
On |
|
300MHz |
100MHz |
3x |
On |
Off |
Off |
Off |
|
333MHz |
95MHz |
3.5x |
On |
Off |
Off |
Off |
|
350MHz |
100MHz |
3.5x |
On |
Off |
Off |
Off |
|
380MHz |
95MHz |
4x |
On |
Off |
Off |
On |
|
400MHz |
100MHz |
4x |
On |
Off |
Off |
On |
|
CPU SPEED SELECTION (AM K6-2 CON'T) |
||||
|
CPU speed |
Clock speed |
Multiplier |
JP8 |
JP9 |
|
266MHz |
66MHz |
4x |
2 & 3 |
2 & 3 |
|
300MHz |
100MHz |
3x |
1 & 2 |
1 & 2 |
|
333MHz |
95MHz |
3.5x |
1 & 2 |
1 & 2 |
|
350MHz |
100MHz |
3.5x |
1 & 2 |
1 & 2 |
|
380MHz |
95MHz |
4x |
1 & 2 |
1 & 2 |
|
400MHz |
100MHz |
4x |
1 & 2 |
1 & 2 |
|
Note: Pins designated should be in the closed position. |
||||
|
CPU SPEED SELECTION (IBM/CX 6X86MX) |
||||||
|
CPU speed |
Clock speed |
Multiplier |
SW1/1 |
SW1/2 |
SW1/3 |
SW1/4 |
|
166MHz |
66MHz |
2x |
Off |
On |
Off |
Off |
|
200MHz |
66MHz |
2.5x |
Off |
On |
On |
Off |
|
200MHz |
75MHz |
2x |
On |
On |
Off |
Off |
|
233MHz |
66MHz |
3x |
Off |
Off |
On |
Off |
|
233MHz |
75MHz |
2.5x |
On |
On |
On |
Off |
|
233MHz |
83MHz |
2x |
Off |
On |
Off |
Off |
|
266MHz |
66MHz |
3.5x |
Off |
Off |
Off |
Off |
|
266MHz |
75MHz |
3x |
On |
Off |
On |
Off |
|
266MHz |
83MHz |
2.5x |
Off |
On |
On |
Off |
|
CPU SPEED SELECTION (IBM/CX 6X86MX CON'T) |
||||||
|
CPU speed |
Clock speed |
Multiplier |
SW1/5 |
SW1/6 |
SW1/7 |
SW1/8 |
|
166MHz |
66MHz |
2x |
Off |
On |
On |
Off |
|
200MHz |
66MHz |
2.5x |
Off |
On |
On |
Off |
|
200MHz |
75MHz |
2x |
Off |
On |
On |
Off |
|
233MHz |
66MHz |
3x |
Off |
On |
On |
Off |
|
233MHz |
75MHz |
2.5x |
Off |
On |
On |
Off |
|
233MHz |
83MHz |
2x |
Off |
On |
On |
Off |
|
266MHz |
66MHz |
3.5x |
Off |
On |
On |
Off |
|
266MHz |
75MHz |
3x |
Off |
On |
On |
Off |
|
266MHz |
83MHz |
2.5x |
Off |
On |
On |
Off |
|
CPU SPEED SELECTION (IBM/CX 6X86MX CON'T) |
||||
|
CPU speed |
Clock speed |
Multiplier |
JP8 |
JP9 |
|
166MHz |
66MHz |
2x |
2 & 3 |
2 & 3 |
|
200MHz |
66Mhz |
2.5x |
2 & 3 |
2 & 3 |
|
200MHz |
75MHz |
2x |
1 & 2 |
2 & 3 |
|
233MHz |
66MHz |
3x |
2 & 3 |
2 & 3 |
|
233MHz |
75MHz |
2.5x |
1 & 2 |
2 & 3 |
|
233MHz |
83MHz |
2x |
1 & 2 |
2 & 3 |
|
266MHz |
66MHz |
3.5x |
2 & 3 |
2 & 3 |
|
266MHz |
75MHz |
3x |
1 & 2 |
2 & 3 |
|
266MHz |
83MHz |
2.5x |
1 & 2 |
2 & 3 |
|
Note: Pins designated should be in the closed position. |
||||
|
CPU SPEED SELECTION (CX MII) |
||||||
|
CPU speed |
Clock speed |
Multiplier |
SW1/1 |
SW1/2 |
SW1/3 |
SW1/4 |
|
300MHz |
66MHz |
3.5x |
Off |
Off |
Off |
Off |
|
333MHz |
83MHz |
3x |
Off |
Off |
On |
Off |
|
333MHz |
75MHz |
3.5x |
On |
Off |
Off |
Off |
|
CPU SPEED SELECTION (CX MII CON'T) |
||||||
|
CPU speed |
Clock speed |
Multiplier |
SW1/5 |
SW1/6 |
SW1/7 |
SW1/8 |
|
300MHz |
66MHz |
3.5x |
Off |
On |
On |
Off |
|
333MHz |
83MHz |
3x |
Off |
On |
On |
Off |
|
333MHz |
75MHz |
3.5x |
Off |
On |
On |
Off |
|
CPU SPEED SELECTION (CX MII CON'T) |
||||
|
CPU speed |
Clock speed |
Multiplier |
JP8 |
JP9 |
|
300MHz |
66MHz |
3.5x |
2 & 3 |
2 & 3 |
|
333MHz |
83MHz |
3x |
1 & 2 |
2 & 3 |
|
333MHz |
75MHz |
3.5x |
1 & 2 |
2 & 3 |
|
Note: Pins designated should be in the closed position. |
||||
|
CPU SPEED SELECTION (IDT) |
||||||
|
CPU speed |
Clock speed |
Multiplier |
SW1/1 |
SW1/2 |
SW1/3 |
SW1/4 |
|
200MHz |
66MHz |
3x |
Off |
Off |
On |
On |
|
225MHz |
75MHz |
3x |
On |
Off |
On |
On |
|
266MHz |
66MHz |
4x |
Off |
On |
Off |
On |
|
CPU SPEED SELECTION (IDT CON'T) |
||||||
|
CPU speed |
Clock speed |
Multiplier |
SW1/5 |
SW1/6 |
SW1/7 |
SW1/8 |
|
200MHz |
66MHz |
3x |
On |
On |
On |
Off |
|
225MHz |
75MHz |
3x |
On |
On |
On |
Off |
|
266MHz |
66MHz |
4x |
On |
On |
On |
On |
|
CPU SPEED SELECTION (IDT CON'T) |
||||
|
CPU speed |
Clock speed |
Multiplier |
JP8 |
JP9 |
|
200MHz |
66MHz |
3x |
2 & 3 |
2 & 3 |
|
225MHz |
75MHz |
3x |
1 & 2 |
2 & 3 |
|
266MHz |
66MHz |
3.5x |
2 & 3 |
2 & 3 |
|
Note: Pins designated should be in the closed position. |
||||