GIGA-BYTE TECHNOLOGY CO., LTD.
GA-6BXU (REV. 1.0)
| Device Type | Mainboard |
| Processor | Pentium II |
| Processor Speed | 233/266/300/333/350/366/400/450/500MHz |
| Chip Set | Intel 440BX |
| Maximum Onboard Memory | 1GB (SDRAM supported) |
| Maximum Video Memory | 1MB |
| Cache | 256/512KB (located on Pentium II CPU) |
| BIOS | Award |
| Dimensions | 305mm x 210mm |
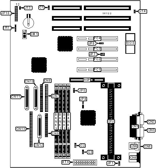
| I/O Options | 32-bit PCI slots (4), floppy drive interface, green PC connector, IDE interfaces (2), SCSI interface, Ultra SCSI interface, Ultra II SCSI interface, parallel port, PS/2 mouse port, serial ports (2), IR connector, USB connectors (2), ATX power connector, AGP slot, SB-link connector, wake on LAN connector |
CONNECTIONS |
|||
| Purpose | Location |
Purpose | Location |
| AGP slot | AGP |
Ultra II SCSI interface | CN11 |
| ATX power connector | ATX |
Ultra SCSI interface | CN12 |
| Chassis fan power | C1 |
SCSI interface | CN13 |
| Power fan power | C2 |
IR connector | IR1 |
| CPU fan power | C3 |
Case open connector | J14 |
| Parallel port | CN1 |
SB-link connector | JP7 |
| Serial port 1 | CN2 |
Wake on LAN connector | JP8 |
| Serial port 2 | CN3 |
Green PC LED | JP10/pins 1 & 2 |
| USB connector 1 | CN4 |
Reset switch | JP10/pins 3 & 4 |
| USB connector 2 | CN5 |
Speaker | JP10/pins 5 - 8 |
| PS/2 mouse port | CN6 |
IDE interface LED | JP10/pins 9 & 20 |
| IDE interface 2 | CN7 |
Green PC connector | JP10/pins 11 & 22 |
| IDE interface 1 | CN8 |
Soft off power supply | JP10/pins 15 & 16 |
| Floppy drive interface | CN9 |
Power LED | JP10/pins 17 - 19 |
| Ultra II SCSI interface | CN10 |
32-bit PCI slots | PC1 - PC4 |
USER CONFIGURABLE SETTINGS |
|||
Function |
Label |
Position |
|
| ATX power supply select soft off | J13 |
Open |
|
| ATX power supply select soft full on | J13 |
Closed |
|
» |
Keyboard power on disabled | JP1 |
Pins 2 & 3 closed |
| Keyboard power on enabled | JP1 |
Pins 1 & 2 closed |
|
» |
Factory configured - do not alter | JP4 |
Unidentified |
DIMM CONFIGURATION |
||||
Size |
Bank 0 |
Bank 1 |
Bank 2 |
Bank 3 |
8MB |
(1) 1M x 64 |
None |
None |
None |
16MB |
(1) 2M x 64 |
None |
None |
None |
16MB |
(1) 1M x 64 |
(1) 1M x 64 |
None |
None |
24MB |
(1) 2M x 64 |
(1) 1M x 64 |
None |
None |
24MB |
(1) 1M x 64 |
(1) 1M x 64 |
(1) 1M x 64 |
None |
32MB |
(1) 4M x 64 |
None |
None |
None |
32MB |
(1) 2M x 64 |
(1) 2M x 64 |
None |
None |
32MB |
(1) 1M x 64 |
(1) 1M x 64 |
(1) 1M x 64 |
(1) 1M x 64 |
40MB |
(1) 4M x 64 |
(1) 1M x 64 |
None |
None |
48MB |
(1) 4M x 64 |
(1) 2M x 64 |
None |
None |
48MB |
(1) 2M x 64 |
(1) 2M x 64 |
(1) 2M x 64 |
None |
64MB |
(1) 2M x 64 |
(1) 2M x 64 |
(1) 2M x 64 |
(1) 2M x 64 |
64MB |
(1) 8M x 64 |
None |
None |
None |
64MB |
(1) 4M x 64 |
(1) 4M x 64 |
None |
None |
72MB |
(1) 8M x 64 |
(1) 1M x 64 |
None |
None |
80MB |
(1) 8M x 64 |
(1) 2M x 64 |
None |
None |
DIMM CONFIGURATION (CON'T) |
||||
Size |
Bank 0 |
Bank 1 |
Bank 2 |
Bank 3 |
96MB |
(1) 8M x 64 |
(1) 4M x 64 |
None |
None |
96MB |
(1) 4M x 64 |
(1) 4M x 64 |
(1) 4M x 64 |
None |
128MB |
(1) 16M x 64 |
None |
None |
None |
128MB |
(1) 8M x 64 |
(1) 8M x 64 |
None |
None |
128MB |
(1) 4M x 64 |
(1) 4M x 64 |
(1) 4M x 64 |
(1) 4M x 64 |
136MB |
(1) 16M x 64 |
(1) 1M x 64 |
None |
None |
144MB |
(1) 16M x 64 |
(1) 2M x 64 |
None |
None |
176MB |
(1) 16M x 64 |
(1) 2M x 64 |
(1) 2M x 64 |
(1) 2M x 64 |
192MB |
(1) 16M x 64 |
(1) 8M x 64 |
None |
None |
192MB |
(1) 8M x 64 |
(1) 8M x 64 |
(1) 8M x 64 |
None |
256MB |
(1) 32M x 64 |
None |
None |
None |
256MB |
(1) 16M x 64 |
(1) 16M x 64 |
None |
None |
256MB |
(1) 8M x 64 |
(1) 8M x 64 |
(1) 8M x 64 |
(1) 8M x 64 |
272MB |
(1) 16M x 64 |
(1) 16M x 64 |
(1) 1M x 64 |
(1) 1M x 64 |
280MB |
(1) 32M x 64 |
(1) 1M x 64 |
(1) 1M x 64 |
(1) 1M x 64 |
288MB |
(1) 16M x 64 |
(1) 16M x 64 |
(1) 2M x 64 |
(1) 2M x 64 |
320MB |
(1) 16M x 64 |
(1) 16M x 64 |
(1) 4M x 64 |
(1) 4M x 64 |
384MB |
(1) 16M x 64 |
(1) 16M x 64 |
(1) 16M x 64 |
None |
448MB |
(1) 32M x 64 |
(1) 8M x 64 |
(1) 8M x 64 |
(1) 8M x 64 |
512MB |
(1) 32M x 64 |
(1) 32M x 64 |
None |
None |
512MB |
(1) 16M x 64 |
(1) 16M x 64 |
(1) 16M x 64 |
(1) 16M x 64 |
640MB |
(1) 32M x 64 |
(1) 16M x 64 |
(1) 16M x 64 |
(1) 16M x 64 |
768MB |
(1) 32M x 64 |
(1) 32M x 64 |
(1) 32M x 64 |
None |
1024MB |
(1) 32M x 64 |
(1) 32M x 64 |
(1) 32M x 64 |
(1) 32M x 64 |
| Note: Board accepts SDRAM memory. | ||||
CACHE CONFIGURATION |
| Note: 256KB/512KB cache is located on the Pentium II CPU. |
CPU SPEED SELECTION |
||||||
CPU speed |
Clock speed |
Multiplier |
SW1/1 |
SW1/2 |
SW1/3 |
SW1/4 |
200MHz |
66MHz |
3x |
On |
Off |
On |
On |
233MHz |
66MHz |
3.5x |
Off |
Off |
On |
On |
266MHz |
66MHz |
4x |
On |
On |
Off |
On |
300MHz |
66MHz |
4.5x |
Off |
On |
On |
On |
333MHz |
66MHz |
5x |
On |
Off |
Off |
On |
366MHz |
66MHz |
5.5x |
Off |
Off |
Off |
On |
350MHz |
100MHz |
3.5x |
On |
Off |
On |
On |
400MHz |
100MHz |
4x |
Off |
On |
Off |
On |
450MHz |
100MHz |
4.5x |
On |
On |
Off |
On |
500MHz |
100MHz |
5x |
Off |
Off |
Off |
On |
550MHz |
100MHz |
5.5x |
On |
Off |
Off |
On |
CPU OVER CLOCK SELECTION |
|
Speed |
JP6 |
66MHz |
Pins 1 & 2 closed |
100MHz |
Open |
Auto select |
Pins 2 & 3 closed |