SHUTTLE COMPUTER INTERNATIONAL, INC.
HOT-597
|
Device Type |
Mainboard |
|
Processor |
CX 6X86/IBM 6X86/CX 6X86L/IBM 6X86L/CX 686MX/IBM 6X86MX/ CX MII/AM K5/AM K6/AM K6-2/Pentium/Pentium MMX |
|
Processor Speed |
100/120/133/150/166/180/200/233/266/300/333/350/380/366/400/450MHz |
|
Chip Set |
VIA MVP3 |
|
Maximum Onboard Memory |
384MB (EDO & SDRAM supported) |
|
Cache |
512/1024KB |
|
BIOS |
Award |
|
Dimensions |
305mm x 190mm |
|
I/O Options |
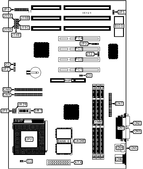
32-bit PCI slots (4), floppy drive interface, green PC connector, IDE interfaces (2), parallel port, PS/2 mouse port, serial ports (2), IR connector, USB connectors (2), ATX power connector, AGP slot, wake on LAN connector |

|
CONNECTIONS |
|||
|
Purpose |
Location |
Purpose |
Location |
|
AGP slot |
AGP |
IDE interface 1 |
CN8 |
|
ATX power connector |
ATX |
IDE interface 2 |
CN9 |
|
Chassis fan power |
C1 |
Wake on LAN connector |
J12 |
|
CPU fan power |
C2 |
IR connector |
JP3 |
|
AGP fan power |
C3 |
Reset switch |
JP6/pins 1 & 2 |
|
Parallel port |
CN1 |
IDE interface LED |
JP6/pins 3 & 4 |
|
Serial port 1 |
CN2 |
Green PC LED |
JP6/pins 5 & 6 |
|
Serial port 2 |
CN3 |
Green PC connector |
JP6/pins 7 & 8 |
|
USB connector 1 |
CN4 |
Soft off power supply |
JP6/pins 9 & 10 |
|
USB connector 2 |
CN5 |
Power LED & keylock |
JP6/pins 11 - 15 |
|
PS/2 mouse port |
CN6 |
Speaker |
JP6/pins 16 - 20 |
|
Floppy drive interface |
CN7 |
32-bit PCI slots |
PC1 - PC4 |
|
USER CONFIGURABLE SETTINGS |
|||
|
Function |
Label |
Position |
|
|
» |
CMOS memory normal operation |
JP2 |
Pins 1 & 2 closed |
|
|
CMOS memory clear |
JP2 |
Pins 2 & 3 closed |
|
|
Flash BIOS voltage select 12v |
JP5 |
Pins 2 & 3 closed |
|
|
Flash BIOS voltage select 5v |
JP5 |
Pins 1 & 2 closed |
|
|
SDRAM clock synchronous with CPU clock |
JP9 |
Pins 2 & 3 closed |
|
|
SDRAM clock synchronous with AGP clock |
JP9 |
Pins 1 & 2 closed |
|
DIMM CONFIGURATION |
|||
|
Size |
Bank 0 |
Bank 1 |
Bank 2 |
|
8MB |
(1) 1M x 64 |
None |
None |
|
16MB |
(1) 2M x 64 |
None |
None |
|
16MB |
(1) 1M x 64 |
(1) 1M x 64 |
None |
|
24MB |
(1) 2M x 64 |
(1) 1M x 64 |
None |
|
24MB |
(1) 1M x 64 |
(1) 1M x 64 |
(1) 1M x 64 |
|
32MB |
(1) 4M x 64 |
None |
None |
|
32MB |
(1) 2M x 64 |
(1) 1M x 64 |
(1) 1M x 64 |
|
32MB |
(1) 2M x 64 |
(1) 2M x 64 |
None |
|
40MB |
(1) 4M x 64 |
(1) 1M x 64 |
None |
|
40MB |
(1) 2M x 64 |
(1) 2M x 64 |
(1) 1M x 64 |
|
48MB |
(1) 4M x 64 |
(1) 1M x 64 |
(1) 1M x 64 |
|
48MB |
(1) 4M x 64 |
(1) 2M x 64 |
None |
|
48MB |
(1) 2M x 64 |
(1) 2M x 64 |
(1) 2M x 64 |
|
56MB |
(1) 4M x 64 |
(1) 2M x 64 |
(1) 1M x 64 |
|
64MB |
(1) 8M x 64 |
None |
None |
|
64MB |
(1) 4M x 64 |
(1) 2M x 64 |
(1) 2M x 64 |
|
64MB |
(1) 4M x 64 |
(1) 4M x 64 |
None |
|
72MB |
(1) 8M x 64 |
(1) 1M x 64 |
None |
|
DIMM CONFIGURATION (CON'T) |
|||
|
Size |
Bank 0 |
Bank 1 |
Bank 2 |
|
72MB |
(1) 4M x 64 |
(1) 4M x 64 |
(1) 1M x 64 |
|
80MB |
(1) 8M x 64 |
(1) 1M x 64 |
(1) 1M x 64 |
|
80MB |
(1) 8M x 64 |
(1) 2M x 64 |
None |
|
80MB |
(1) 4M x 64 |
(1) 4M x 64 |
(1) 2M x 64 |
|
88MB |
(1) 8M x 64 |
(1) 2M x 64 |
(1) 1M x 64 |
|
96MB |
(1) 8M x 64 |
(1) 2M x 64 |
(1) 2M x 64 |
|
96MB |
(1) 8M x 64 |
(1) 4M x 64 |
None |
|
96MB |
(1) 4M x 64 |
(1) 4M x 64 |
(1) 4M x 64 |
|
104MB |
(1) 8M x 64 |
(1) 4M x 64 |
(1) 1M x 64 |
|
112MB |
(1) 8M x 64 |
(1) 4M x 64 |
(1) 2M x 64 |
|
128MB |
(1) 16M x 64 |
None |
None |
|
128MB |
(1) 8M x 64 |
(1) 4M x 64 |
(1) 4M x 64 |
|
128MB |
(1) 8M x 64 |
(1) 8M x 64 |
None |
|
136MB |
(1) 16M x 64 |
(1) 1M x 64 |
None |
|
136MB |
(1) 8M x 64 |
(1) 8M x 64 |
(1) 1M x 64 |
|
144MB |
(1) 16M x 64 |
(1) 1M x 64 |
(1) 1M x 64 |
|
144MB |
(1) 16M x 64 |
(1) 2M x 64 |
None |
|
144MB |
(1) 8M x 64 |
(1) 8M x 64 |
(1) 2M x 64 |
|
152MB |
(1) 16M x 64 |
(1) 2M x 64 |
(1) 1M x 64 |
|
160MB |
(1) 16M x 64 |
(1) 2M x 64 |
(1) 2M x 64 |
|
160MB |
(1) 16M x 64 |
(1) 4M x 64 |
None |
|
160MB |
(1) 8M x 64 |
(1) 8M x 64 |
(1) 4M x 64 |
|
168MB |
(1) 16M x 64 |
(1) 4M x 64 |
(1) 1M x 64 |
|
176MB |
(1) 16M x 64 |
(1) 4M x 64 |
(1) 2M x 64 |
|
192MB |
(1) 16M x 64 |
(1) 4M x 64 |
(1) 4M x 64 |
|
192MB |
(1) 16M x 64 |
(1) 8M x 64 |
None |
|
192MB |
(1) 8M x 64 |
(1) 8M x 64 |
(1) 8M x 64 |
|
200MB |
(1) 16M x 64 |
(1) 8M x 64 |
(1) 1M x 64 |
|
208MB |
(1) 16M x 64 |
(1) 8M x 64 |
(1) 2M x 64 |
|
224MB |
(1) 16M x 64 |
(1) 8M x 64 |
(1) 4M x 64 |
|
256MB |
(1) 16M x 64 |
(1) 8M x 64 |
(1) 8M x 64 |
|
384MB |
(1) 16M x 64 |
(1) 16M x 64 |
(1) 16M x 64 |
|
Note: Board accepts EDO & SDRAM memory. The location of the banks are unidentified. |
|||
|
CACHE CONFIGURATION |
|
|
Size |
Bank 0 |
|
512KB |
(2) 64K x 32 |
|
1MB |
(2) 128K x 32 |
|
CPU SPEED SELECTION (CX 6X86) |
|||||
|
CPU speed |
Clock speed |
Multiplier |
SW1/1 |
SW1/2 |
SW1/3 |
|
166MHz |
66MHz |
2x |
Off |
Off |
Off |
|
200MHz |
75MHz |
2x |
On |
Off |
Off |
|
CPU SPEED SELECTION (CX 6X86 ,CON'T) |
||||||
|
CPU speed |
Clock speed |
Multiplier |
SW1/4 |
SW1/5 |
SW1/6 |
JA26 |
|
166MHz |
66MHz |
2x |
On |
Off |
Off |
2 & 3 |
|
200MHz |
75MHz |
2x |
On |
Off |
Off |
2 & 3 |
|
Note: Pins designated should be in the closed position. |
||||||
|
CPU SPEED SELECTION (IBM 6X86) |
|||||
|
CPU speed |
Clock speed |
Multiplier |
SW1/1 |
SW1/2 |
SW1/3 |
|
166MHz |
66MHz |
2x |
Off |
Off |
Off |
|
200MHz |
75MHz |
2x |
On |
Off |
Off |
|
CPU SPEED SELECTION (IBM 6X86 ,CON'T) |
||||||
|
CPU speed |
Clock speed |
Multiplier |
SW1/4 |
SW1/5 |
SW1/6 |
JA26 |
|
166MHz |
66MHz |
2x |
On |
Off |
Off |
2 & 3 |
|
200MHz |
75MHz |
2x |
On |
Off |
Off |
2 & 3 |
|
Note: Pins designated should be in the closed position. |
||||||
|
CPU SPEED SELECTION (CX 6X86L) |
|||||
|
CPU speed |
Clock speed |
Multiplier |
SW1/1 |
SW1/2 |
SW1/3 |
|
166MHz |
66MHz |
2x |
Off |
Off |
Off |
|
200MHz |
75MHz |
2x |
On |
Off |
Off |
|
CPU SPEED SELECTION (CX 6X86L, CON'T) |
||||||
|
CPU speed |
Clock speed |
Multiplier |
SW1/4 |
SW1/5 |
SW1/6 |
JA26 |
|
166MHz |
66MHz |
2x |
On |
Off |
Off |
2 & 3 |
|
200MHz |
75MHz |
2x |
On |
Off |
Off |
2 & 3 |
|
Note: Pins designated should be in the closed position. |
||||||
|
CPU SPEED SELECTION (IBM 6X86L) |
|||||
|
CPU speed |
Clock speed |
Multiplier |
SW1/1 |
SW1/2 |
SW1/3 |
|
166MHz |
66MHz |
2x |
Off |
Off |
Off |
|
200MHz |
75MHz |
2x |
On |
Off |
Off |
|
CPU SPEED SELECTION (IBM 6X86L, CON'T) |
||||||
|
CPU speed |
Clock speed |
Multiplier |
SW1/4 |
SW1/5 |
SW1/6 |
JA26 |
|
166MHz |
66MHz |
2x |
On |
Off |
Off |
2 & 3 |
|
200MHz |
75MHz |
2x |
On |
Off |
Off |
2 & 3 |
|
Note: Pins designated should be in the closed position. |
||||||
|
CPU SPEED SELECTION (CX 6X86MX) |
|||||
|
CPU speed |
Clock speed |
Multiplier |
SW1/1 |
SW1/2 |
SW1/3 |
|
200MHz |
66MHz |
2.5x |
Off |
Off |
Off |
|
200MHz |
75MHz |
2x |
On |
Off |
Off |
|
233MHz |
66MHz |
3x |
Off |
Off |
Off |
|
233MHz |
75MHz |
2.5x |
On |
Off |
Off |
|
266MHz |
66MHz |
3.5x |
Off |
Off |
Off |
|
266MHz |
83MHz |
2.5x |
On |
On |
Off |
|
300MHz |
66MHz |
3.5x |
Off |
Off |
Off |
|
300MHz |
75MHz |
3x |
On |
Off |
Off |
|
333MHz |
83MHz |
3x |
On |
On |
Off |
|
333MHz |
100MHz |
2.5x |
Off |
Off |
On |
|
CPU SPEED SELECTION (CX 6X86MX ,CON'T) |
||||||
|
CPU speed |
Clock speed |
Multiplier |
SW1/4 |
SW1/5 |
SW1/6 |
JA26 |
|
200MHz |
66MHz |
2.5x |
On |
On |
Off |
2 & 3 |
|
200MHz |
75MHz |
2x |
On |
Off |
Off |
2 & 3 |
|
233MHz |
66MHz |
3x |
Off |
On |
Off |
2 & 3 |
|
233MHz |
75MHz |
2.5x |
On |
On |
Off |
2 & 3 |
|
266MHz |
66MHz |
3.5x |
Off |
Off |
Off |
2 & 3 |
|
266MHz |
83MHz |
2.5x |
On |
On |
Off |
1 & 2 |
|
300MHz |
66MHz |
3.5x |
Off |
Off |
Off |
2 & 3 |
|
300MHz |
75MHz |
3x |
Off |
On |
Off |
2 & 3 |
|
333MHz |
83MHz |
3x |
Off |
On |
Off |
1 & 2 |
|
333MHz |
100MHz |
2.5x |
On |
On |
Off |
2 & 3 |
|
Note: Pins designated should be in the closed position. |
||||||
|
CPU SPEED SELECTION (IBM 6X86MX) |
|||||
|
CPU speed |
Clock speed |
Multiplier |
SW1/1 |
SW1/2 |
SW1/3 |
|
200MHz |
66MHz |
2.5x |
Off |
Off |
Off |
|
200MHz |
75MHz |
2x |
On |
Off |
Off |
|
233MHz |
66MHz |
3x |
Off |
Off |
Off |
|
233MHz |
75MHz |
2.5x |
On |
Off |
Off |
|
266MHz |
66MHz |
3.5x |
Off |
Off |
Off |
|
266MHz |
83MHz |
2.5x |
On |
On |
Off |
|
300MHz |
66MHz |
3.5x |
Off |
Off |
Off |
|
300MHz |
75MHz |
3x |
On |
Off |
Off |
|
333MHz |
83MHz |
3x |
On |
On |
Off |
|
333MHz |
100MHz |
2.5x |
Off |
Off |
On |
|
CPU SPEED SELECTION (IBM 6X86MX ,CON'T) |
||||||
|
CPU speed |
Clock speed |
Multiplier |
SW1/4 |
SW1/5 |
SW1/6 |
JA26 |
|
200MHz |
66MHz |
2.5x |
On |
On |
Off |
2 & 3 |
|
200MHz |
75MHz |
2x |
On |
Off |
Off |
2 & 3 |
|
233MHz |
66MHz |
3x |
Off |
On |
Off |
2 & 3 |
|
233MHz |
75MHz |
2.5x |
On |
On |
Off |
2 & 3 |
|
266MHz |
66MHz |
3.5x |
Off |
Off |
Off |
2 & 3 |
|
266MHz |
83MHz |
2.5x |
On |
On |
Off |
1 & 2 |
|
300MHz |
66MHz |
3.5x |
Off |
Off |
Off |
2 & 3 |
|
300MHz |
75MHz |
3x |
Off |
On |
Off |
2 & 3 |
|
333MHz |
83MHz |
3x |
Off |
On |
Off |
1 & 2 |
|
333MHz |
100MHz |
2.5x |
On |
On |
Off |
2 & 3 |
|
Note: Pins designated should be in the closed position. |
||||||
|
CPU SPEED SELECTION (IDT C6) |
|||||
|
CPU speed |
Clock speed |
Multiplier |
SW1/1 |
SW1/2 |
SW1/3 |
|
200MHz |
66MHz |
3x |
Off |
Off |
Off |
|
225MHz |
75MHz |
3x |
On |
Off |
Off |
|
CPU SPEED SELECTION (IDT C6 ,CON'T) |
||||||
|
CPU speed |
Clock speed |
Multiplier |
SW1/4 |
SW1/5 |
SW1/6 |
JA26 |
|
200MHz |
66MHz |
3x |
Off |
On |
Off |
2 & 3 |
|
225MHz |
75MHz |
3x |
Off |
On |
Off |
2 & 3 |
|
Note: Pins designated should be in the closed position. |
||||||
|
CPU SPEED SELECTION (AM K5) |
|||||
|
CPU speed |
Clock speed |
Multiplier |
SW1/1 |
SW1/2 |
SW1/3 |
|
133MHz |
66MHz |
1.5x |
Off |
Off |
Off |
|
166MHz |
66MHz |
2.5x |
Off |
Off |
Off |
|
CPU SPEED SELECTION (AM K5, CON'T) |
||||||
|
CPU speed |
Clock speed |
Multiplier |
SW1/4 |
SW1/5 |
SW1/6 |
JA26 |
|
133MHz |
66MHz |
1.5x |
Off |
Off |
Off |
2 & 3 |
|
166MHz |
66MHz |
2.5x |
On |
On |
Off |
2 & 3 |
|
Note: Pins designated should be in the closed position. |
||||||
|
CPU SPEED SELECTION (AM K6) |
|||||
|
CPU speed |
Clock speed |
Multiplier |
SW1/1 |
SW1/2 |
SW1/3 |
|
166MHz |
66MHz |
2.5x |
Off |
Off |
Off |
|
200MHz |
66MHz |
3x |
Off |
Off |
Off |
|
233MHz |
66MHz |
3.5x |
Off |
Off |
Off |
|
266MHz |
66MHz |
4x |
Off |
Off |
Off |
|
300MHz |
66MHz |
4.5x |
Off |
Off |
Off |
|
CPU SPEED SELECTION (AM K6, CON'T) |
||||||
|
CPU speed |
Clock speed |
Multiplier |
SW1/4 |
SW1/5 |
SW1/6 |
JA26 |
|
166MHz |
66MHz |
2.5x |
On |
On |
Off |
2 & 3 |
|
200MHz |
66MHz |
3x |
Off |
On |
Off |
2 & 3 |
|
233MHz |
66MHz |
3.5x |
Off |
Off |
Off |
2 & 3 |
|
266MHz |
66MHz |
4x |
On |
Off |
On |
2 & 3 |
|
300MHz |
66MHz |
4.5x |
On |
On |
On |
2 & 3 |
|
Note: Pins designated should be in the closed position. |
||||||
|
CPU SPEED SELECTION (AM K6-2) |
|||||
|
CPU speed |
Clock speed |
Multiplier |
SW1/1 |
SW1/2 |
SW1/3 |
|
266MHz |
66MHz |
4x |
Off |
Off |
Off |
|
300MHz |
66MHz |
4.5x |
Off |
Off |
Off |
|
300MHz |
100MHz |
3x |
Off |
Off |
On |
|
333MHz |
66MHz |
5x |
Off |
Off |
Off |
|
333MHz |
95MHz |
3.5x |
Off |
On |
On |
|
350MHz |
100MHz |
3.5x |
Off |
Off |
On |
|
366MHz |
66MHz |
5.5x |
Off |
Off |
Off |
|
380MHz |
95MHz |
4x |
Off |
On |
On |
|
400MHz |
100MHz |
4x |
Off |
Off |
On |
|
450MHz |
100MHz |
4.5x |
Off |
Off |
On |
|
CPU SPEED SELECTION (AM K6-2, CON'T) |
||||||
|
CPU speed |
Clock speed |
Multiplier |
SW1/4 |
SW1/5 |
SW1/6 |
JA26 |
|
266MHz |
66MHz |
4x |
On |
Off |
On |
2 & 3 |
|
300MHz |
66MHz |
4.5x |
Off |
Off |
Off |
2 & 3 |
|
300MHz |
100MHz |
3x |
Off |
On |
Off |
1 & 2 |
|
333MHz |
66MHz |
5x |
Off |
On |
On |
2 & 3 |
|
333MHz |
95MHz |
3.5x |
Off |
Off |
Off |
1 & 2 |
|
350MHz |
100MHz |
3.5x |
Off |
Off |
Off |
1 & 2 |
|
366MHz |
66MHz |
5.5x |
Off |
Off |
On |
2 & 3 |
|
380MHz |
95MHz |
4x |
On |
Off |
On |
1 & 2 |
|
400MHz |
100MHz |
4x |
On |
Off |
On |
1 & 2 |
|
450MHz |
100MHz |
4.5x |
On |
On |
On |
1 & 2 |
|
Note: Pins designated should be in the closed position. |
||||||
|
CPU SPEED SELECTION (INTEL) |
|||||
|
CPU speed |
Clock speed |
Multiplier |
SW1/1 |
SW1/2 |
SW1/3 |
|
100MHz |
66MHz |
1.5x |
Off |
Off |
Off |
|
133MHz |
66MHz |
2x |
Off |
Off |
Off |
|
166MHz |
66MHz |
2.5x |
Off |
Off |
Off |
|
200MHz |
66MHz |
3x |
Off |
Off |
Off |
|
CPU SPEED SELECTION (INTEL ,CON'T) |
||||||
|
CPU speed |
Clock speed |
Multiplier |
SW1/4 |
SW1/5 |
SW1/6 |
JA26 |
|
100MHz |
66MHz |
1.5x |
Off |
Off |
Off |
2 & 3 |
|
133MHz |
66MHz |
2x |
On |
Off |
Off |
2 & 3 |
|
166MHz |
66MHz |
2.5x |
On |
On |
Off |
2 & 3 |
|
200MHz |
66MHz |
3x |
Off |
On |
Off |
2 & 3 |
|
Note: Pins designated should be in the closed position. |
||||||
|
CPU SPEED SELECTION (INTEL MMX) |
|||||
|
CPU speed |
Clock speed |
Multiplier |
SW1/1 |
SW1/2 |
SW1/3 |
|
166MHz |
66MHz |
2.5x |
Off |
Off |
Off |
|
200MHz |
66MHz |
3x |
Off |
Off |
Off |
|
233MHz |
66MHz |
3.5x |
Off |
Off |
Off |
|
CPU SPEED SELECTION (INTEL MMX ,CON'T) |
||||||
|
CPU speed |
Clock speed |
Multiplier |
SW1/4 |
SW1/5 |
SW1/6 |
JA26 |
|
166MHz |
66MHz |
2.5x |
On |
On |
Off |
2 & 3 |
|
200MHz |
66MHz |
3x |
Off |
On |
Off |
2 & 3 |
|
233MHz |
66MHz |
3.5x |
Off |
Off |
Off |
2 & 3 |
|
Note: Pins designated should be in the closed position. |
||||||
|
CPU VOLTAGE SELECTION |
|||||
|
Voltage |
J19A |
J19B |
J19C |
J19D |
J19E |
|
Auto |
2 & 3 |
2 & 3 |
2 & 3 |
2 & 3 |
2 & 3 |
|
1.8 |
Open |
1 & 2 |
Open |
1 & 2 |
1 & 2 |
|
1.9 |
Open |
Open |
1 & 2 |
1 & 2 |
1 & 2 |
|
2.0 |
Open |
1 & 2 |
1 & 2 |
1 & 2 |
1 & 2 |
|
2.1 |
1 & 2 |
Open |
Open |
Open |
Open |
|
2.2 |
Open |
1 & 2 |
Open |
Open |
Open |
|
2.3 |
1 & 2 |
1 & 2 |
Open |
Open |
Open |
|
2.5 |
1 & 2 |
Open |
1 & 2 |
Open |
Open |
|
2.8 |
Open |
Open |
Open |
1 & 2 |
Open |
|
2.9 |
1 & 2 |
Open |
Open |
1 & 2 |
Open |
|
3.2 |
Open |
Open |
1 & 2 |
1 & 2 |
Open |
|
3.3 |
1 & 2 |
Open |
1 & 2 |
1 & 2 |
Open |
|
3.4 |
Open |
1 & 2 |
1 & 2 |
1 & 2 |
Open |
|
3.5 |
1 & 2 |
1 & 2 |
1 & 2 |
1 & 2 |
Open |
|
Note: Pins designated should be in the closed position. |
|||||