SHUTTLE COMPUTER INTERNATIONAL, INC.
HOT-663
| Device Type | Mainboard |
| Processor | Pentium II/Celeron |
| Processor Speed | 233/266/300/333/350/400/450/500MHz |
| Chip Set | Intel 440BX |
| Maximum Onboard Memory | 1GB (SDRAM supported) |
| Audio Chip Set | Yamaha |
| Cache | 0/128/256/512KB (located on the CPU) |
| BIOS | Award |
| Dimensions | 305mm x 190mm |
| I/O Options | 32-bit PCI slots (4), floppy drive interface, game/MIDI port, green PC connector, IDE interfaces (2), parallel port, PS/2 mouse port, serial ports (2), IR connector, USB connectors (2), ATX power connector, AGP slot, line in, line out, microphone in, audio in - CD-ROMs (4), wake on LAN connector |

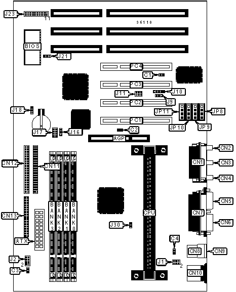
CONNECTIONS |
|||
| Purpose | Location |
Purpose | Location |
| AGP slot | AGP |
IDE interface 2 | CN12 |
| ATX power connector | ATX |
IDE interface 1 | CN13 |
| Chassis fan power | C1 |
Wake on LAN connector | J9 |
| Chassis fan power | C2 |
IR connector | J10 |
| Chassis fan power | C3 |
SB-link connector | J11 |
| Chassis fan power | C4 |
Reset switch | J23/pins 1 & 2 |
| Game/MIDI port | CN1 |
IDE interface LED | J23/pins 3 & 4 |
| Microphone in | CN2 |
Green PC LED | J23/pins 5 & 6 |
| Line in | CN3 |
Green PC connector | J23/pins 7 & 8 |
| Line out | CN4 |
Soft off power supply | J23/pins 9 & 10 |
| Serial port 2 | CN5 |
Power LED & keylock | J23/pins 11 - 15 |
| Serial port 1 | CN6 |
Speaker | J23/pins 16 - 20 |
| Parallel port | CN7 |
Audio in - CD-ROM | JP8 |
| USB connector 1 | CN8 |
Audio in - CD-ROM | JP9 |
| USB connector 2 | CN9 |
Audio in - CD-ROM | JP10 |
| PS/2 mouse port | CN10 |
Audio in - CD-ROM | JP11 |
| Floppy drive interface | CN11 |
32-bit PCI slots | PC1 - PC4 |
USER CONFIGURABLE SETTINGS |
|||
Function |
Label |
Position |
|
» |
On board sound enabled | J16 |
Pins 1 & 2 closed |
| On board sound disabled | J16 |
Pins 2 & 3 closed |
|
» |
CMOS memory normal operation | J18 |
Pins 1 & 2 closed |
| CMOS memory clear | J18 |
Pins 2 & 3 closed |
|
| Flash BIOS voltage select 12v | J21 |
Pins 1 & 2 closed |
|
| Flash BIOS voltage select 5v | J21 |
Pins 2 & 3 closed |
|
» |
Factory configured - do not alter | J30 |
Unidentified |
DIMM CONFIGURATION |
||||
Size |
Bank 0 |
Bank 1 |
Bank 2 |
Bank 3 |
8MB |
(1) 1M x 64 |
None |
None |
None |
16MB |
(1) 2M x 64 |
None |
None |
None |
16MB |
(1) 1M x 64 |
(1) 1M x 64 |
None |
None |
24MB |
(1) 2M x 64 |
(1) 1M x 64 |
None |
None |
24MB |
(1) 1M x 64 |
(1) 1M x 64 |
(1) 1M x 64 |
None |
32MB |
(1) 4M x 64 |
None |
None |
None |
32MB |
(1) 2M x 64 |
(1) 2M x 64 |
None |
None |
32MB |
(1) 1M x 64 |
(1) 1M x 64 |
(1) 1M x 64 |
(1) 1M x 64 |
40MB |
(1) 4M x 64 |
(1) 1M x 64 |
None |
None |
48MB |
(1) 4M x 64 |
(1) 2M x 64 |
None |
None |
48MB |
(1) 2M x 64 |
(1) 2M x 64 |
(1) 2M x 64 |
None |
64MB |
(1) 2M x 64 |
(1) 2M x 64 |
(1) 2M x 64 |
(1) 2M x 64 |
64MB |
(1) 8M x 64 |
None |
None |
None |
64MB |
(1) 4M x 64 |
(1) 4M x 64 |
None |
None |
72MB |
(1) 8M x 64 |
(1) 1M x 64 |
None |
None |
DIMM CONFIGURATION (CON'T) |
||||
Size |
Bank 0 |
Bank 1 |
Bank 2 |
Bank 3 |
80MB |
(1) 8M x 64 |
(1) 2M x 64 |
None |
None |
96MB |
(1) 8M x 64 |
(1) 4M x 64 |
None |
None |
96MB |
(1) 4M x 64 |
(1) 4M x 64 |
(1) 4M x 64 |
None |
128MB |
(1) 16M x 64 |
None |
None |
None |
128MB |
(1) 8M x 64 |
(1) 8M x 64 |
None |
None |
128MB |
(1) 4M x 64 |
(1) 4M x 64 |
(1) 4M x 64 |
(1) 4M x 64 |
136MB |
(1) 16M x 64 |
(1) 1M x 64 |
None |
None |
144MB |
(1) 16M x 64 |
(1) 2M x 64 |
None |
None |
176MB |
(1) 16M x 64 |
(1) 2M x 64 |
(1) 2M x 64 |
(1) 2M x 64 |
192MB |
(1) 16M x 64 |
(1) 8M x 64 |
None |
None |
192MB |
(1) 8M x 64 |
(1) 8M x 64 |
(1) 8M x 64 |
None |
256MB |
(1) 32M x 64 |
None |
None |
None |
256MB |
(1) 16M x 64 |
(1) 16M x 64 |
None |
None |
256MB |
(1) 8M x 64 |
(1) 8M x 64 |
(1) 8M x 64 |
(1) 8M x 64 |
272MB |
(1) 16M x 64 |
(1) 16M x 64 |
(1) 1M x 64 |
(1) 1M x 64 |
280MB |
(1) 32M x 64 |
(1) 1M x 64 |
(1) 1M x 64 |
(1) 1M x 64 |
288MB |
(1) 16M x 64 |
(1) 16M x 64 |
(1) 2M x 64 |
(1) 2M x 64 |
320MB |
(1) 16M x 64 |
(1) 16M x 64 |
(1) 4M x 64 |
(1) 4M x 64 |
384MB |
(1) 16M x 64 |
(1) 16M x 64 |
(1) 16M x 64 |
None |
448MB |
(1) 32M x 64 |
(1) 8M x 64 |
(1) 8M x 64 |
(1) 8M x 64 |
512MB |
(1) 32M x 64 |
(1) 32M x 64 |
None |
None |
512MB |
(1) 16M x 64 |
(1) 16M x 64 |
(1) 16M x 64 |
(1) 16M x 64 |
640MB |
(1) 32M x 64 |
(1) 16M x 64 |
(1) 16M x 64 |
(1) 16M x 64 |
768MB |
(1) 32M x 64 |
(1) 32M x 64 |
(1) 32M x 64 |
None |
1024MB |
(1) 32M x 64 |
(1) 32M x 64 |
(1) 32M x 64 |
(1) 32M x 64 |
| Note: Board accepts SDRAM memory. | ||||
CACHE CONFIGURATION |
| Note: 256KB/512KB cache is located on the Pentium II CPU. 128KB cache is located on the Celeron 300A & 333 CPU. |
CPU SPEED SELECTION |
||||||
CPU speed |
Clock speed |
Multiplier |
J2/pins 1 & 2 |
J2/pins 3 & 4 |
J2/pins 5 & 6 |
J2/pins 7 & 8 |
233MHz |
66MHz |
3.5x |
Open |
Open |
Closed |
Open |
266MHz |
66MHz |
4x |
Open |
Open |
Closed |
Open |
300MHz |
66MHz |
4.5x |
Open |
Open |
Closed |
Open |
333MHz |
66MHz |
5x |
Open |
Open |
Closed |
Open |
350MHz |
100MHz |
3.5x |
Open |
Open |
Open |
Open |
400MHz |
100MHz |
4x |
Open |
Open |
Open |
Open |
450MHz |
100MHz |
4.5x |
Open |
Open |
Open |
Open |
500MHz |
100MHz |
5x |
Open |
Open |
Open |
Open |
CPU SPEED SELECTION (CON'T) |
||||||
CPU speed |
Clock speed |
Multiplier |
J17/pins 1 & 2 |
J17/pins 3 & 4 |
J17/pins 5 & 6 |
J17/pins 7 & 8 |
233MHz |
66MHz |
3.5x |
Closed |
Open |
Closed |
Open |
266MHz |
66MHz |
4x |
Open |
Closed |
Closed |
Closed |
300MHz |
66MHz |
4.5x |
Open |
Closed |
Closed |
Open |
333MHz |
66MHz |
5x |
Open |
Open |
Closed |
Closed |
350MHz |
100MHz |
3.5x |
Closed |
Open |
Closed |
Open |
400MHz |
100MHz |
4x |
Open |
Closed |
Closed |
Closed |
450MHz |
100MHz |
4.5x |
Open |
Closed |
Closed |
Open |
500MHz |
100MHz |
5x |
Open |
Open |
Closed |
Closed |
KEYBOARD/MOUSE POWER ON SELECTION |
|
Setting |
J1 |
Power on disabled |
Pins 3 & 5, 4 & 6 closed |
Power on enabled |
Pins 1 & 3, 4 & 6 closed |
Mouse power on enabled |
Pins 2 & 4, 3 & 5 closed |