DIGI INTERNATIONAL, INC.
SYNCPORT MC
| Card Type | Digital I/O card |
| Chip Set | Unidentified |
| Maximum Onboard Memory | Unidentified |
| Data Bus | 16-bit MCA, 32-bit MCA |

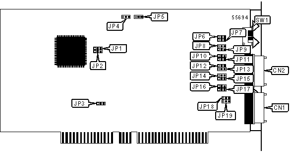
CONNECTIONS |
|||
Function |
Label |
Function |
Label |
| WAN connector - Line 1 | CN1 |
WAN connector - Line 2 | CN2 |
USER CONFIGURABLE SETTINGS |
|||
Function |
Label |
Position |
|
| » | Factory setting - Do not configure | JP3 |
Pins 1 & 2 closed |
BASE I/O ADDRESS SELECTION |
|||||
Setting |
SW1/1 |
SW1/2 |
SW1/3 |
SW1/4 |
|
| 108h | On |
On |
Off |
Off |
|
| 118h | On |
Off |
On |
Off |
|
| 128h | On |
Off |
Off |
Off |
|
| 208h | Off |
On |
On |
Off |
|
| 228h | Off |
On |
Off |
Off |
|
| 308h | Off |
Off |
On |
Off |
|
| » | 328h | Off |
Off |
Off |
Off |
WAN INTERFACE PROTOCOL SELECTION: LINE 1 |
|||||||||
Protocol |
JP4 |
JP6 |
JP8 |
JP10 |
JP12 |
JP14 |
JP16 |
JP18 |
JP20 |
| V.11 | 1 & 2 |
1 & 2 |
1 & 2 |
1 & 2 |
1 & 2 |
1 & 2 |
1 & 2 |
1 & 2 |
1 & 2 |
| V.24 | 2 & 3 |
2 & 3 |
2 & 3 |
2 & 3 |
2 & 3 |
2 & 3 |
2 & 3 |
2 & 3 |
2 & 3 |
| V.35 | 1 & 2 |
2 & 3 |
2 & 3 |
2 & 3 |
1 & 2 |
1 & 2 |
1 & 2 |
2 & 3 |
2 & 3 |
| V.36 | 1 & 2 |
1 & 2 |
1 & 2 |
1 & 2 |
1 & 2 |
1 & 2 |
1 & 2 |
1 & 2 |
1 & 2 |
Note: Designated pins are in the closed position. |
|||||||||
WAN INTERFACE PROTOCOL SELECTION: LINE 2 |
|||||||||
| Protocol | JP3 |
JP5 |
JP7 |
JP9 |
JP11 |
JP13 |
JP15 |
JP17 |
JP19 |
| V.11 | 1 & 2 |
1 & 2 |
1 & 2 |
1 & 2 |
1 & 2 |
1 & 2 |
1 & 2 |
1 & 2 |
1 & 2 |
| V.24 | 2 & 3 |
2 & 3 |
2 & 3 |
2 & 3 |
2 & 3 |
2 & 3 |
2 & 3 |
2 & 3 |
2 & 3 |
| V.35 | 1 & 2 |
2 & 3 |
2 & 3 |
2 & 3 |
1 & 2 |
1 & 2 |
1 & 2 |
2 & 3 |
2 & 3 |
| V.36 | 1 & 2 |
1 & 2 |
1 & 2 |
1 & 2 |
1 & 2 |
1 & 2 |
1 & 2 |
1 & 2 |
1 & 2 |
| Note: Designated pins are in the closed position. | |||||||||