CREATIVE LABS, INC.
SOUNDBLASTER LIVE VALUE (CT4670)
|
Card Type |
Sound card |
|
Chip Set |
Creative Technology |
|
I/O Options |
Audio extension(digital I/O) connector, AUX connector, CD-ROM audio in, CD SPDIF connector, game/MIDI port, I2S in connector, line in, line out, microphone connector(internal), microphone in(external), modem connector, PC speaker connector, rear speaker out, TAD connector |
|
Data Bus |
32-bit PCI |
|
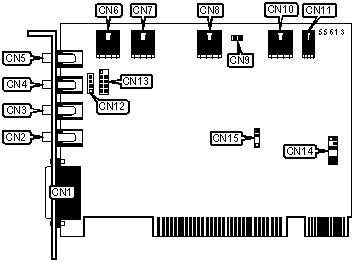
CONNECTIONS |
|||
|
Function |
Label |
Function |
Label |
|
Game/MIDI port |
CN1 |
PC speaker connector |
CN9 |
|
Rear speaker out |
CN2 |
I2S in connector |
CN10 |
|
Line out |
CN3 |
CD SPDIF connector |
CN11 |
|
Microphone in |
CN4 |
Microphone connector (internal) |
CN12 |
|
Line in |
CN5 |
Modem connector |
CN13 |
|
TAD connector |
CN6 |
Audio extension (digital I/O) connector |
CN14 |
|
CD-ROM (MPC-3) audio in |
CN7 |
Volume control connector |
CN15 |
|
AUX connector |
CN8 |
||