MICROCOM, INC.
OFFICEPORTE VOICE
|
Card Type |
Modem (asynchronous) |
|
Chipset |
Rockwell |
|
Maximum Onboard Memory |
32KB RAM |
|
I/O Options |
Microphone, microphone in, speaker out, voice, speakerphone, SVD |
|
Maximum Data Rate |
33.6Kbps |
|
Maximum Fax Rate |
14.4Kbps |
|
Data Modulation |
Bell 103A, 212A ITU-T V.21, V.22, V.22bis, V.23, V.32, V.32bis, V.34 Rockwell V.FC |
|
Fax Modulation |
ITU-T V.17, V.27ter, V.29 |
|
Error Correction/Compression |
MNP5, MNP10EC, V.42, V.42bis |
|
Fax Class |
Class I & II |
|
Data Bus |
Serial |

|
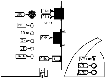
CONNECTIONS | |||
|
Function |
Label |
Function |
Label |
|
Speaker out |
CN1 |
Serial port |
CN5 |
|
Microphone in |
CN2 |
DC power in |
CN6 |
|
Telephone line out |
CN3 |
Microphone |
MIC |
|
Telephone line in |
CN4 |
Power switch |
SW1 |
|
DIAGNOSTIC LED(S) | |||
|
LED |
Color |
Status |
Condition |
|
PWR |
Unidentified |
On |
Power is on |
|
PWR |
Unidentified |
Blinking |
Modem failed NVRAM, RAM, ROM, or data pump power-up test |
|
PWR |
Unidentified |
Off |
Power is off |
|
TR |
Unidentified |
On |
DTR signal is high |
|
TR |
Unidentified |
Off |
DTR signal is low |
|
OH |
Unidentified |
On |
Modem is off-hook |
|
OH |
Unidentified |
Off |
Modem is on-hook |
|
CD |
Unidentified |
On |
Carrier signal detected |
|
CD |
Unidentified |
Off |
Carrier signal not detected |
|
DATA |
Unidentified |
On |
Modem is transmitting or receiving data |
|
DATA |
Unidentified |
Off |
Modem is not transmitting or receiving data |
|
SUPPORTED STANDARD COMMANDS |
|
Basic AT Commands |
|
+++, A/ |
|
A, B, E, H, L, M, N, O, P, Q, T, V, W, X, Y, Z |
|
&C, &D, &F, &G, &K, &Q, &S, &T, &V, &W, &Y, &Z |
|
Extended AT Commands |
|
\A, \B, \G, \K, \L, \N, \V |
|
%C, %L, %Q |
|
Special AT Commands |
|
-K, +MS, -Q |
|
S-Registers |
|
S0, S1, S2, S3, S4, S5, S6, S7, S8, S9, S10, S11, S12, S14, S16, S18, S21, S22, S23, S25, S27 |
|
S29, S30, S31, S32, S33, S36, S38, S39, S46, S48, S82, S86, S95, S201 |
Note: See MHI help file for complete information. |
Proprietary AT Command Set
|
AUTO-RETRAIN - AUTO-FALLBACK/FALL-FORWARD | |
|
Type: |
Configuration |
|
Format: |
AT [cmds] %En [cmds] |
|
Description: |
Controls auto-retrain mode and fallback/fall-forward. |
|
Command |
Function |
|
%E0 |
Auto-retrain disabled. |
|
%E1 |
Auto-retrain enabled. |
|
í %E2 |
Auto-fallback/fall-forward enabled. |
|
%E3 |
Auto-retrain enabled; modem disconnects when EQM reaches disconnect threshold. |
|
BIT-MAPPED REGISTER S40 | ||
|
Format |
AT [cmds] S40=n [cmds] | |
|
Default: |
105 | |
|
Range: |
0 - 238 | |
|
Description: |
Controls power level, break handling, MNP10, and MNP block size. | |
|
Bit |
Value |
Function |
|
1, 0 |
00 í 0110 |
MNP10 disabled. MNP10 enabled. MNP extended services enabled without indicating MNP on the answer detection phase. |
|
2 |
í 01 |
Power level adjustment enabled. Power level adjustment disabled. |
|
5, 4, 3 |
000 001 010 011 100 í 101 |
\K0 set. \K1 set. \K2 set. \K3 set. \K4 set. \K5 set. |
|
7, 6 |
00 í 0110 11 |
MNP block size is 64 characters. MNP block size is 128 characters. MNP block size is 192 characters. MNP block size is 256 characters. |
|
BIT-MAPPED REGISTER S41 | ||
|
Format |
AT [cmds] S41=n [cmds] | |
|
Default: |
155 | |
|
Range: |
0 - 219 | |
|
Description: |
Selects compression, auto-retrain and auto-fallback/fall-forward, modem-to-modem flow control, MNP mode, and low-speed MNP10. | |
|
Note: |
Be aware that bit 6 is out of order. | |
|
Bit |
Value |
Function |
|
1, 0 |
00 01 10 í 11 |
Data compression disabled. MNP5 enabled. V.42bis enabled. MNP5 and V.42bis enabled. |
|
6, 2 |
í 0001 10 11 |
Auto-retrain disabled. Auto-retrain enabled. Auto-fallback/fall-forward enabled. Auto-retrain enabled; modem disconnects when EQM reaches disconnect threshold. |
|
3 |
í 01 |
Modem-to-modem flow control disabled. Modem-to-modem flow control enabled. |
|
4 |
í 01 |
MNP stream mode enabled. MNP block mode enabled. |
|
5 |
0 |
Not used. |
|
7 |
0 í 1 |
MNP10 at 2400 and 1200bps disabled. MNP10 at 2400 and 1200bps enabled. |
|
MNP10 - LINK NEGOTIATION | |
|
Type: |
Register |
|
Format: |
AT [cmds] S28=n [cmds] |
|
Description: |
Sets the speed at which MNP10 link negotiation will occur. |
|
Command |
Function |
|
í S28=0 |
Link will be negotiated at highest possible speed. |
|
S28=64 |
Link will be negotiated at 1200bps. |
|
S28=128 |
Link will be negotiated at 4800bps. |
|
DIAL | |
|
Type: |
Immediate |
|
Format: |
AT [cmds] D<#>;[cmds] |
|
Description: |
Dials the telephone number indicated according to any modifiers included in the string.1 |
|
Command |
Function |
|
DL |
Re-dial last number. |
|
DP |
Pulse dialing enabled. |
|
DS=n |
Dial stored telephone number n. |
|
DT |
Tone dialing enabled. |
|
DW |
Dialing resumed following dial tone detection. |
|
D, |
Dialing paused for amount of time specified in S8 register. |
|
D"WXY" |
Optional method of denoting telephone numbers. Letters enclosed in quotes are interpreted as numbers according to the system found on a telephone keypad. |
|
D! |
Flash function initiated. Modem commanded to go off-hook for specified time before returning on-hook. |
|
D@ |
Wait for Quiet Answer function enabled. Modem waits until a "quiet answer," a ring-back signal followed by silence up to the time specified in S7, is received prior to executing the rest of the dial string. |
|
D^ |
Disables the calling tone for this call. |
|
D& |
Wait for prompt tone detection function enabled. Waits for prompt tone for amount of time specified by the S7 command. |
|
D; |
Modem returned to idle state after dialing. The semicolon can only be placed at the end of the dial command. |
|
DISPLAY INFORMATION | |
|
Type: |
Immediate |
|
Format: |
AT [cmds] In [cmds] |
|
Description: |
Displays information requested about the modem. |
|
Command |
Function |
|
I1 |
Performs a checksum on the firmware ROM and displays the result. |
|
I2 |
Performs a checksum on the firmware ROM and displays the result as either OK or ERROR. |
|
I3 |
Displays firmware revision and information. |
|
I4 |
Displays feature bitmap. |
|
I5 |
Displays country code. |
|
I6 |
Displays data pump and CEP model and revision. |
|
DISTINCTIVE RING | |||||
|
Format: |
AT [cmds] -SDR=n [cmds] | ||||
|
Default: |
Unidentified | ||||
|
Range: |
0 - 7 | ||||
|
Description: |
Selects which distinctive ring signals the modem will respond to. | ||||
|
Bit |
Value |
Function | |||
|
0 |
0 1 |
Do not respond to distinctive ring type 1. Respond to distinctive ring type 1. | |||
|
1 |
0 1 |
Do not respond to distinctive ring type 2. Respond to distinctive ring type 2. | |||
|
2 |
0 1 |
Do not respond to distinctive ring type 3. Respond to distinctive ring type 3. | |||
|
LINE SPEED | |
|
Type: |
Register |
|
Format: |
AT [cmds] S37=n [cmds] |
|
Description: |
Sets the maximum allowable data exchange rate attempted during the handshaking process. |
|
Command |
Function |
|
í S37=0 |
Attempt to connect at fastest common speed. |
|
S37=1 |
Set speed to 300bps. |
|
S37=2 |
Set speed to 300bps. |
|
S37=3 |
Set speed to 300bps. |
|
S37=4 |
Attempt to connect with V.23. |
|
S37=5 |
Set speed to 1200bps. |
|
S37=6 |
Set speed to 2400bps. |
|
S37=8 |
Set speed to 4800bps. |
|
S37=9 |
Set speed to 9600bps. |
|
S37=10 |
Set speed to 12Kbps. |
|
S37=11 |
Set speed to 14.4Kbps. |
|
S37=12 |
Set speed to 7200bps. |
|
MODE SELECTION | |
|
Type: |
Immediate |
|
Format: |
AT [cmds] #CLS=n [cmds] |
|
Description: |
Selects which mode the modem will operate in. |
|
Command |
Function |
|
#CLS=0 |
Modem will operate in data mode. |
|
#CLS=1 |
Modem will operate in fax class I mode. |
|
#CLS=2 |
Modem will operate in fax class II mode. |
|
#CLS=8 |
Modem will operate in voice mode. |
|
MNP10EC MODE | |||
|
Type: |
Configuration | ||
|
Format: |
AT [cmds] -SEC=n[,a] [cmds] | ||
|
Description: |
Selects whether the modem will attempt to use MNP10EC mode during the handshaking sequence. | ||
|
Command |
Function | ||
|
-SEC=0 |
MNP10EC handshaking disabled unless a V.34 connection is attempted via a cellular line. | ||
|
í -SEC=1,a |
Default: |
10 | |
|
Range: |
0 - 30 | ||
|
Unit: |
-1 dBm | ||
|
Description: |
MNP10EC handshaking enabled and the transmit level is set to a. If the a option is not specified then the transmit level will be set to the default. | ||
|
PULSE DIALING TYPE | |
|
Type: |
Configuration |
|
Format: |
AT [cmds] *Zn [cmds] |
|
Description: |
Selects the type of pulse dialing the modem will use. |
|
Command |
Function |
|
í *Z0 |
Pulse dialing type 0 used. |
|
*Z1 |
Pulse dialing type 1 used. |
|
SPEAKERPHONE OPTIONS | |||
|
Type: |
Configuration | ||
|
Format: |
AT [cmds] #SPK=x,y,z [cmds] | ||
|
Description: |
Sets various options for speakerphone functions. | ||
|
Command |
Function | ||
|
x =0 |
Microphone disabled. | ||
|
x =1 |
Microphone enabled. | ||
|
x =2 |
Microphone enabled with maximum gain, speaker disabled. | ||
|
y |
Default: |
5 | |
|
Range: |
0 - 16 | ||
|
Unit: |
-2 dBm | ||
|
Description: |
Sets the attenuation level for speaker output in voice mode. A value of 16 will mute the speaker. | ||
|
z =0 |
Microphone gain set to 0 dBm. | ||
|
z =1 |
Microphone gain set to 6 dBm. | ||
|
z =2 |
Microphone gain set to 9.5 dBm. | ||
|
z =3 |
Microphone gain set to 12 dBm. | ||
|
SVD DATA BURST | ||
|
Type: |
Configuration | |
|
Format: |
AT [cmds] -SMC=n [cmds] | |
|
Description: |
Selects whether the modem will increase data throughput when no audio signal is detected during an SVD connection. | |
|
Command |
Function | |
|
-SMC=0 |
Data burst disabled. | |
|
í -SMC=1 |
Data burst enabled. | |
|
SVD BANDWIDTH | ||
|
Type: |
Configuration | |
|
Format: |
AT [cmds] -SMS=a,b,c,d [cmds] | |
|
Description: |
Selects the throughput levels allowed for SVD mode. | |
|
Command |
Function | |
|
a=0 |
SVD mode disabled. | |
|
a=2 |
SVD mode enabled. | |
|
í a=3 |
Auto-detect correct mode. | |
|
b,c=4800 |
Sets the minimum or maximum combined voice or data speed to 4800bps, respectively. | |
|
b,c=7200 |
Sets the minimum or maximum combined voice or data speed to 7200bps, respectively. | |
|
b,c=9600 |
Sets the minimum or maximum combined voice or data speed to 9600bps, respectively. | |
|
b,c=12000 |
Sets the minimum or maximum combined voice or data speed to 12Kbps, respectively. | |
|
b,c=14400 |
Sets the minimum or maximum combined voice or data speed to 14.4Kbps, respectively. | |
|
d |
Sets the baud rate for ML288 modulation mode. A setting of 0 will cause the modem to auto-detect the correct mode, which is the default. | |
|
SVD MODULATION | ||
|
Type: |
Configuration | |
|
Format: |
AT [cmds] -SQS=m,n [cmds] | |
|
Description: |
Selects which modulation type the modem will use for SVD mode. | |
|
Command |
Function | |
|
m=0 |
Selects V.61 modulation. | |
|
m=1 |
Selects ML144 modulation. | |
|
í m=2 |
Selects ML288 modulation. | |
|
n=0 |
Modem will not auto-detect the correct modulation. | |
|
í n=1 |
Modem will auto-detect the correct modulation. | |
|
VOICE DEVICE | |
|
Type: |
Configuration |
|
Format: |
AT [cmds] #VLS=n [cmds] |
|
Description: |
Selects the I/O device for the DSP chip. |
|
Command |
Function |
|
í #VLS=0 |
Telephone line and handset used for voice I/O. |
|
#VLS=1 |
Telephone handset used for voice I/O. |
|
#VLS=2 |
Internal speaker only used for voice I/O. |
|
#VLS=3 |
External microphone only used for voice I/O. |
|
#VLS=4 |
Telephone line and handset used for voice I/O; internal speaker enabled. |
|
#VLS=6 |
Speakerphone used for voice I/O. |
|
VOICE SAMPLE QUALITY | |
|
Type: |
Configuration |
|
Format: |
AT [cmds] #VBS=n [cmds] |
|
Description: |
Selects the number of bits per sample that the modem records. |
|
Command |
Function |
|
#VBS=2 |
Modem records 2 bits per sample in ADPCM encoding. |
|
í #VBS=4 |
Modem records 4 bits per sample in ADPCM encoding. |
|
#VBS=8 |
Modem records 8 bits per sample in PCM encoding. |
|
#VBS=16 |
Modem records 16 bits per sample in PCM encoding. |
|
VOICE SAMPLING RATE | |
|
Type: |
Configuration |
|
Format: |
AT [cmds] #VSR=n [cmds] |
|
Description: |
Sets the sampling rate used when recording voice signals. |
|
Command |
Function |
|
í #VSR=7200 |
Selects a sampling rate of 7.2KHz. |
|
#VSR=11025 |
Selects a sampling rate of 11.025KHz in PCM encoding only. |
|
VOICE VOLUME LEVEL | ||
|
Type: |
Configuration | |
|
Format: |
AT [cmds] #VGT=n [cmds] | |
|
Description: |
Sets the volume level when playing back audio signals. | |
|
Command |
Function | |
|
#VGT=128 |
Low volume setting. | |
|
í #VGT=129 |
Medium volume setting. | |
|
#VGT=130 |
High volume setting. | |
|
#VGT=131 |
Highest volume setting. | |