CREATIVE LABS, INC.
SOUND & CD-ROM CARD
|
Card Type |
Sound card |
|
Chipset Controller |
Unidentified |
|
I/O Options |
CD-ROM audio (2), CD-ROM interface (3), game/MIDI port, line in, microphone in, speaker out, volume |
|
Maximum DRAM |
N/A |
|
CONNECTIONS | |||
|
Purpose |
Location |
Purpose |
Location |
|
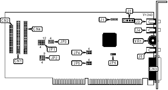
Panasonic CD-ROM interface |
CN1 |
Panasonic/Mitsumi CD - audio in |
J2 |
|
Sony CD-ROM interface |
CN2 |
Mic in |
J3 |
|
Game/MIDI port |
CN3 |
Line in |
J4 |
|
Mitsumi CD-ROM interface |
CN4 |
Speaker out |
J5 |
|
Sony CD - audio in |
J1 |
Volume |
VR1 |
|
INTERRUPT SELECTION | ||
|
IRQ |
JP1 | |
| » |
7 |
Pins 10 & 11 Closed |
|
2/9 |
Pins 1 & 2 closed | |
|
3 |
Pins 4 & 5 closed | |
|
5 |
Pins 7 & 8 closed | |
|
BASE I/O ADDRESS SELECTION | ||
|
Address |
JP2 | |
| » |
320h |
Pins 2 & 3, 4 & 5, 8 & 9 closed |
|
330h |
Pins 1 & 2, 4 & 5, 8 & 9 closed | |
|
340h |
Pins 2 & 3, 5 & 6, 7 & 8 closed | |
|
360h |
Pins 2 & 3, 4 & 5, 7 & 8 closed | |
|
SOUND I/O PORT ADDRESS SELECTION | ||
|
Address |
JP3 | |
| » |
220h |
Pins 3 & 5, 4 & 6 closed |
|
240h |
Pins 1 & 3, 2 & 4 closed | |
|
DMA CHANNEL SELECTION | |||
|
Channel |
JP4 |
JP5 | |
| » |
DMA1 |
Pins 1 & 3 closed |
Pins 1 & 3 closed |
|
DMA3 |
Pins 2 & 4 closed |
Pins 2 & 4 closed | |
|
GAME PORT CONFIGURATION | ||
|
Setting |
JP6 | |
| » |
Enabled |
Pins 1 & 2 closed |
|
Disabled |
Pins 2 & 3 closed | |